GM Service Manual Online
For 1990-2009 cars only

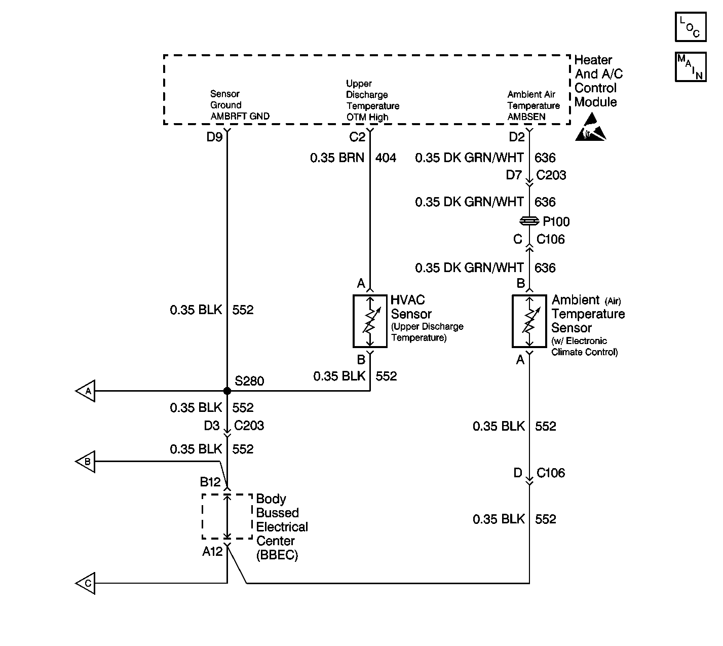
Object Number: 283798  Size: LF

Circuit Description

The outside air temperature sensor is a thermistor used to control the signal voltage in the heater and A/C control module. The heater and A/C control module control supplies a reference voltage (about 5 volts) on CKT 636 to the sensor. When the outside (ambient) air temperature is cold, the thermistor resistance is high. Therefore, the heater and A/C control module will receive a high voltage input. If the outside air temperature is hot, the thermistor resistance is low. The heater and A/C control module will receive a low signal voltage input. Refer to Sensor Resistance Table .

Conditions for Setting the DTC

When the ignition is ON, the heater and A/C control will detect this the DTC any time that CKT 636 is at or near zero voltage.

Action Taken When the DTC Sets

The heater and A/C control module will use a default value of 26°F (or 168) A/D counts until the fault is cleared.

Conditions for Clearing the MIL/DTC

This fault will clear as soon as the fault goes away or has been repaired. The system will then return to normal operation. History DTCs can only be cleared by removing and restoring B+ or by using the scan tool.

Diagnostic Aids

Important: There is a VSS (5 mph) signal to enable updates.

Visually inspect the sensor connector and harness for corrosion and damage. The resistance value of the sensor must be 300-170,000 ohms. If resistance is not within specifications, replace the sensor.

Test Description

The numbers below refer to the step numbers on the diagnostic table.

  1. This step measures resistance of the outside air temperature sensor.

  2. This step inspects for a short to ground in CKT 636 (DK GRN/WHT).

  3. This step inspects for intermittents and tests for a malfunctioning heater and A/C control module

  4. This step repairs the short to ground in CKT 636 (DK GRN/WHT).

  5. This step replaces a defective outside air temperature sensor.

  6. This step replaces a defective heater and A/C control panel.

Step

Action

Value(s)

Yes

No

1

  1. Turn the ignition to the OFF position.
  2. Disconnect the sensor.
  3. Measure the resistance between sensor terminals A and B.
  4. Compare the reading to the temperature/resistance table. Refer to System Performance Test .

Is the resistance within the range specified?

--

Go to Step 2

Go to Step 5

2

  1. Disconnect the heater and A/C control module.
  2. Inspect for a short to ground in CKT 636 (DK GRN/WHT) at terminal D2 of the heater and A/C control module harness connector.

Did you find a short to ground?

--

Go to Step 4

Go to Step 3

3

  1. Reconnect the sensor.
  2. Reconnect the heater and A/C control module.
  3. Turn the ignition to the ON position.
  4. Clear any heater and A/C control module DTCs.

Does the DTC clear?

--

Go to Intermittents and Poor Connections Diagnosis

Go to Step 6

4

Repair the short to ground in CKT 636 (DK GRN/WHT).

Is the repair complete?

--

Go to Diagnostic System Check

--

5

Replace the sensor.

Is the repair complete?

--

Go to Diagnostic System Check

--

6

Replace the heater and A/C control module.

Is the repair complete?

--

Go to Diagnostic System Check

--