GM Service Manual Online
For 1990-2009 cars only
Figure 1:

Cell 150: Radio Power, Ground, and Speakers (Bravada w/o Amplifier)


Object Number: 355926  Size: FS
Entertainment Components
Radio/Audio System Description
Cell 150: Power and Ground
OBD II Symbol Description Notice
OBD II Symbol Description Notice
Power Distribution Schematics
Figure 2:

Cell 150: Power and Ground


Object Number: 355929  Size: FS
Entertainment Components
Radio/Audio System Description
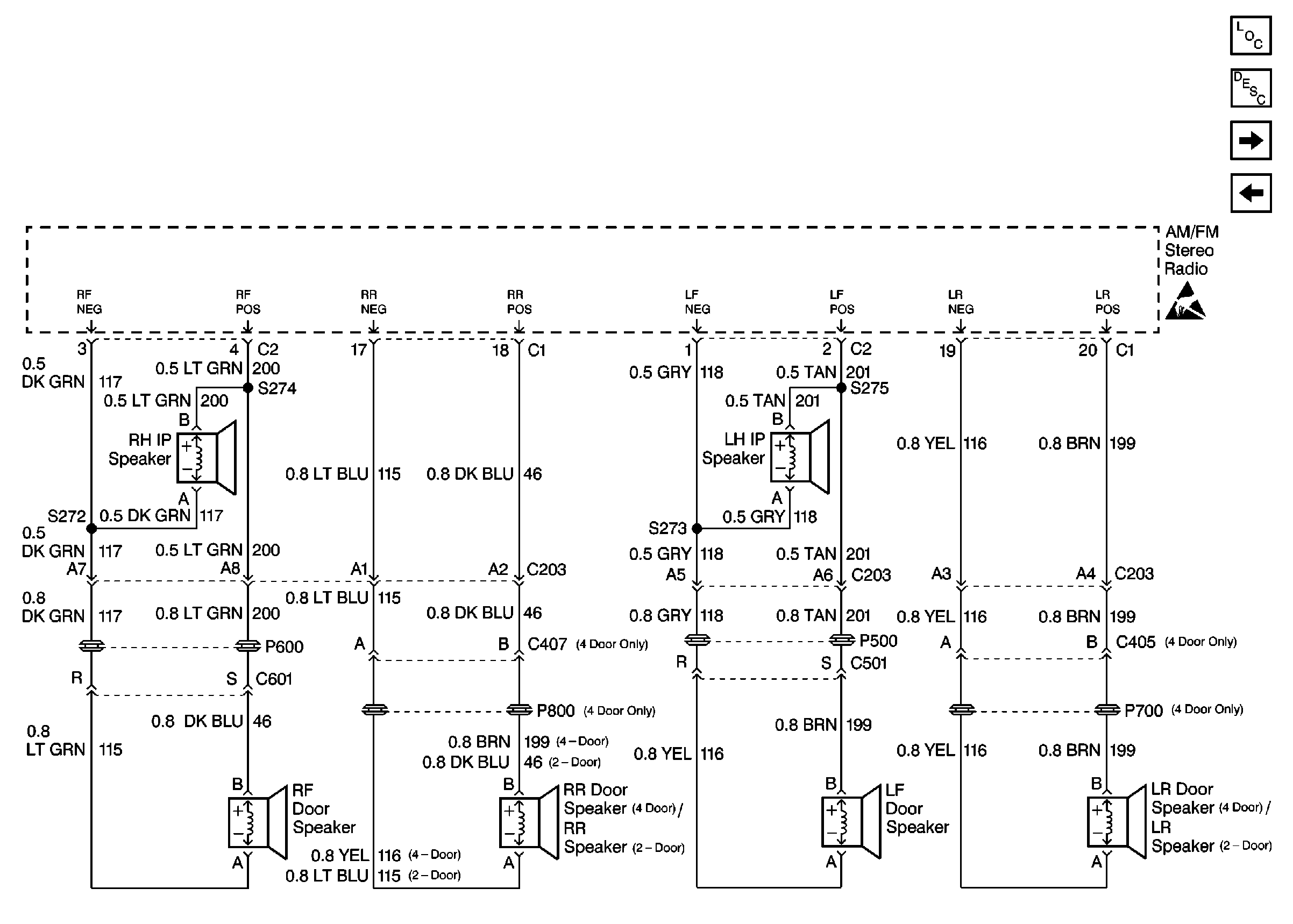
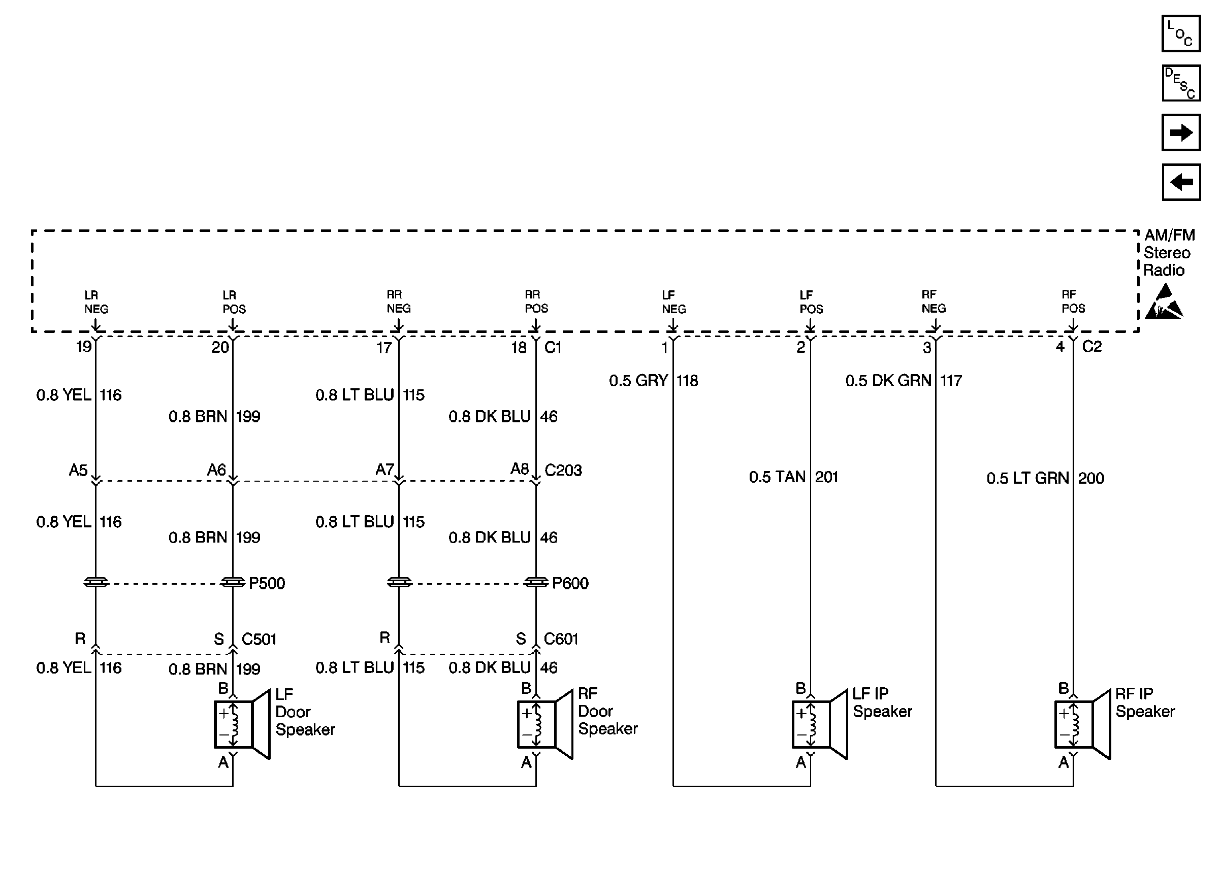
Cell 150: Speakers (Extended Cab Pickup w/o Third Door)
Cell 150: Radio Power, Ground, and Speakers (Bravada w/o Amplifier)
OBD II Symbol Description Notice
OBD II Symbol Description Notice
OBD II Symbol Description Notice
OBD II Symbol Description Notice
OBD II Symbol Description Notice
Power Distribution Schematics
Figure 3:

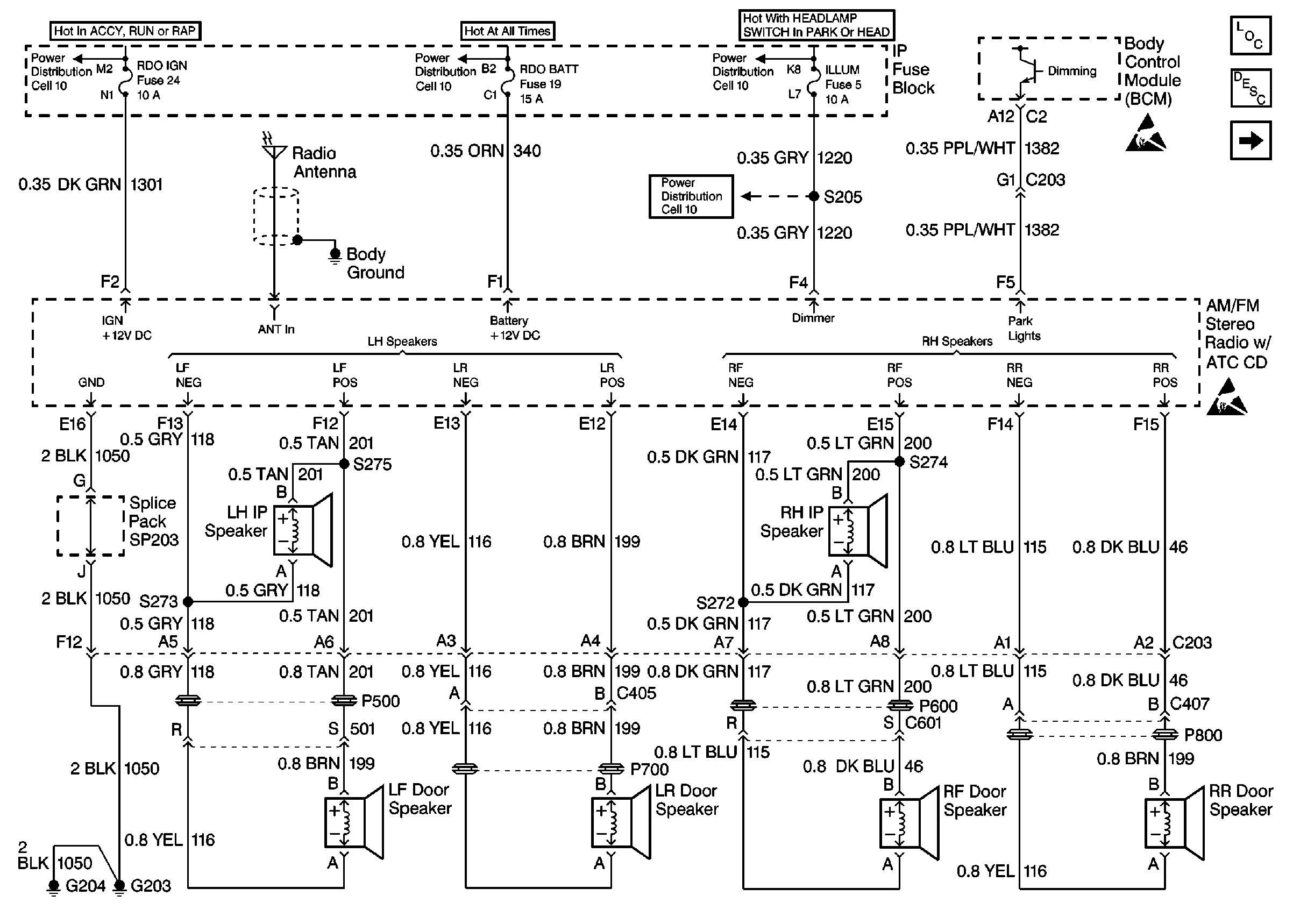
Cell 150: Speakers (Extended Cab Pickup w/o Third Door)


Object Number: 355930  Size: FS
Entertainment Components
Radio/Audio System Description
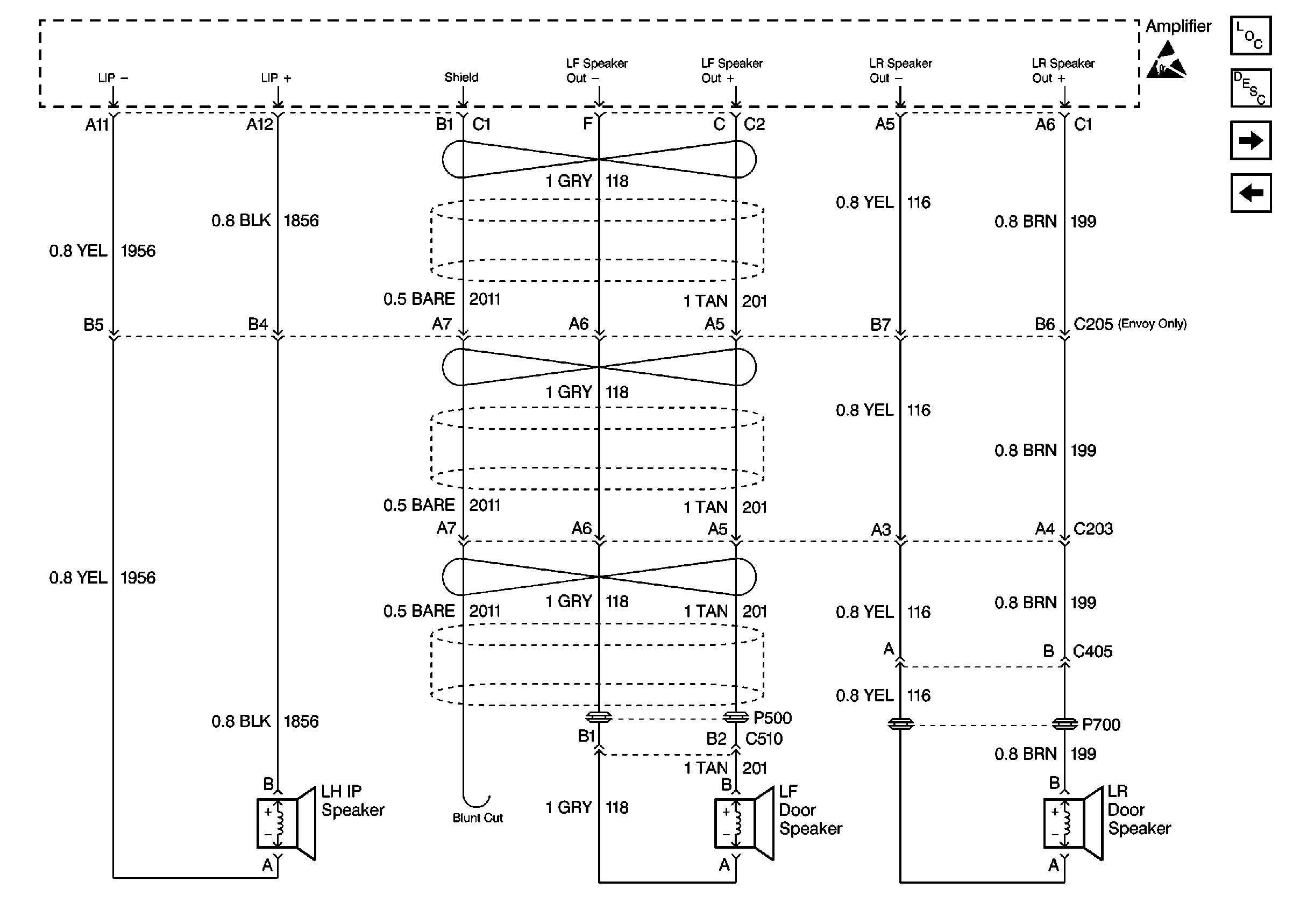
Cell 150: Speakers (Extended Cab Pickup w/ Third Door)
Cell 150: Power and Ground
OBD II Symbol Description Notice
Figure 4:

Cell 150: Speakers (Extended Cab Pickup w/ Third Door)


Object Number: 355931  Size: FS
Entertainment Components
Radio/Audio System Description
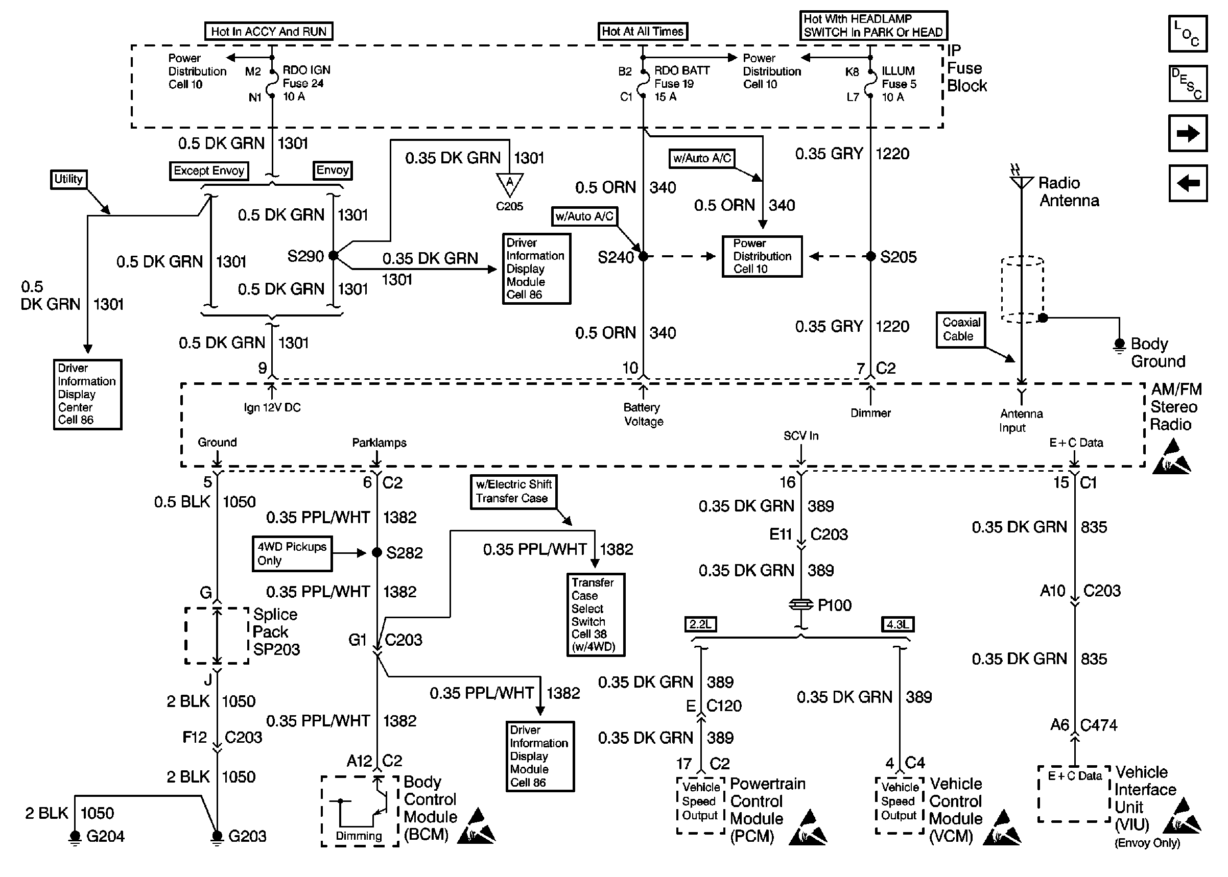
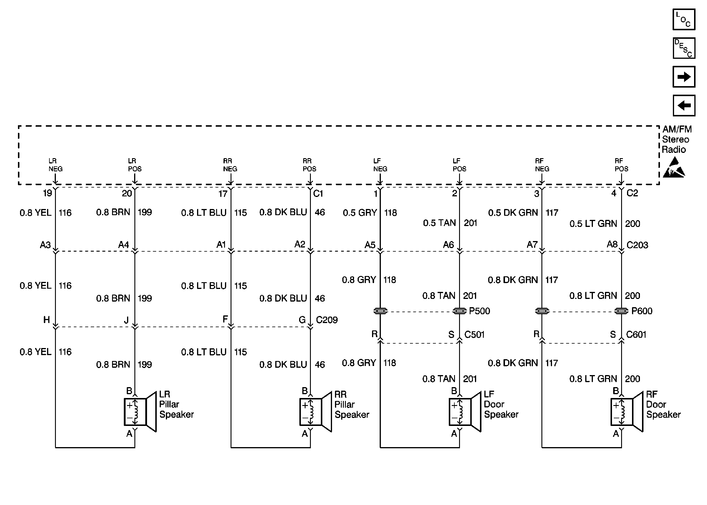
Cell 150: Speakers (Utility Except Envoy)
Cell 150: Speakers (Extended Cab Pickup w/o Third Door)
OBD II Symbol Description Notice
Figure 5:

Cell 150: Speakers (Utility Except Envoy)


Object Number: 355934  Size: FS
Entertainment Components
Radio/Audio System Description
Cell 150: Remote Audio Player
Cell 150: Speakers (Extended Cab Pickup w/ Third Door)
OBD II Symbol Description Notice
Figure 6:

Cell 150: Remote Audio Player


Object Number: 355935  Size: FS
Entertainment Components
Radio/Audio System Description
Cell 150: Amplifier
Cell 150: Speakers (Utility Except Envoy)
OBD II Symbol Description Notice
OBD II Symbol Description Notice
Figure 7:

Cell 150: Amplifier


Object Number: 355936  Size: FS
Entertainment Components
Radio/Audio System Description
Cell 150: Remote Audio Player
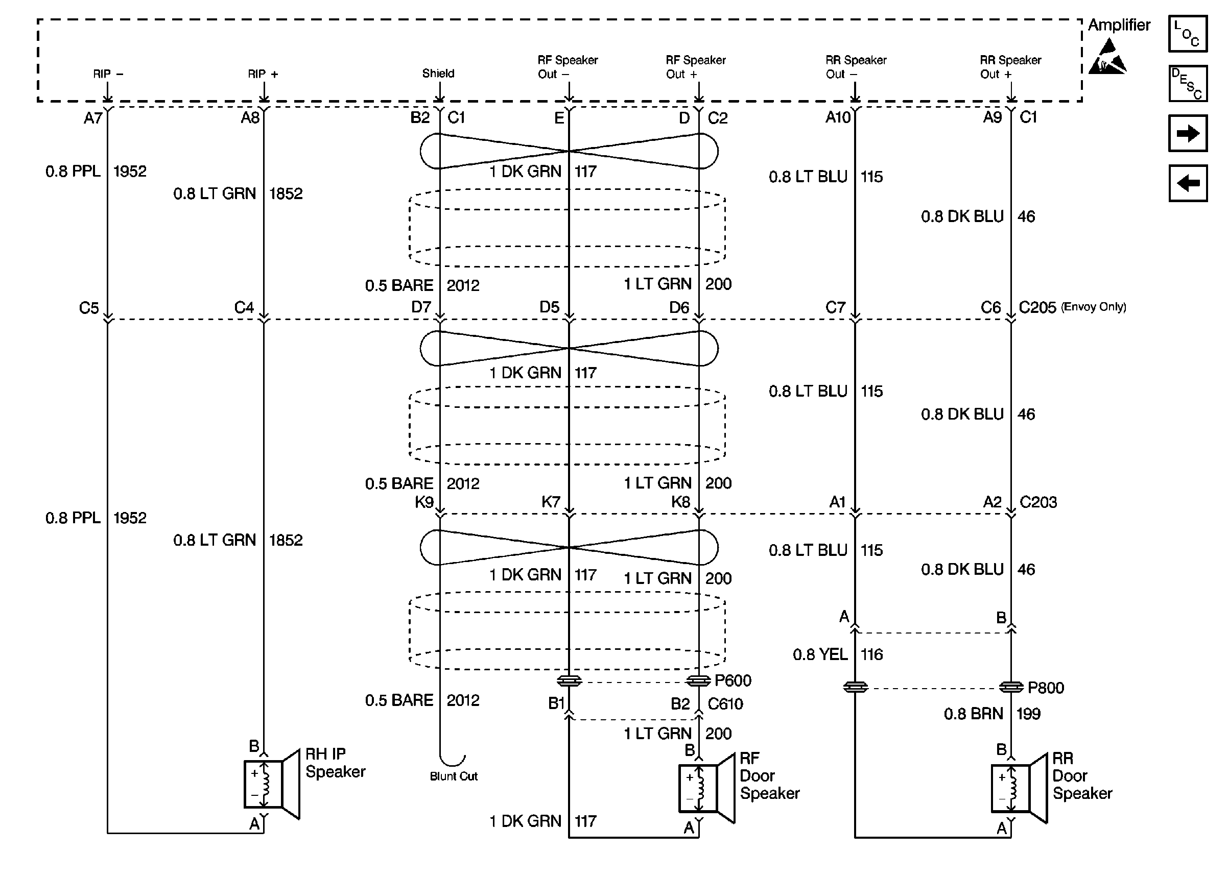
Cell 150: Amplifier and Speaker, LR Door
OBD II Symbol Description Notice
OBD II Symbol Description Notice
Figure 8:

Cell 150: Amplifier and Speaker, LR Door


Object Number: 355937  Size: FS
Entertainment Components
Radio/Audio System Description
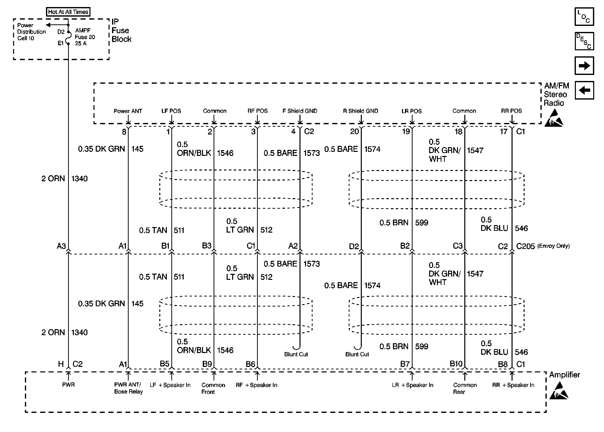
Cell 150: Amplifier and Speaker, RH IP
Cell 150: Amplifier
OBD II Symbol Description Notice
Figure 9:

Cell 150: Amplifier and Speaker, RH IP


Object Number: 355939  Size: FS
Entertainment Components
Radio/Audio System Description
Cell 150: Rear Seat Audio Module
Cell 150: Amplifier and Speaker, LR Door
OBD II Symbol Description Notice
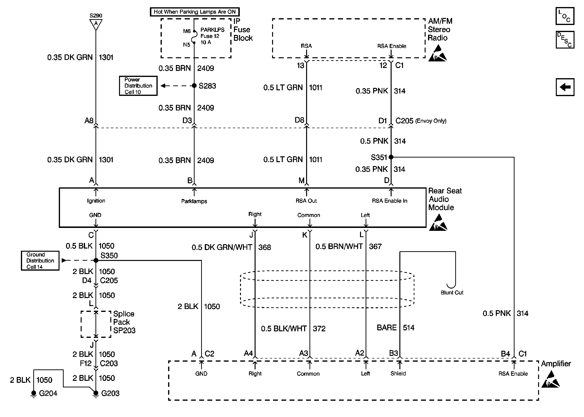
Figure 10:

Cell 150: Rear Seat Audio Module


Object Number: 355942  Size: FS
Entertainment Components
Radio/Audio System Description
Cell 150: Amplifier and Speaker, RH IP
OBD II Symbol Description Notice
OBD II Symbol Description Notice
OBD II Symbol Description Notice
Ground Distribution Schematics