GM Service Manual Online
For 1990-2009 cars only
Makes
🢒
Chevrolet
🢒
1998
🢒
Blazer - 4WD
🢒
Body and Accessories
🢒
Theft Deterrent
🢒 Theft Deterrent System Schematics
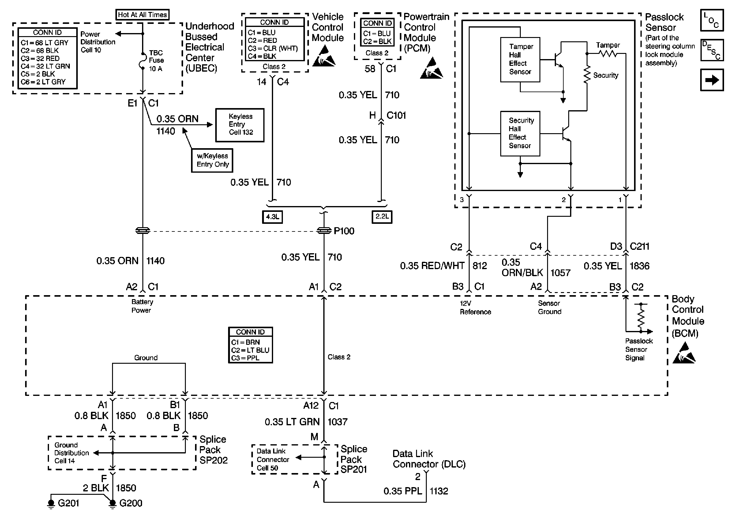
Figure
1:
Cell 133: Power, Ground and Passlock Sensor
Power and Grounding Connector End Views
Cell 10: TBC, IGN C, HTD SEAT, and ATC Fuses
VCM Connector End Views
Handling ESD Sensitive Parts Notice
Powertrain Control Module Connector End Views
Handling ESD Sensitive Parts Notice
Theft Deterrent System Components
Vehicle Theft Deterrent (VTD) Description
Cell 133: Door Jamb Switch Inputs
Handling ESD Sensitive Parts Notice
Body Control System Connector End Views
Cell 132
Cell 14: G200 and G201 (Pickup)
Cell 50: Class 2 Communication (2.2L)
Figure
2:
Cell 133: Door Jamb Switch Inputs
Body Control System Connector End Views
Handling ESD Sensitive Parts Notice
Theft Deterrent System Components
Vehicle Theft Deterrent (VTD) Description
Cell 133: Door Handle Switch Inputs
Cell 133: Power, Ground and Passlock Sensor
Cell 133: Door Handle Switch Inputs
Cell 14: G420 and G450 (Utility w/ Endgate)
Cell 92
Cell 14: G200 and G201 (Pickup)
Cell 14: G200 and G201 (Pickup)
Figure
3:
Cell 133: Door Handle Switch Inputs
Body Control System Connector End Views
Handling ESD Sensitive Parts Notice
Theft Deterrent System Components
Vehicle Theft Deterrent (VTD) Description
Cell 133: Door Jamb Switch Inputs
Cell 133: Door Jamb Switch Inputs
Cell 14: G203 and G204 (Pickup)
Cell 139
Cell 14: G200 and G201 (Pickup)
Cell 14: G202 (Pickup)
Cell 114: Sunshade Mirror Lamps and Dome Lamp
Cell 110: Turn Signal Lamp Flasher
Electric Shift Power, Grounding, And Data Link
Cell 14: G205 and G206 (Utility w/ NP1, Except Envoy)