GM Service Manual Online
For 1990-2009 cars only
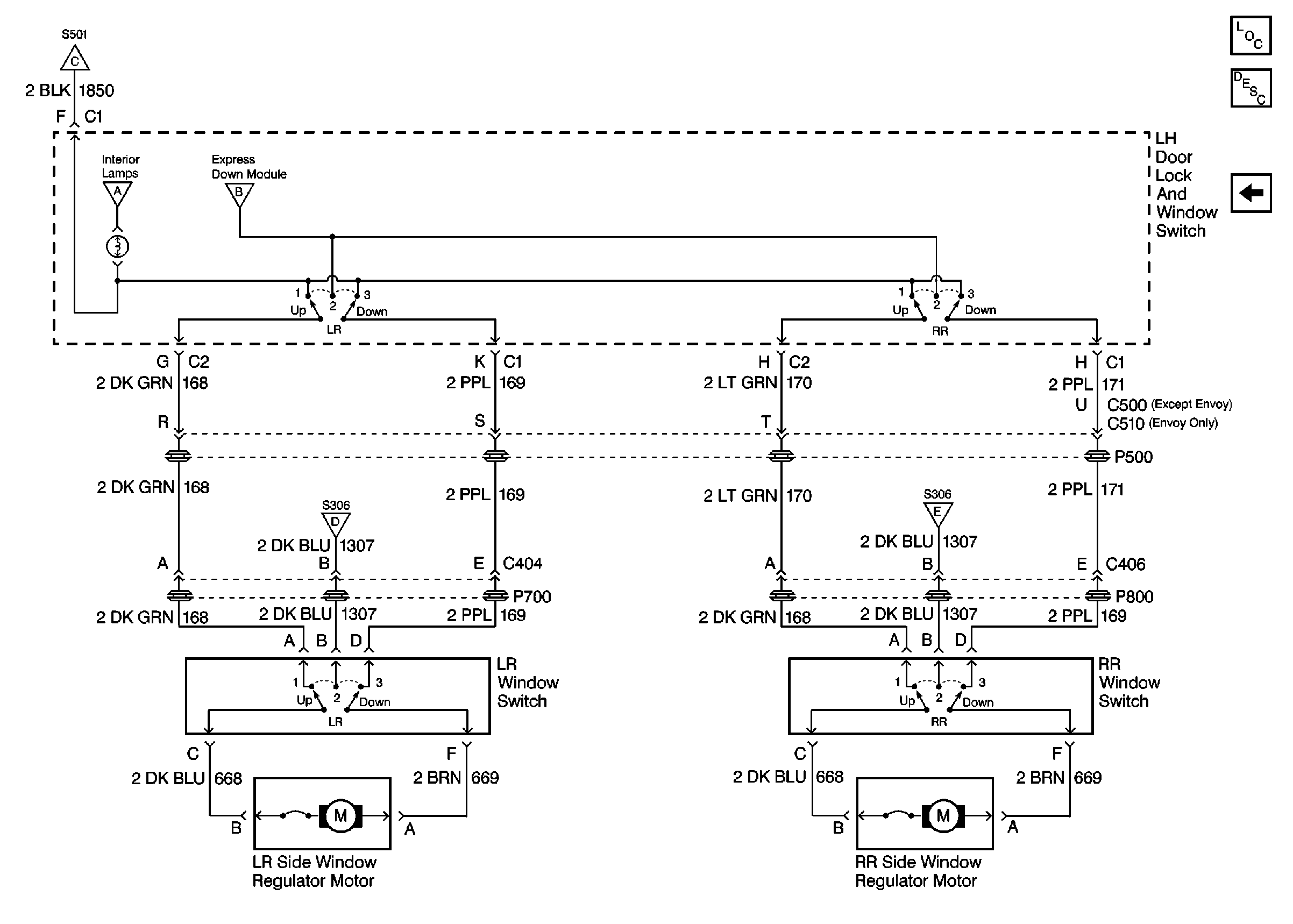
Figure 1:

Cell 120: Front Side Window Regulator Motors


Object Number: 355277  Size: FS
Outside Mirrors Circuit Description
Cell 120: Window Lockout Switch
Interior Lights Schematics
Interior Lights Schematics
Power Distribution Schematics
Ground Distribution Schematics
Ground Distribution Schematics
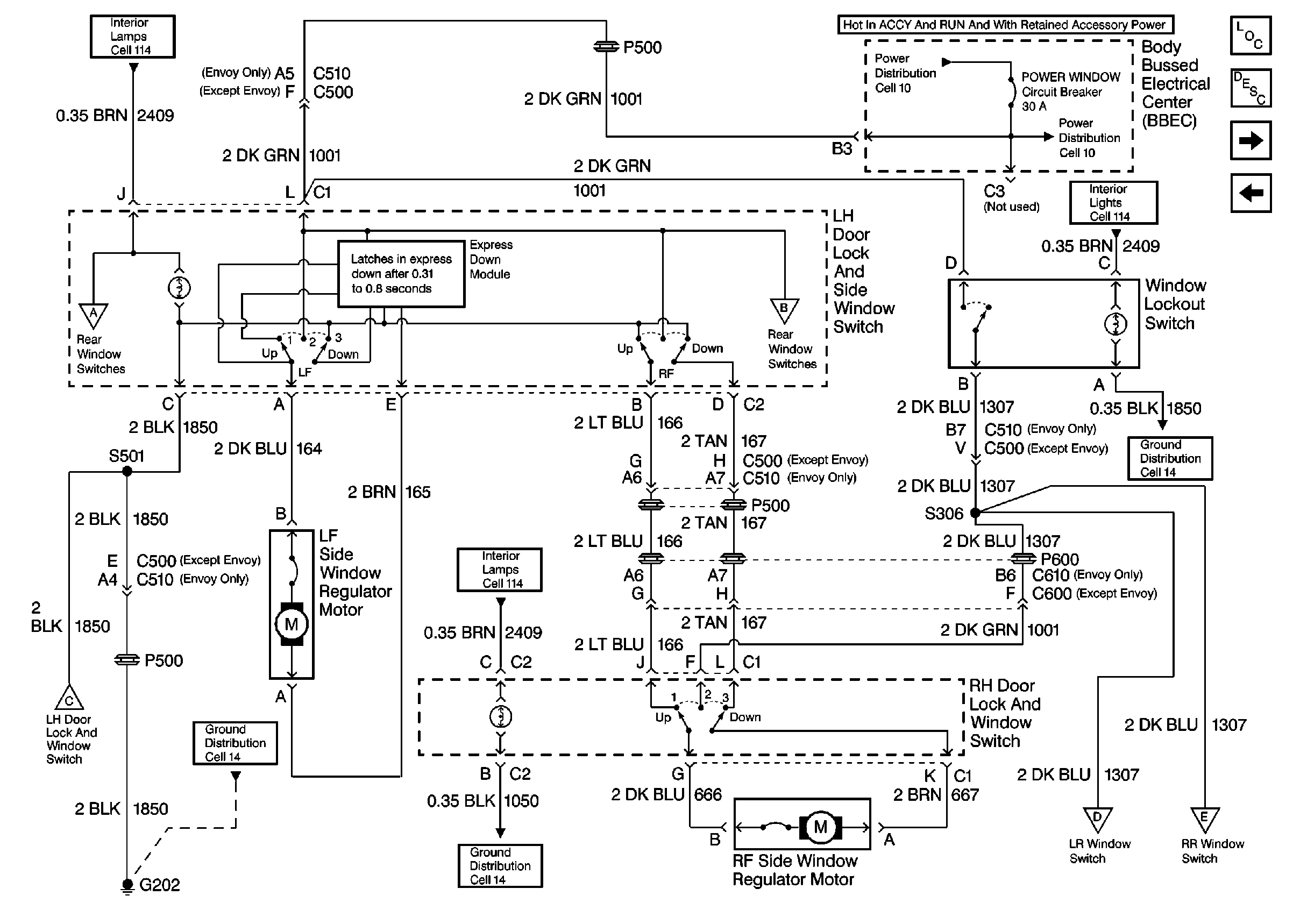
Figure 2:

Cell 120: Window Lockout Switch


Object Number: 355278  Size: FS
Outside Mirrors Circuit Description
Cell 120: Rear Side Window Regulator Motor
Cell 120: Front Side Window Regulator Motors
Interior Lights Schematics
Interior Lights Schematics
Interior Lights Schematics
Ground Distribution Schematics
Ground Distribution Schematics
Ground Distribution Schematics
Power Distribution Schematics
Power Distribution Schematics
Cell 120: Rear Side Window Regulator Motor
Cell 120: Rear Side Window Regulator Motor
Cell 120: Rear Side Window Regulator Motor
Cell 120: Rear Side Window Regulator Motor
Cell 120: Rear Side Window Regulator Motor
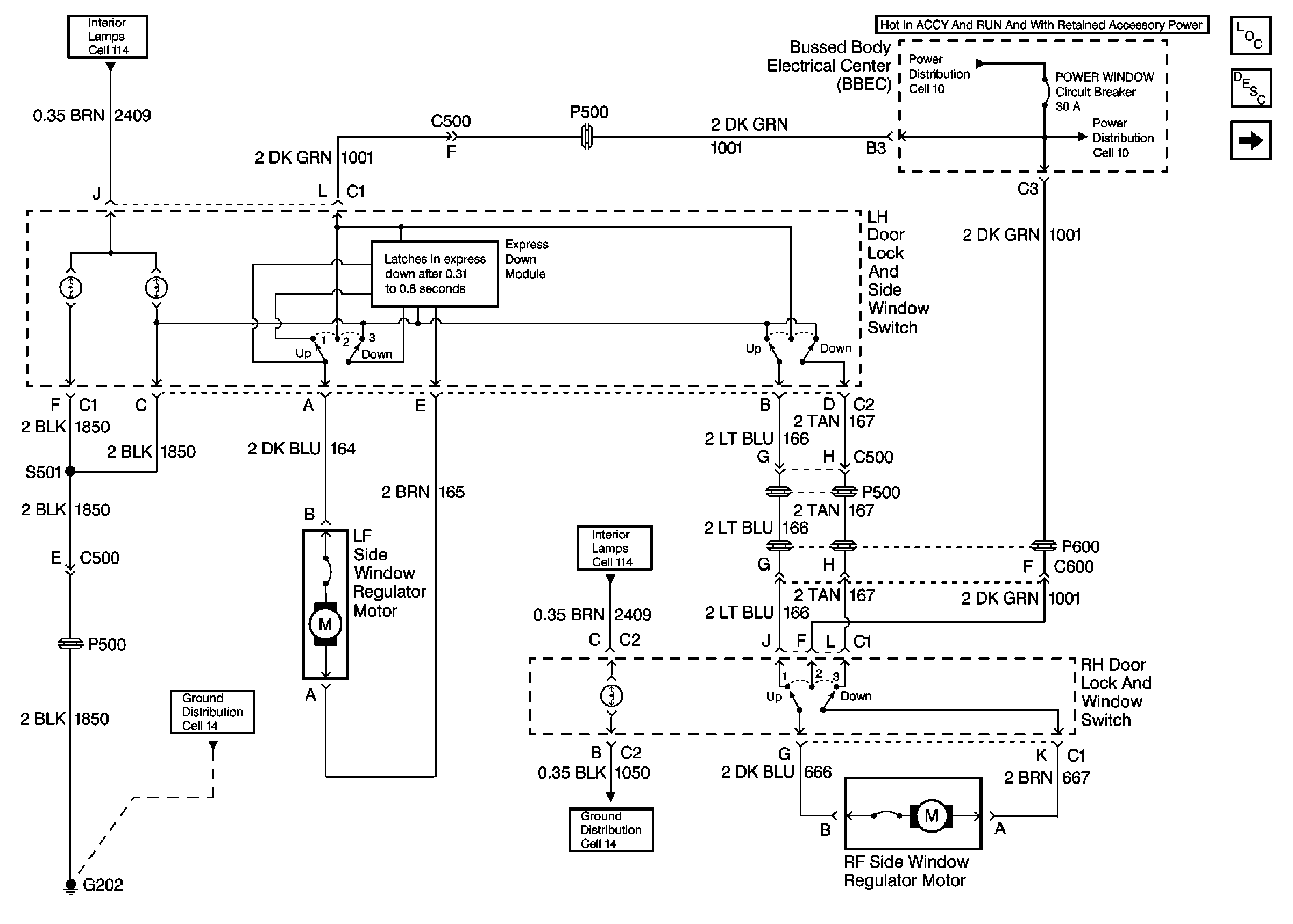
Figure 3:

Cell 120: Rear Side Window Regulator Motor


Object Number: 355280  Size: FS
Outside Mirrors Circuit Description
Cell 120: Window Lockout Switch
Cell 120: Window Lockout Switch
Cell 120: Window Lockout Switch
Cell 120: Window Lockout Switch
Cell 120: Window Lockout Switch
Cell 120: Window Lockout Switch