GM Service Manual Online
For 1990-2009 cars only
Makes
🢒
Chevrolet
🢒
1998
🢒
Blazer - 4WD
🢒
Body and Accessories
🢒
Doors
🢒 Outside Rearview Mirror Schematics
Figure
1:
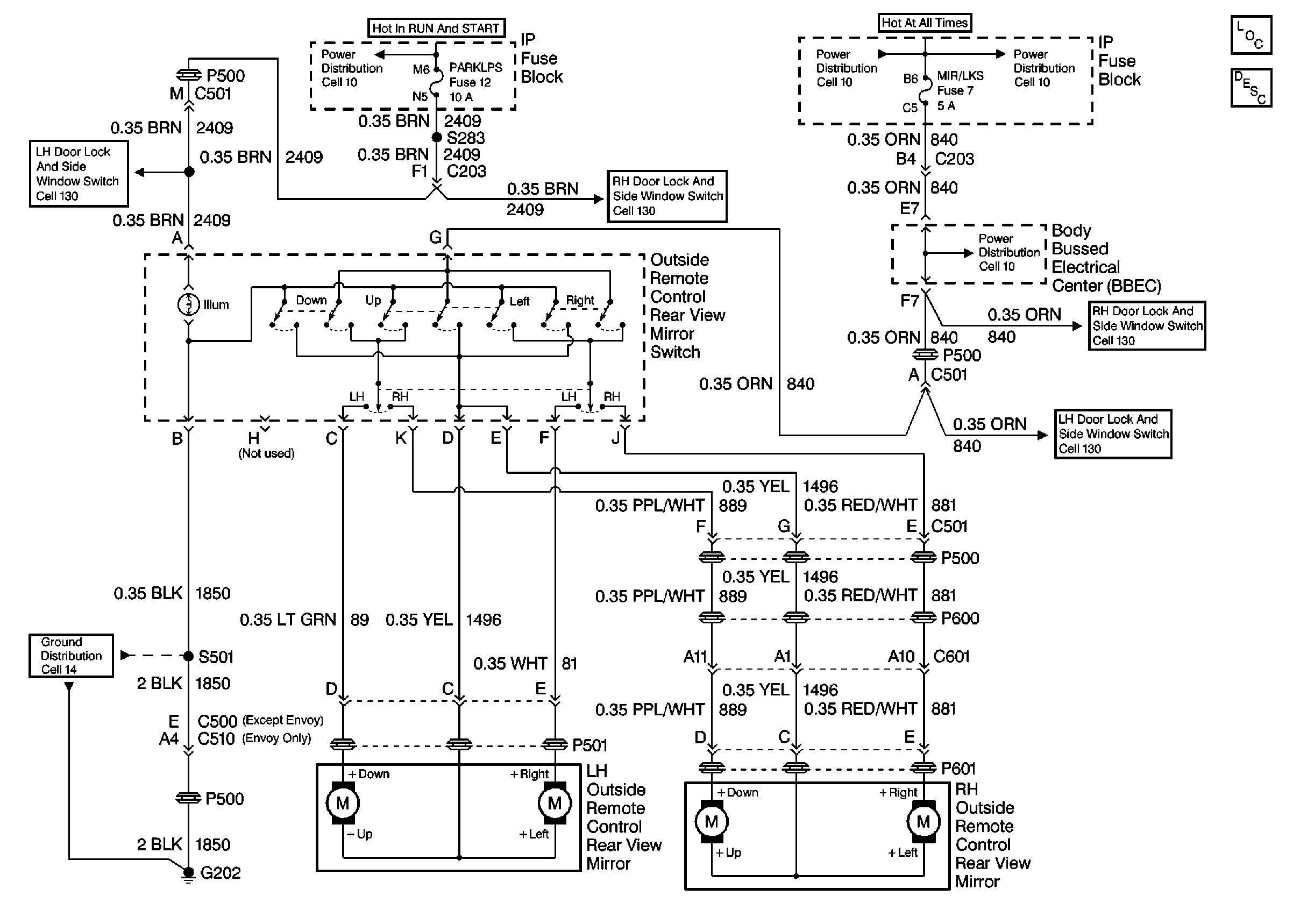
Cell 147: Outside Remote Control Rear View Mirrors and Switch
Power Door Systems Components
Outside Mirrors Circuit Description
Cell 147: Outside Rear View Mirrors
Cell 130: IP Fuse Block
Cell 10: ILLUM and PARK LPS Fuses
Cell 130: IP Fuse Block
Cell 10: AUX PWR, RDO BATT, MIR/LKS, HDLP SW, AMPF, PWR LKS, CTSY LP, and CIGAR LTR Fuses
Cell 10: AUX PWR, RDO BATT, MIR/LKS, HDLP SW, AMPF, PWR LKS, CTSY LP, and CIGAR LTR Fuses
Cell 10: BBEC
Cell 130: Door Lock and Side Window Switch
Cell 130: Door Lock and Side Window Switch
Cell 14: G202 (Utility Except Bravada/Envoy)
Figure
2:
Cell 147: Outside Rear View Mirrors
Power Door Systems Components
Outside Mirrors Circuit Description
Cell 147: Outside Remote Control Rear View Mirrors and Switch
Cell 14: G202 (Utility Except Bravada/Envoy)
Cell 14: G205 and G206 (Utility w/ 2WD)
Cell 14: G205 and G206 (Utility w/ 2WD)