GM Service Manual Online
For 1990-2009 cars only
Makes
🢒
Chevrolet
🢒
1998
🢒
Blazer - 4WD
🢒
Body and Accessories
🢒
Seats
🢒 Heated Seats Schematics
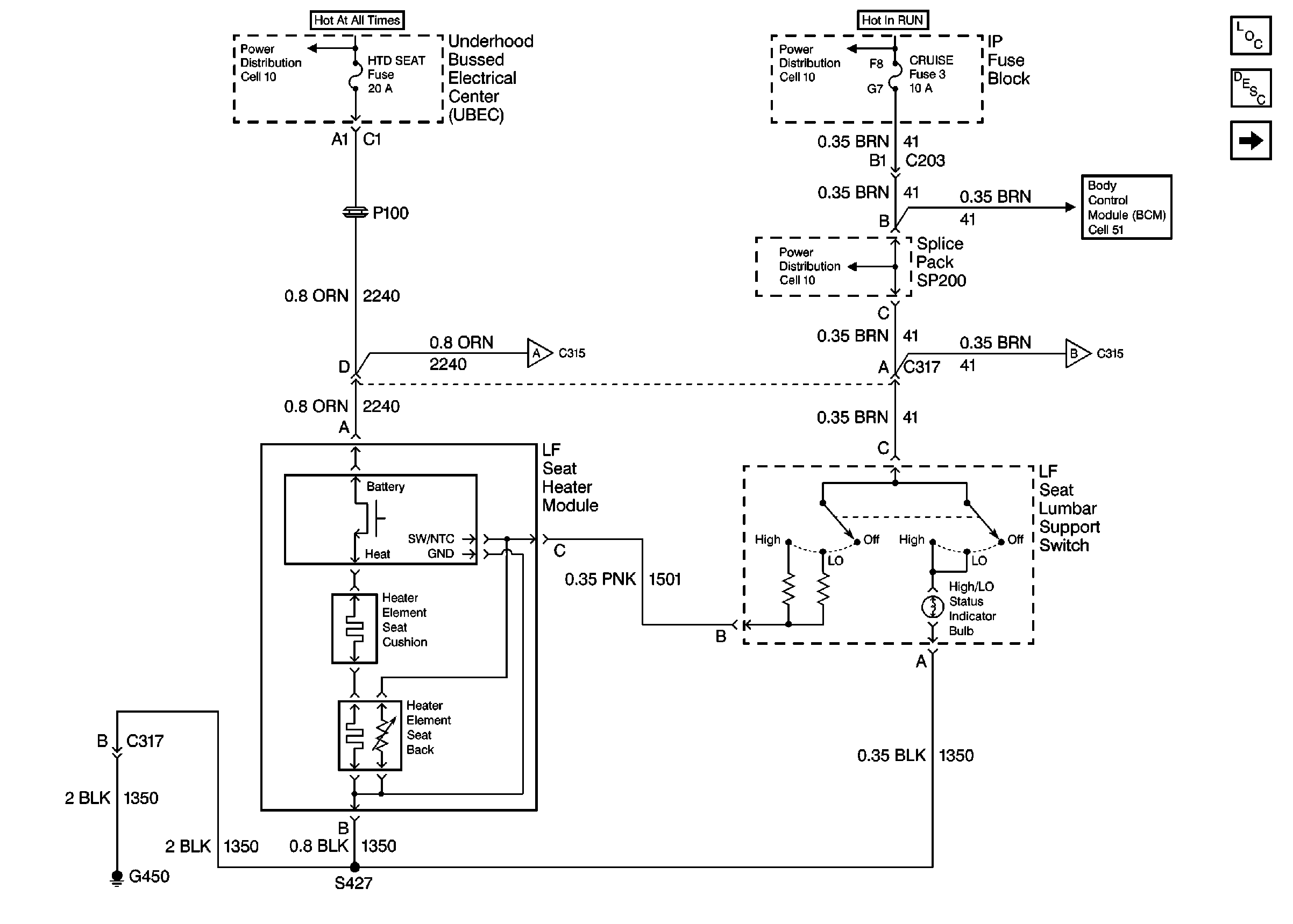
Figure
1:
Cell 143: Seat Heater Module
Heated Seats Circuit Description
Cell 143: Seat Heater Module
Body Control System Schematics
Power Distribution Schematics
Power Distribution Schematics
Figure
2:
Cell 143: Seat Heater Module
Power Seat Systems Components
Heated Seats Circuit Description
Cell 143: Seat Heater Module
Cell 143: Seat Heater Module
Cell 143: Seat Heater Module
Cell 14: G420 and G450 (Utility w/ Endgate)