GM Service Manual Online
For 1990-2009 cars only
Makes
🢒
Chevrolet
🢒
1998
🢒
Blazer - 4WD
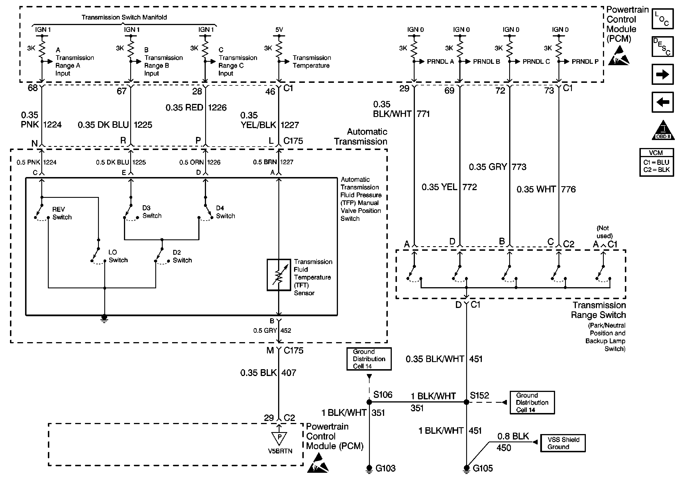
🢒 Automatic Transmission Switch Inputs
Automatic Transmission Switch Inputs
Automatic Transmission Switch Inputs
Engine Controls Components
Powertrain Control Module Description
Vehicle Speed Sensor W/O Cruise Control
Automatic Transmission Valve Controls
OBD II Symbol Description Notice
Handling Electrostatic Discharge Sensitive Parts Notice
Handling Electrostatic Discharge Sensitive Parts Notice
Vehicle Speed Sensor W/ Cruise Control