GM Service Manual Online
For 1990-2009 cars only
Makes
🢒
Chevrolet
🢒
1998
🢒
Blazer - 4WD
🢒 Cell 138 (4-Door Utility w/ Column Shift)
Cell 138 (4-Door Utility w/ Column Shift)
Cell 138 (4-Door Utility w/ Column Shift)
Tilt Wheel/Column Components
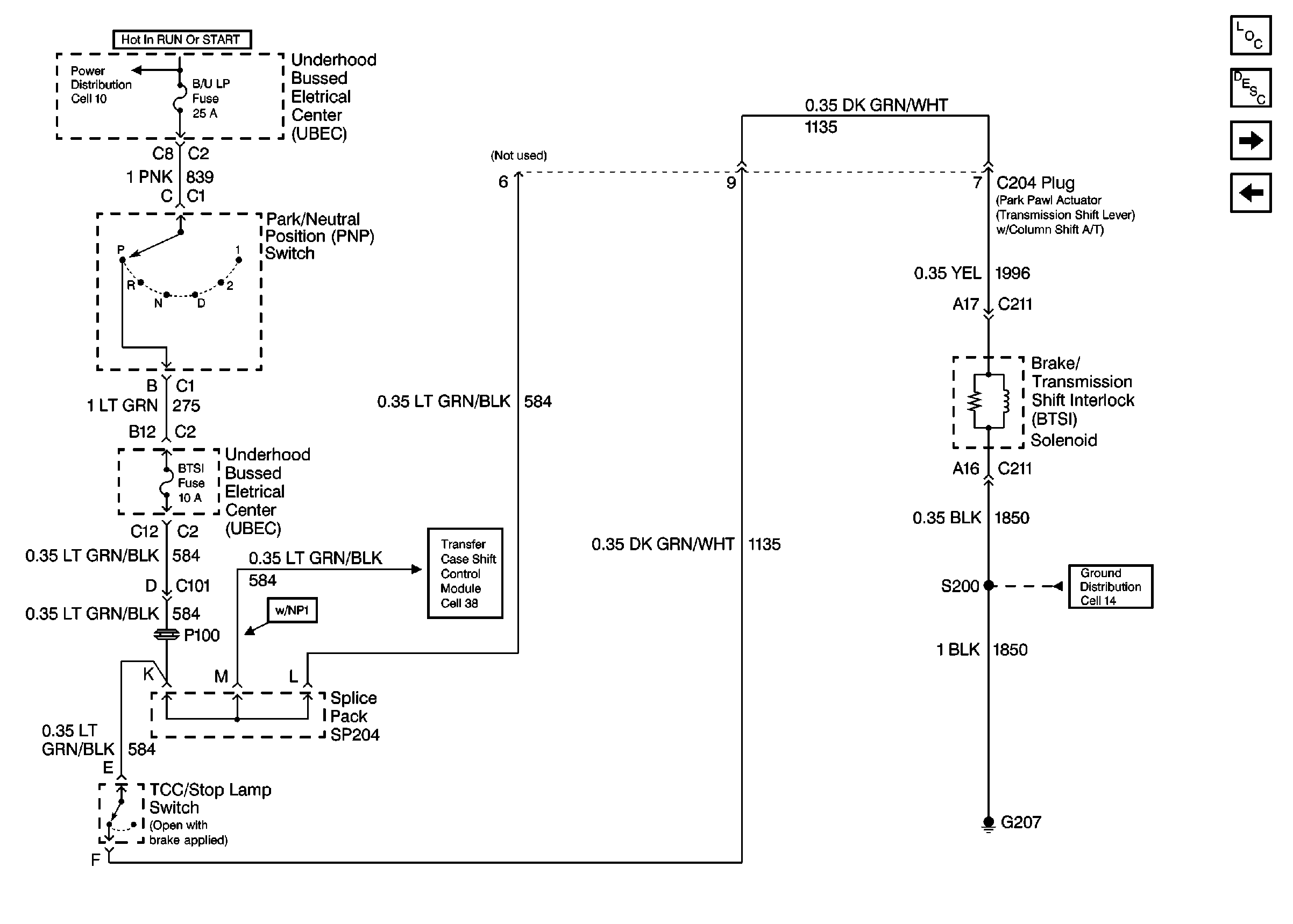
Automatic Transmission Shift Lock Control Circuit Description
Cell 138 (Utility w/ Floor Shift)
Cell 138 (Pickup and 2-Door Utility w/ Column Shift)