GM Service Manual Online
For 1990-2009 cars only
Makes
🢒
Chevrolet
🢒
2001
🢒
Blazer - 4WD
🢒
Suspension
🢒
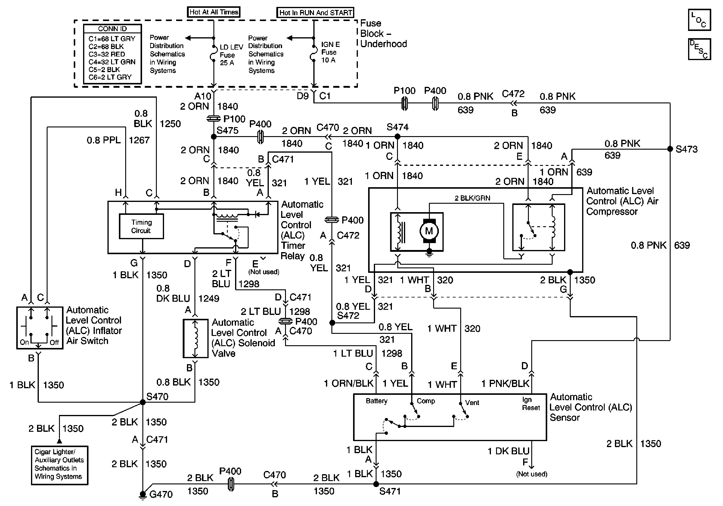
Automatic Level Control
🢒 Automatic Level Control Schematics
Master Electrical Component List
Automatic Level Control Description and Operation
B+ Bus Bar
Ign RUN and START Bus Bar
Envoy Only