GM Service Manual Online
For 1990-2009 cars only
Makes
🢒
Chevrolet
🢒
2001
🢒
Blazer - 4WD
🢒 Power and Ground
Power and Ground
Power and Ground
Master Electrical Component List
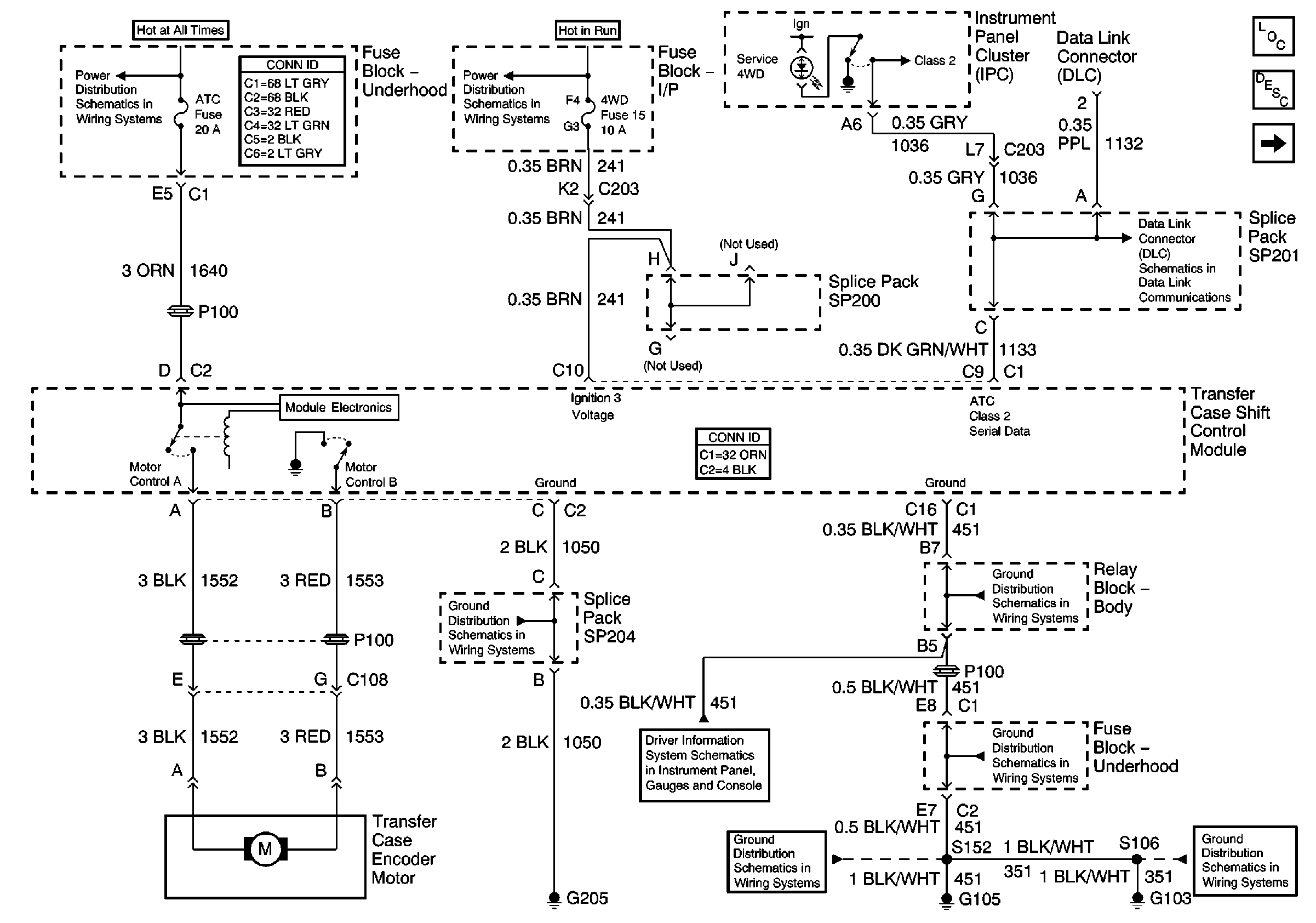
Transfer Case Description and Operation
Speed Sensors
B+ Bus Bar
Ign ACC, RUN and RAP Bus Bar
SP201 (4.3L)
G204 and G205 (Envoy)
w/o Trip Computer
G103 and G105 (4.3 L)
G103 and G105 (4.3 L)
G103 and G105 (4.3 L)
G103 and G105 (4.3 L)