GM Service Manual Online
For 1990-2009 cars only
Makes
🢒
Chevrolet
🢒
2001
🢒
Blazer - 4WD
🢒 Except Envoy
Except Envoy
Except Envoy
Master Electrical Component List
Envoy Only
INT BATT Fuse
AUX PWR, RDO BATT and HDLP SW Fuses
Power, Ground, Transfer Case Shift Control Module and Vehicle InterfacE Unit (VIU)
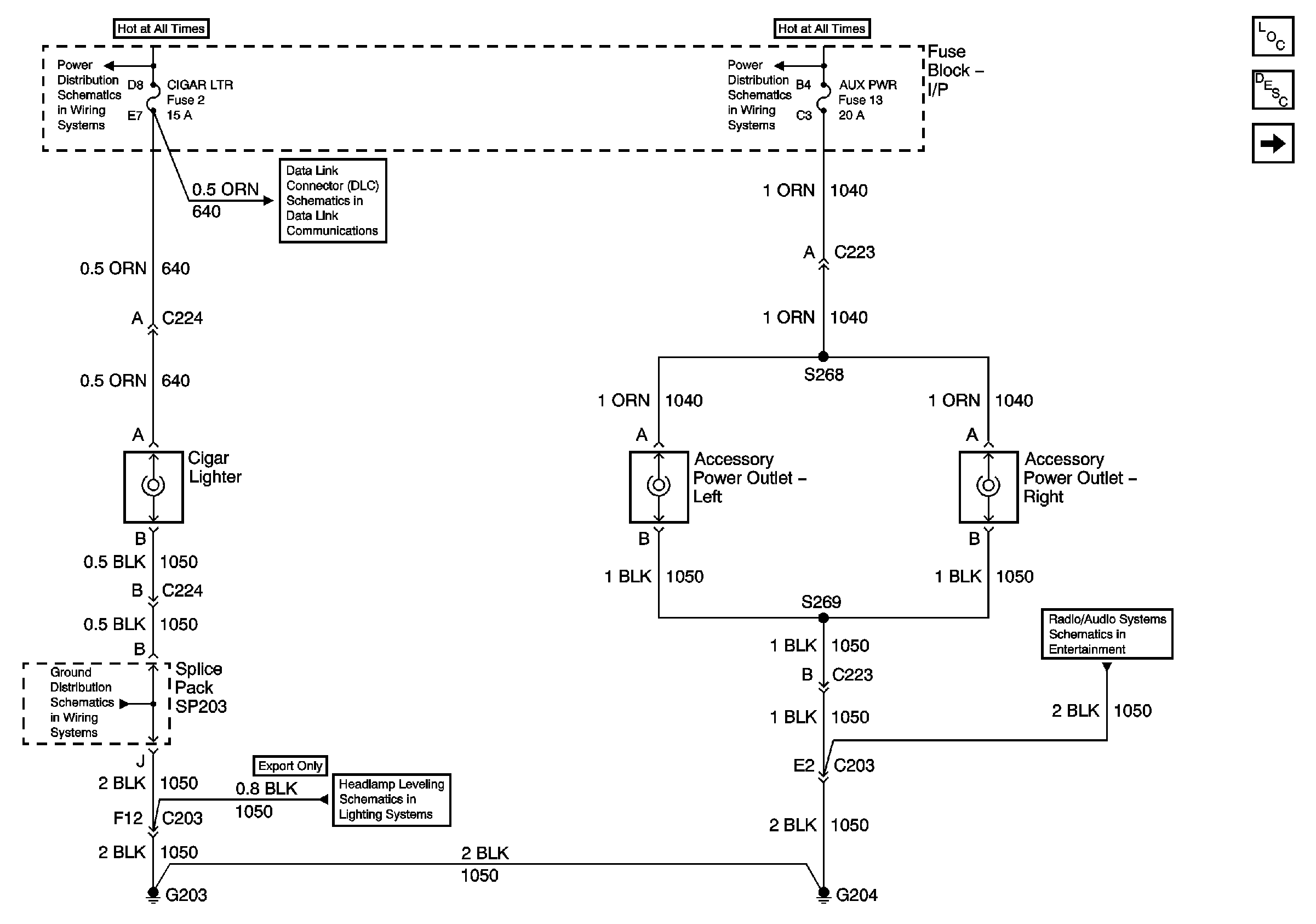
G203 and G204 (Pickup)
Headlight Leveling Schematics (Export)
Audio Amplifier Power and Ground (Chevy/GMC)