GM Service Manual Online
For 1990-2009 cars only
Figure 1:

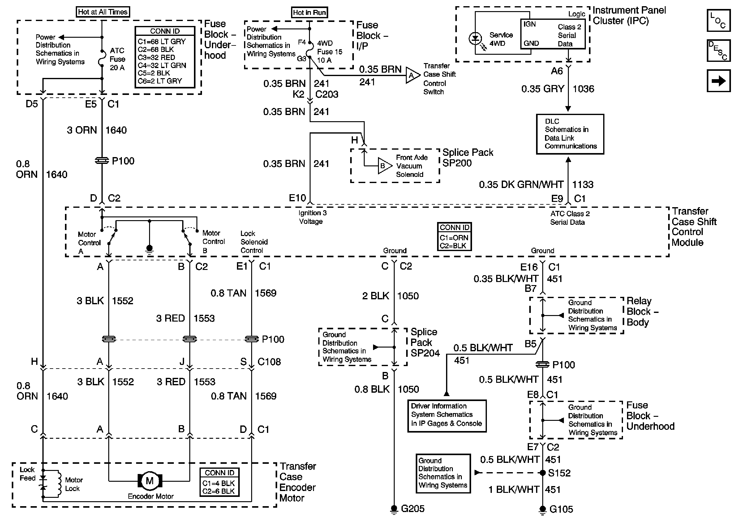
Power, Ground and Transfer Case Encoder Motor


Object Number: 755626  Size: FS
Master Electrical Component List
Transfer Case Description and Operation
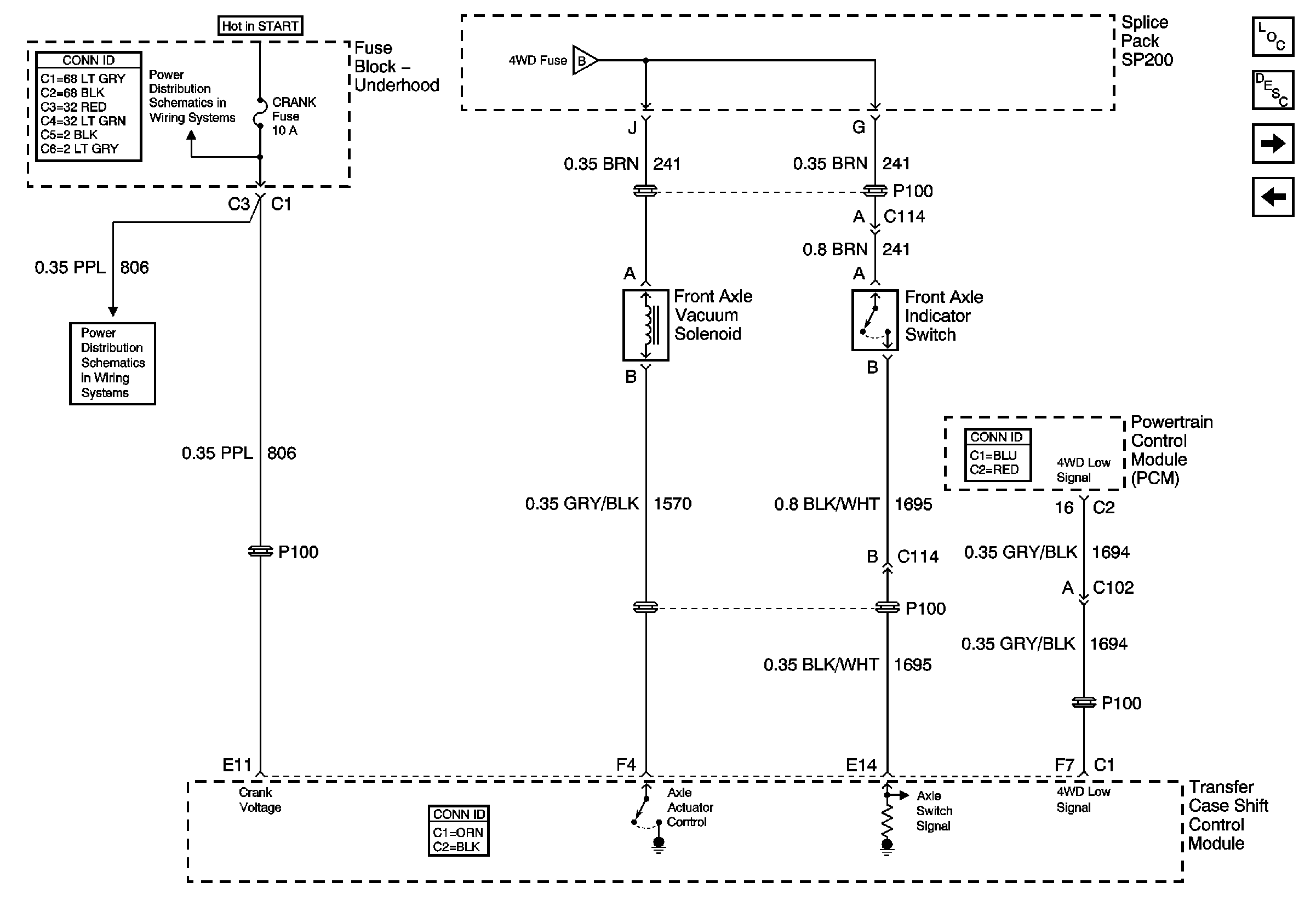
CRANK Fuse, Front Axle Indicator Switch, and Front Axle Vacuum Solenoid
B+ Bus Bar
Ign ACC, RUN and RAP Bus Bar
ILLUM Fuse, Shift Control Switch and Body Control Module (BCM)
CRANK Fuse, Front Axle Indicator Switch, and Front Axle Vacuum Solenoid
G205 (Utility and Crew Cab)
Power and Ground (w/ Trip Computer)
G103 and G105 (4.3 L)
SP201 (2.2L)
G103 and G105 (4.3 L)
G103 and G105 (4.3 L)
Figure 2:

CRANK Fuse, Front Axle Indicator Switch, and Front Axle Vacuum Solenoid


Object Number: 755629  Size: FS
Master Electrical Component List
Transfer Case Description and Operation
ILLUM Fuse, Shift Control Switch and Body Control Module (BCM)
Power, Ground and Transfer Case Encoder Motor
CRANK and CLSTR Fuses
CRANK and CLSTR Fuses
Power, Ground and Transfer Case Encoder Motor
Figure 3:

ILLUM Fuse, Shift Control Switch and Body Control Module (BCM)


Object Number: 755630  Size: FS
Master Electrical Component List
Transfer Case Description and Operation
Transfer Case Encoder Motor and Shift Control Module
CRANK Fuse, Front Axle Indicator Switch, and Front Axle Vacuum Solenoid
ILLUM and PARK LP Fuses
ILLUM Fuse 12
G203 and G204 (Utility w/ Manual A/C)
G203 and G204 (Utility w/ Manual A/C)
Headlight Leveling Schematics
LED Dimming Signal
G203 and G204 (Utility w/ Manual A/C)
Power, Ground and Transfer Case Encoder Motor
Figure 4:

Transfer Case Encoder Motor and Shift Control Module


Object Number: 755632  Size: FS
Master Electrical Component List
Transfer Case Description and Operation
Speed Sensors
ILLUM Fuse, Shift Control Switch and Body Control Module (BCM)
Figure 5:

Speed Sensors


Object Number: 755633  Size: FS
Master Electrical Component List
Transfer Case Description and Operation
Transfer Case Encoder Motor and Shift Control Module
Transfer Case Control Schematic Icons
Transfer Case Control Schematic Icons
Transfer Case Control Schematic Icons
Transfer Case Control Schematic Icons