GM Service Manual Online
For 1990-2009 cars only
Makes
🢒
Chevrolet
🢒
2002
🢒
Blazer - 4WD
🢒
Body and Accessories
🢒
Wiring Systems
🢒 Interior Lights Dimming Schematics
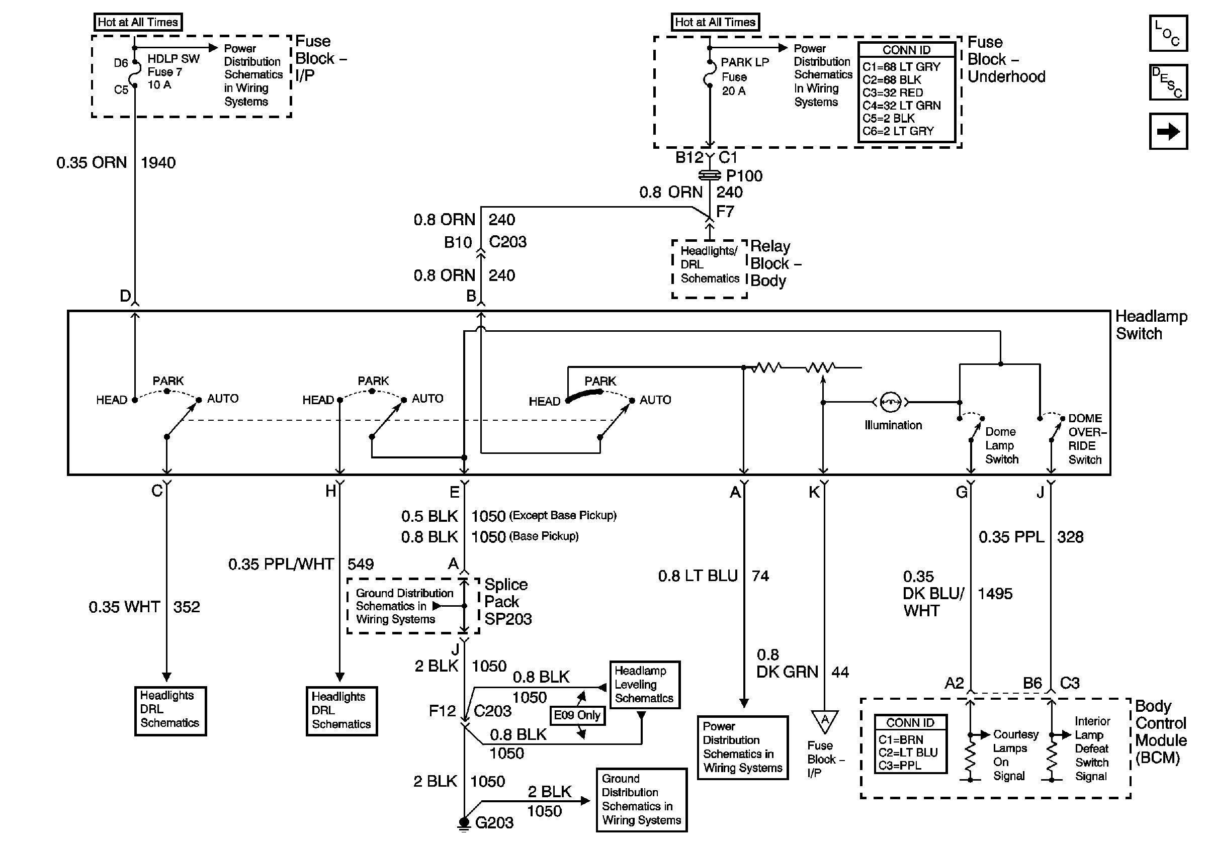
Figure
1:
Headlamp Switch
Master Electrical Component List
Interior Lighting Systems Description and Operation
ILLUM Fuse 12
AUX PWR, RDO BATT and HDLP SW Fuses
B+ Bus Bar
Headlamp Grounding Relay and BCM
Headlamp Switch, Ambient Light Sensor and BCM
Headlamp Switch, Ambient Light Sensor and BCM
G203 and G204 (Pickup)
Headlight Leveling Schematics
G203 and G204 (Pickup)
ILLUM and PARK LP Fuses
ILLUM Fuse 12
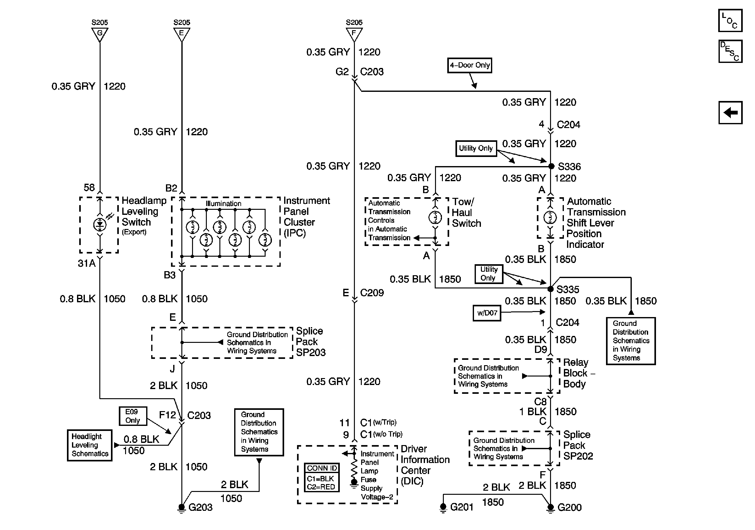
Figure
2:
ILLUM Fuse 12
Master Electrical Component List
Interior Lighting Systems Description and Operation
Steering Wheel Controls
Headlamp Switch
Headlamp Switch
Steering Wheel Controls
Instrument Panel Cluster, BCM, and Automatic Transmission Indicators
Steering Wheel Controls
LED Dimming Signal
Instrument Panel Cluster, BCM, and Automatic Transmission Indicators
Instrument Panel Cluster, BCM, and Automatic Transmission Indicators
Input
G203 and G204 (Pickup)
Ignition Controls
Headlight Leveling Schematics
G203 and G204 (Pickup)
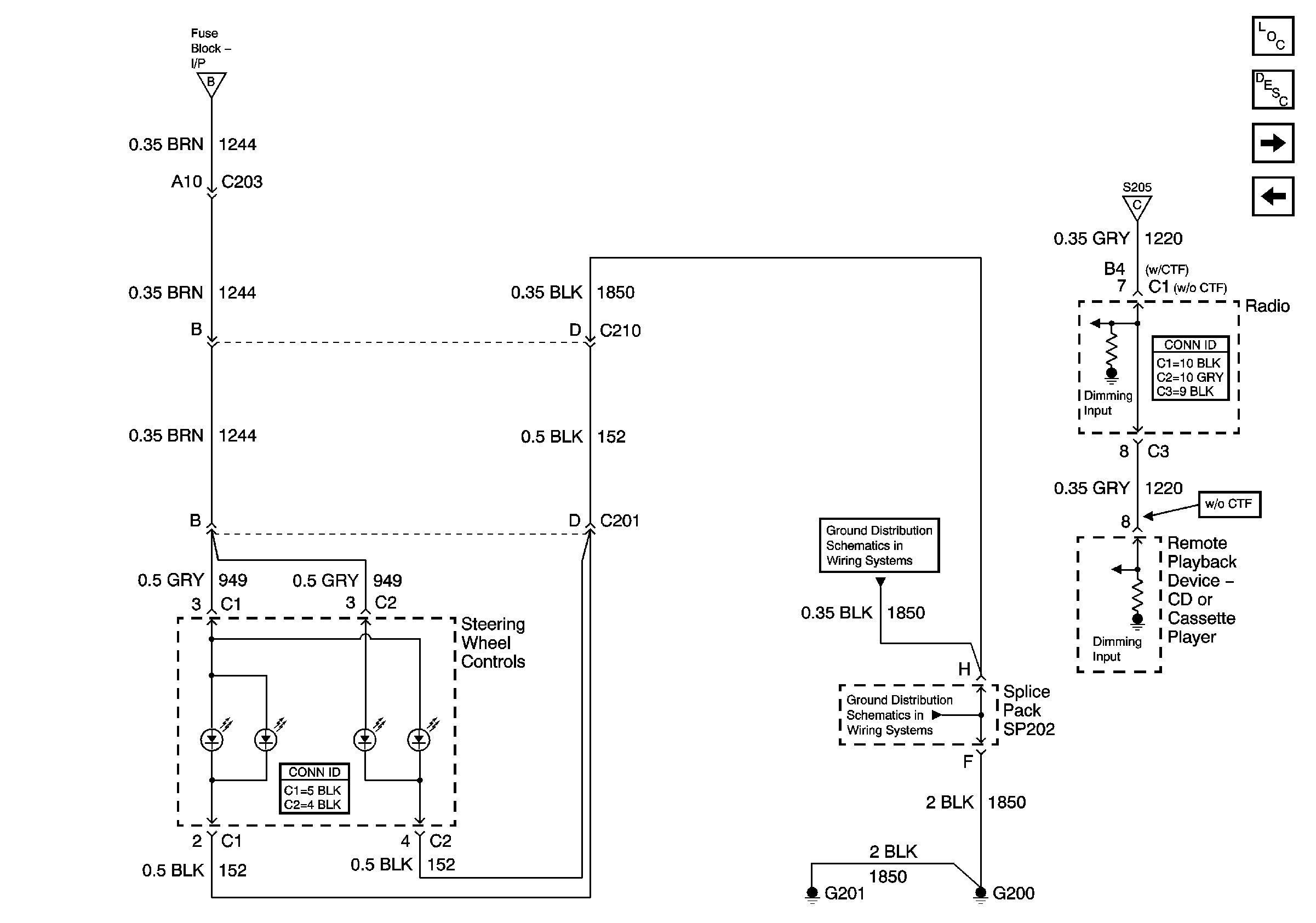
Figure
3:
Steering Wheel Controls
Master Electrical Component List
Interior Lighting Systems Description and Operation
LED Dimming Signal
ILLUM Fuse 12
ILLUM Fuse 12
ILLUM Fuse 12
G200, G201 and G207 (Utility)
G200, G201 and G207 (Utility)
Figure
4:
LED Dimming Signal
Master Electrical Component List
Interior Lighting Systems Description and Operation
Instrument Panel Cluster, BCM, and Automatic Transmission Indicators
Steering Wheel Controls
ILLUM Fuse 12
Figure
5:
Instrument Panel Cluster, BCM, and Automatic Transmission Indicators
Master Electrical Component List
Interior Lighting Systems Description and Operation
LED Dimming Signal
ILLUM Fuse 12
ILLUM Fuse 12
ILLUM Fuse 12
Brake Switch Input (4.3L) and Tow/Haul Switch
G203 and G204 (Pickup)
Headlight Leveling Schematics
G203 and G204 (Pickup)
G200, G201 and G207 (Utility)
G200, G201 and G207 (Utility)
G200, G201 and G207 (Utility)