GM Service Manual Online
For 1990-2009 cars only
Figure 1:

G111 and G112 (Except Export)


Object Number: 754475  Size: FS
Master Electrical Component List
G111 and G112 (Export)
Figure 2:

G111 and G112 (Export)


Object Number: 754477  Size: FS
Master Electrical Component List
G100, G101, G106, G107, G108, and G110
G111 and G112 (Except Export)
Figure 3:

G100, G101, G106, G107, G108, and G110


Object Number: 754478  Size: FS
Master Electrical Component List
G102 (Except Export)
G111 and G112 (Export)
Power and Grounding Schematic Icons
Figure 4:

G102 (Except Export)


Object Number: 754479  Size: FS
Master Electrical Component List
G102 (Export)
G100, G101, G106, G107, G108, and G110
Figure 5:

G102 (Export)


Object Number: 754480  Size: FS
Master Electrical Component List
G103 and G105 (2.2 L)
G102 (Except Export)
Figure 6:

G103 and G105 (2.2 L)


Object Number: 754482  Size: FS
Master Electrical Component List
G103 and G105 (4.3 L)
G102 (Export)
Figure 7:

G103 and G105 (4.3 L)


Object Number: 754483  Size: FS
Master Electrical Component List
G104 and G117
G103 and G105 (2.2 L)
Figure 8:

G104 and G117


Object Number: 754484  Size: FS
Master Electrical Component List
G200, G201 and G207 (Pickup and Crew Cab)
G103 and G105 (4.3 L)
Figure 9:

G200, G201 and G207 (Pickup and Crew Cab)


Object Number: 754485  Size: FS
Master Electrical Component List
G200, G201 and G207 (Utility)
G103 and G105 (2.2 L)
G420,G450 and S427 (Utility and Crew Cab)
Figure 10:

G200, G201 and G207 (Utility)


Object Number: 754486  Size: FS
Master Electrical Component List
G200, G201 and G207 (Export)
G200, G201 and G207 (Pickup and Crew Cab)
Figure 11:

G200, G201 and G207 (Export)


Object Number: 754487  Size: FS
Master Electrical Component List
G202 (Pickup Except Crew Cab)
G200, G201 and G207 (Utility)
Figure 12:

G202 (Pickup Except Crew Cab)


Object Number: 754488  Size: FS
G200, G201 and G207 (Export)
Master Electrical Component List
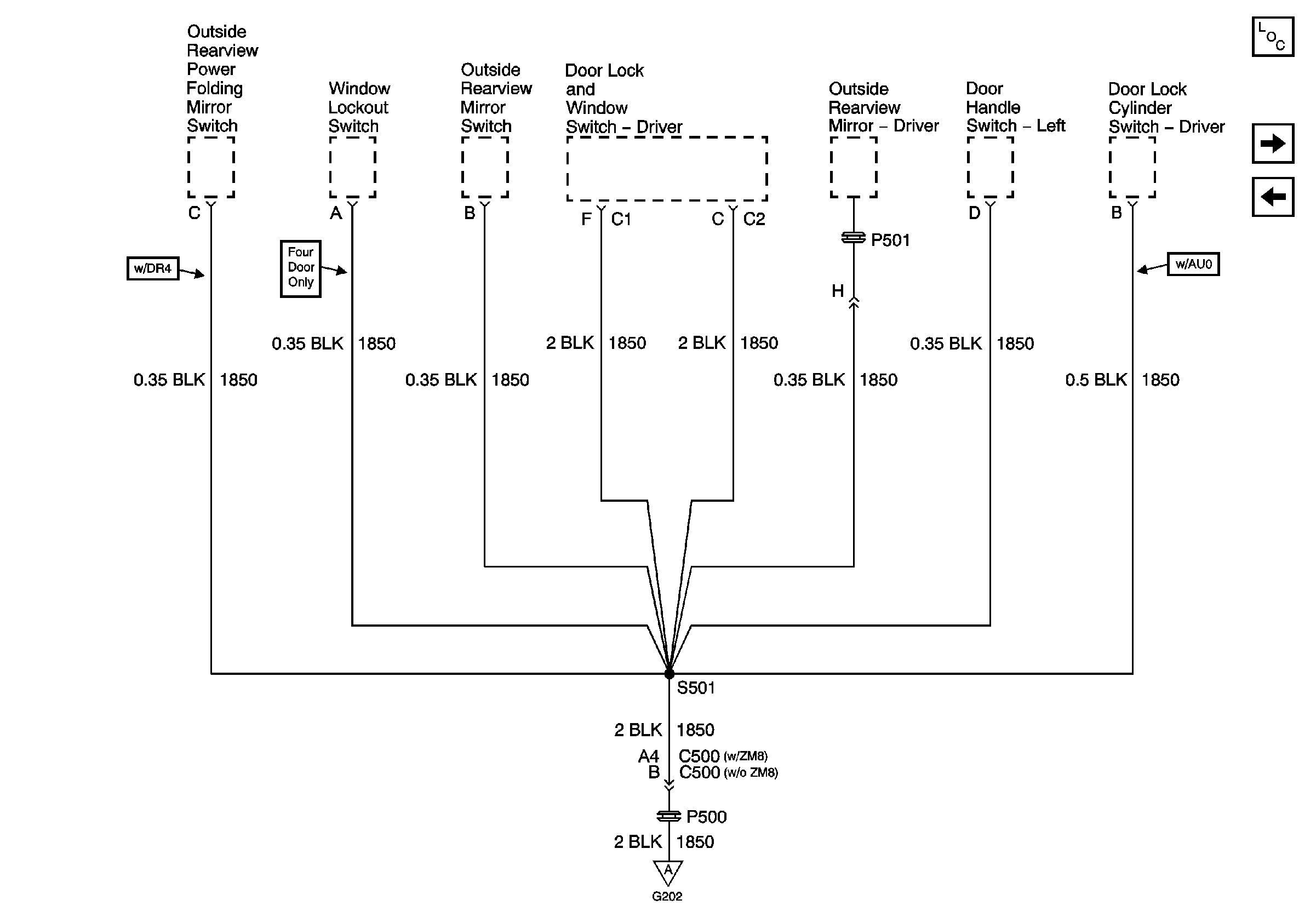
S501 (Utility)
Figure 13:

S501 (Utility)


Object Number: 754489  Size: FS
Master Electrical Component List
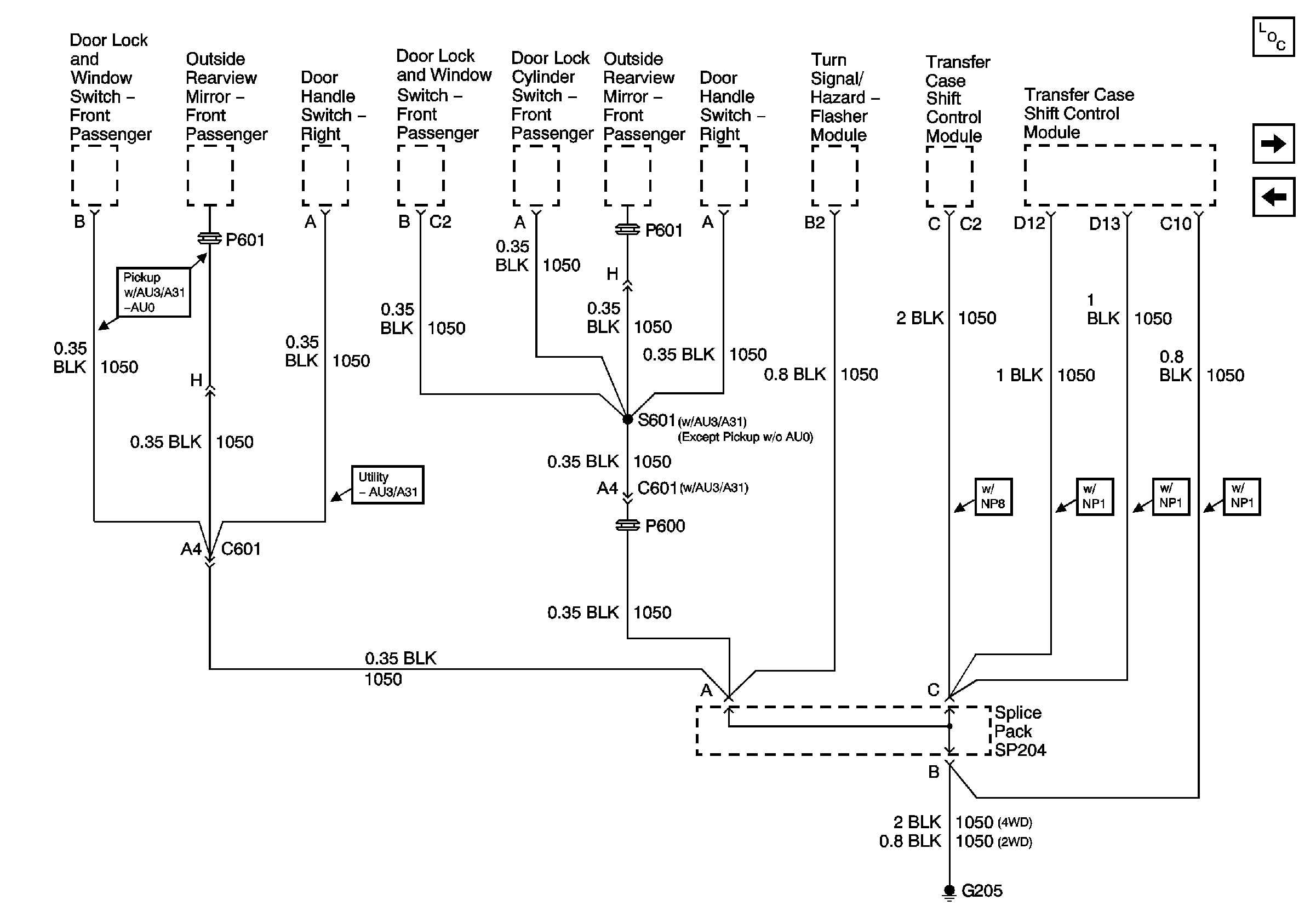
G202 (Utility and Crew Cab)
G202 (Pickup Except Crew Cab)
G202 (Utility and Crew Cab)
Figure 14:

G202 (Utility and Crew Cab)


Object Number: 754490  Size: FS
Master Electrical Component List
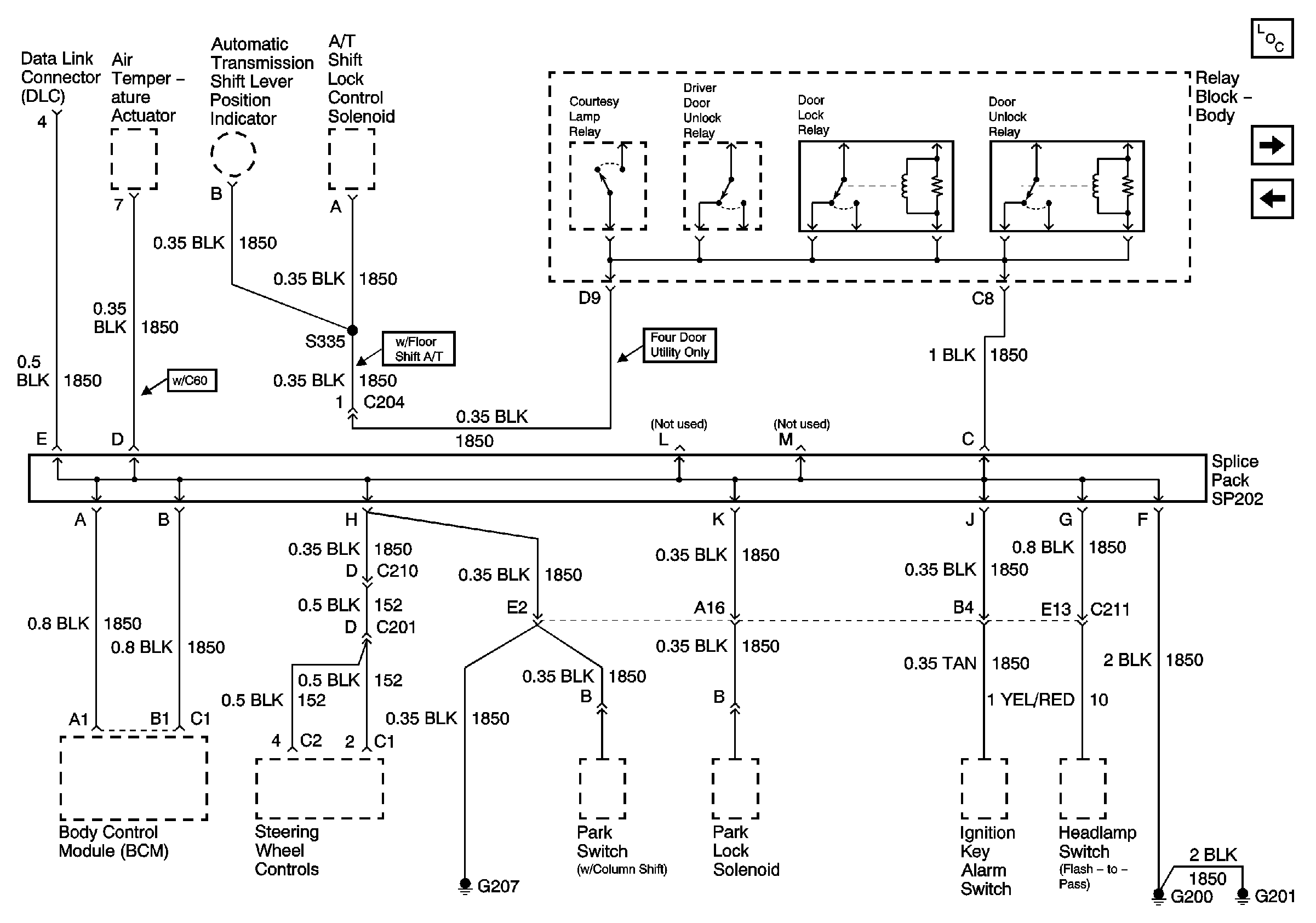
G203 and G204 (Pickup)
S501 (Utility)
S501 (Utility)
Figure 15:

G203 and G204 (Pickup)


Object Number: 877618  Size: FS
Master Electrical Component List
G203 and G204 (Utility w/ Manual A/C)
G202 (Utility and Crew Cab)
Figure 16:

G203 and G204 (Utility w/ Manual A/C)


Object Number: 877619  Size: FS
Master Electrical Component List
G203 and G204 (Utility w/ Automatic A/C)
G203 and G204 (Pickup)
Figure 17:

G203 and G204 (Utility w/ Automatic A/C)


Object Number: 754493  Size: FS
Master Electrical Component List
G205 (Utility and Crew Cab)
G203 and G204 (Utility w/ Manual A/C)
Figure 18:

G205 (Utility, Crew Cab and Maxi-Cab)


Object Number: 754495  Size: FS
Master Electrical Component List
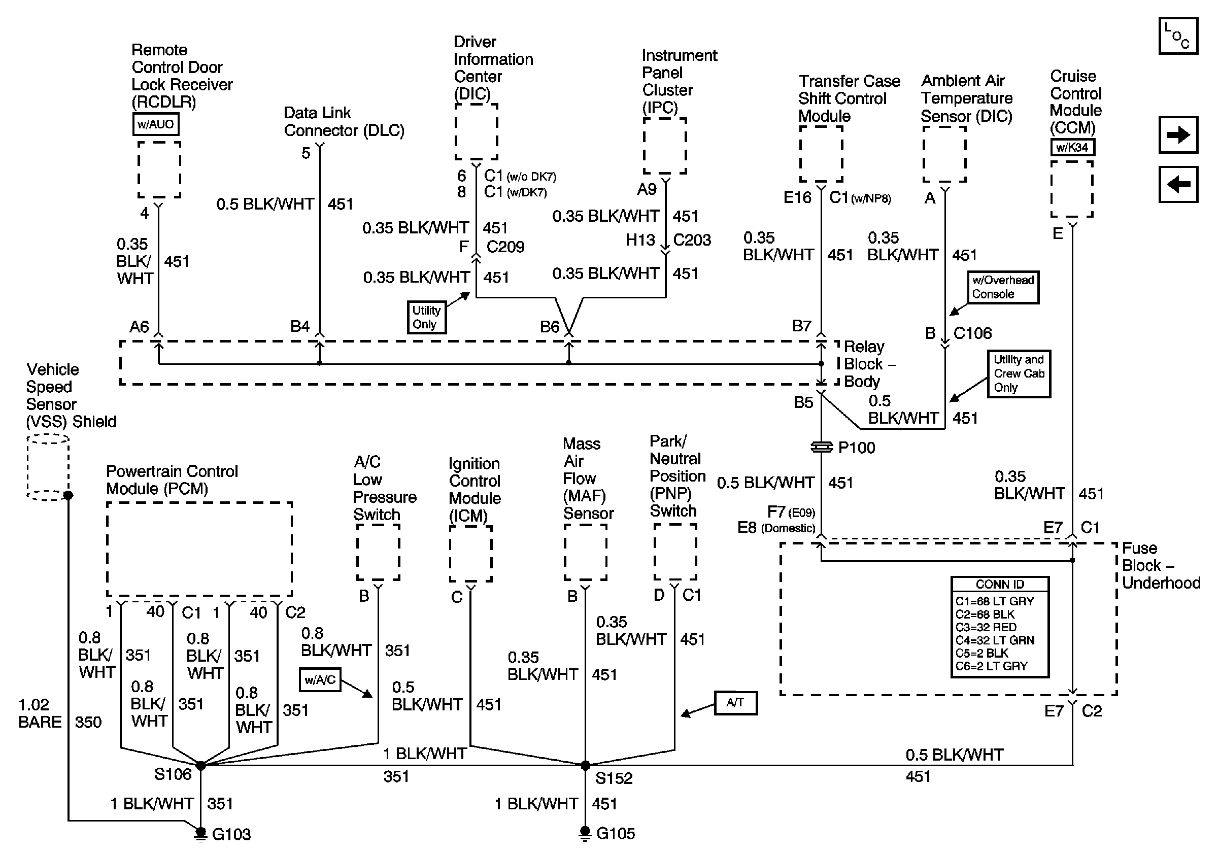
S313 and S419
G203 and G204 (Utility w/ Automatic A/C)
Figure 19:

S313 and S419


Object Number: 754496  Size: FS
Master Electrical Component List
S320 and S420
G205 (Utility and Crew Cab)
G420,G450 and S427 (Utility and Crew Cab)
G420,G450 and S427 (Utility and Crew Cab)
Figure 20:

S320 and S420


Object Number: 754497  Size: FS
Master Electrical Component List
G420,G450 and S427 (Utility and Crew Cab)
S313 and S419
S313 and S419
G420,G450 and S427 (Utility and Crew Cab)
G420,G450 and S427 (Utility and Crew Cab)
Figure 21:

G420, G450 and S427 Utility and Crew Cab


Object Number: 754498  Size: FS
Master Electrical Component List
G402, G422 and G475 (Fleetside Pickup)
S320 and S420
G200, G201 and G207 (Pickup and Crew Cab)
S313 and S419
S320 and S420
S313 and S419
S320 and S420
Figure 22:

G402, G422 and G475 (Fleetside Pickup)


Object Number: 754499  Size: FS
Master Electrical Component List
G402, G422 and G475 (Sportside Pickup)
G420,G450 and S427 (Utility and Crew Cab)
Figure 23:

G402, G422 and G475 (Sportside Pickup)


Object Number: 754501  Size: FS
Master Electrical Component List
G402 and G421 (Utility)
G402, G422 and G475 (Fleetside Pickup)
Figure 24:

G402 and G421 (Utility)


Object Number: 754502  Size: FS
Master Electrical Component List
G402, G422 and G475 (Sportside Pickup)