GM Service Manual Online
For 1990-2009 cars only
Figure 1:

6-Way Power Seat


Object Number: 755935  Size: FS
Master Electrical Component List
Power Seats System Description and Operation
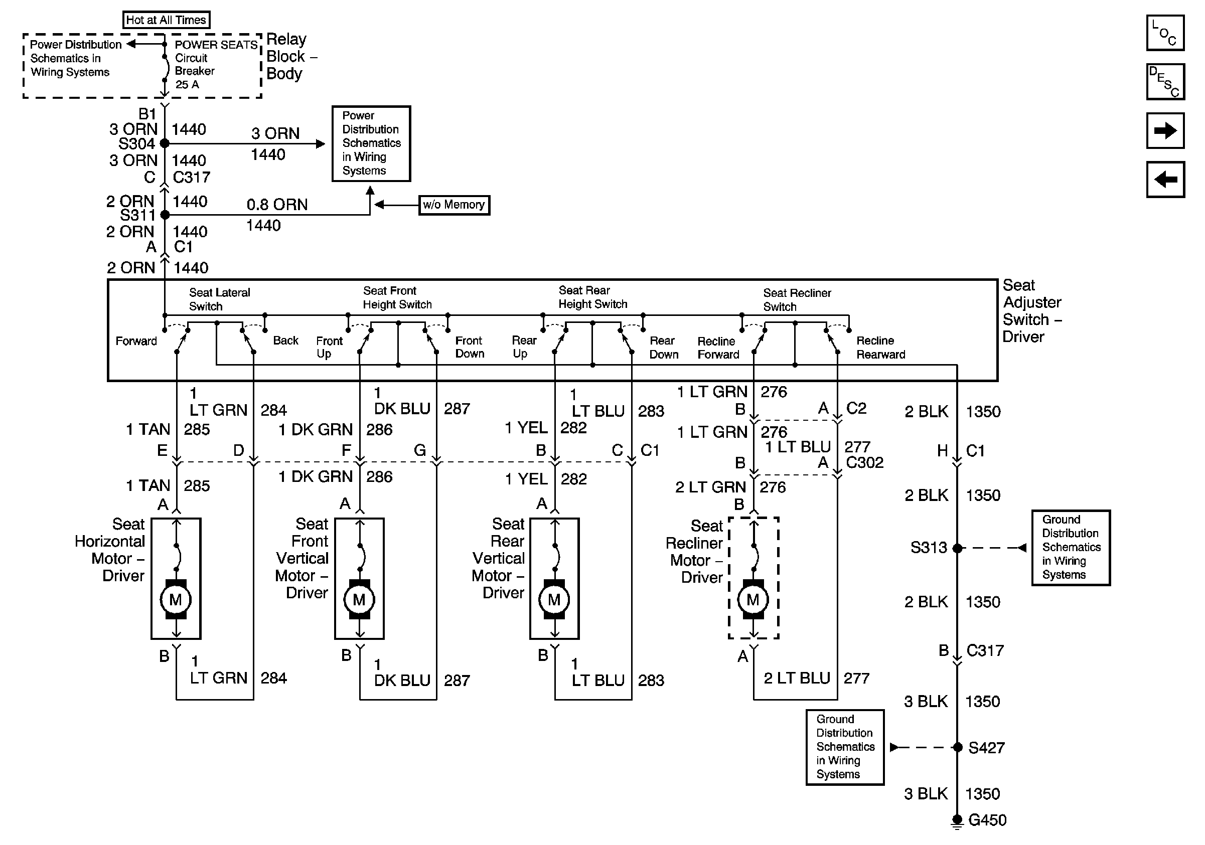
8-Way Power Seat
POWER SEATS, POWER WINDOW Circuit Breakers and RAP Relay
POWER SEATS, POWER WINDOW Circuit Breakers and RAP Relay
POWER SEATS, POWER WINDOW Circuit Breakers and RAP Relay
S320 and S420
G420, G450 and S427
Figure 2:

8-Way Power Seat


Object Number: 885737  Size: FS
Master Electrical Component List
Power Seats System Description and Operation
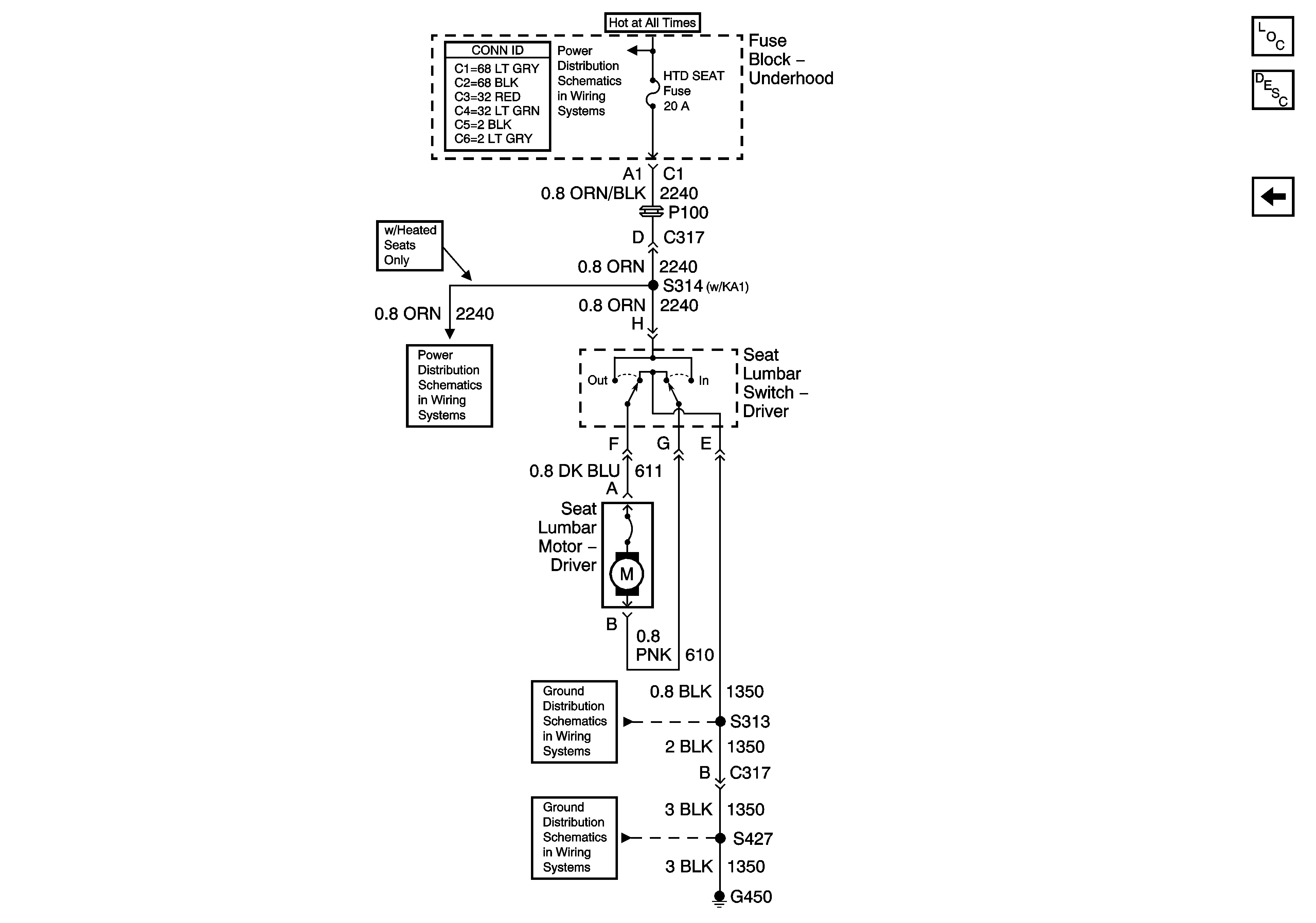
Lumbar and Heat Controls
6-Way Power Seats
POWER SEATS, POWER WINDOW Circuit Breakers and RAP Relay
POWER SEATS, POWER WINDOW Circuit Breakers and RAP Relay
G420, G450 and S427
S313 and S419
Figure 3:

Lumbar and Heat Controls


Object Number: 755943  Size: FS
Master Electrical Component List
Power Seats System Description and Operation
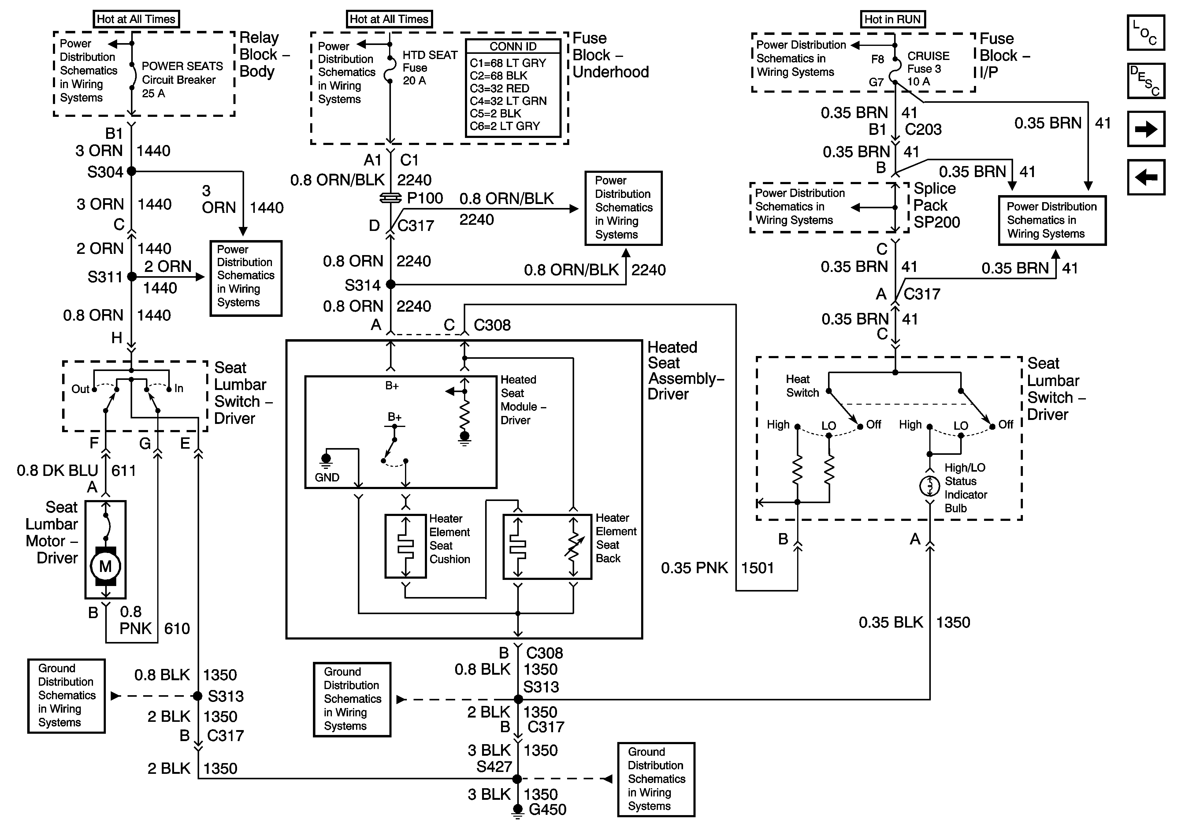
Memory Seats-Power,Ground and Switch
8-Way Power Seat
POWER SEATS, POWER WINDOW Circuit Breakers and RAP Relay
HTD SEAT, ATC, HVAC and A/C Fuses
POWER SEATS, POWER WINDOW Circuit Breakers and RAP Relay
Ign ACC, RUN and RAP Bus Bar
Ign RUN and START Bus Bar
HVAC and CRUISE Fuses
HVAC and CRUISE Fuses
S320 and S420
S320 and S420
G420, G450 and S427
Figure 4:

Memory Seat - Power, Ground


Object Number: 1509239  Size: FS
Master Electrical Component List
Power Seats System Description and Operation
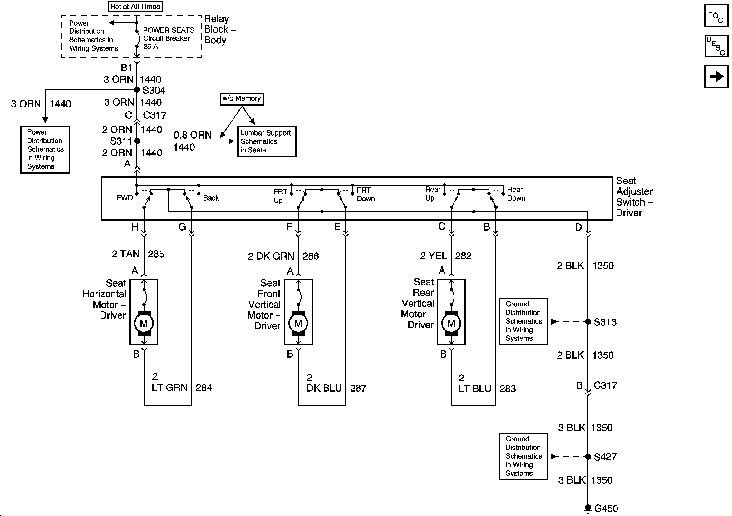
Memory Seat-Sensor and Motors
Lumbar and Heat Controls
POWER SEATS, POWER WINDOW Circuit Breakers and RAP Relay
POWER SEATS, POWER WINDOW Circuit Breakers and RAP Relay
04 S/T Classic DaClass 2 Serial Data
G420, G450 and S427
S320 and S420
Figure 5:

Memory Seat - Sensors and Motors


Object Number: 755940  Size: FS
Master Electrical Component List
Power Seats System Description and Operation
Memory Seat-Lumbar Controls
Memory Seats-Power,Ground and Switch
Figure 6:

Memory Seat - Lumbar Controls


Object Number: 755942  Size: FS
Master Electrical Component List
Power Seats System Description and Operation
Memory Seat-Sensor and Motors
HTD SEAT, ATC, HVAC and A/C Fuses
Ign ACC, RUN and RAP Bus Bar
S320 and S420
G420, G450 and S427