GM Service Manual Online
For 1990-2009 cars only
Makes
🢒
Chevrolet
🢒
2005
🢒
Blazer - 4WD
🢒
Vehicle Control Systems
🢒
Vehicle DTC Information
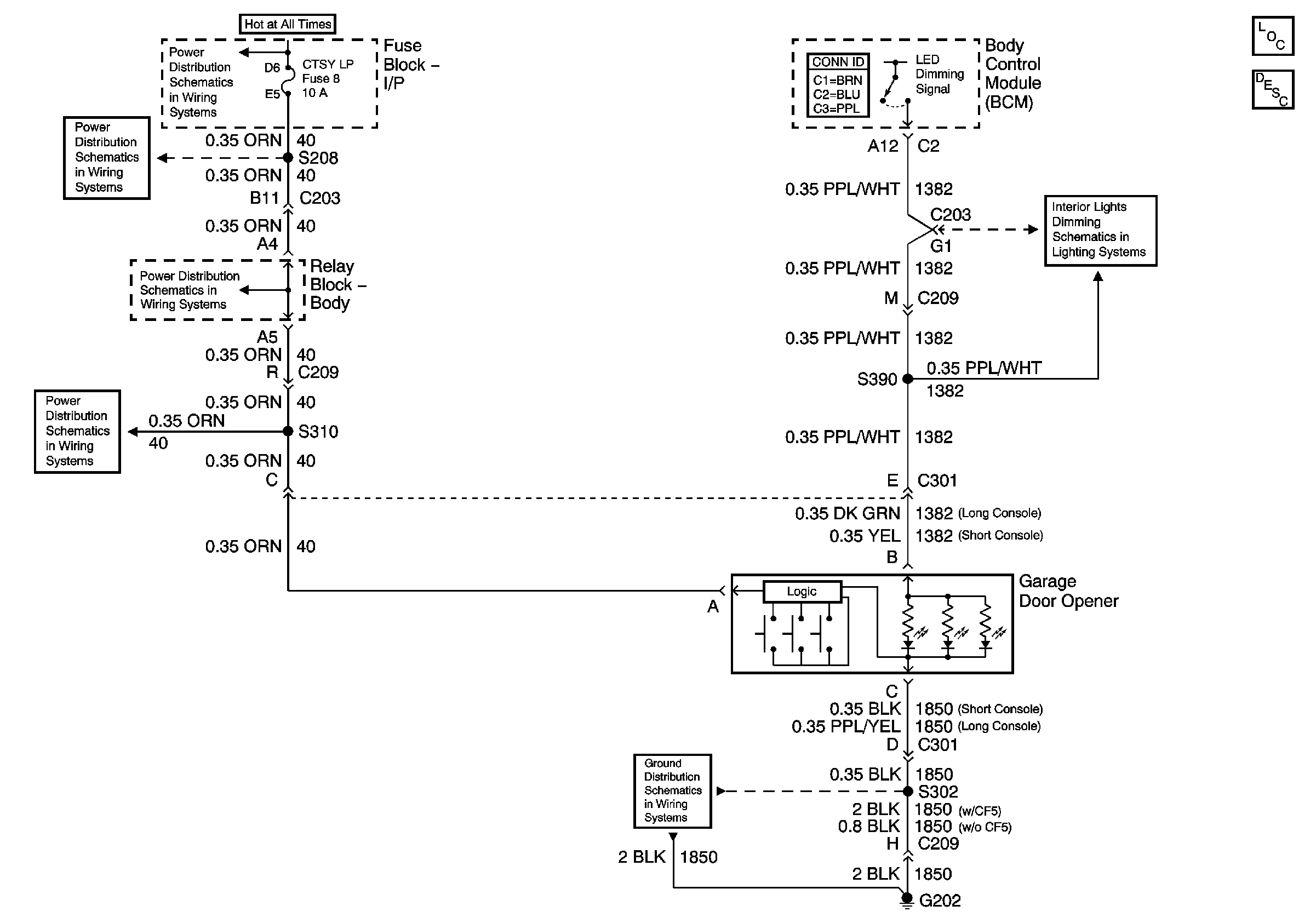
🢒 Garage Door Opener Schematics
Master Electrical Component List
Garage Door Opener Description and Operation
INT BATT, PWR LKS, AMPF, CTSY LP and CIGAR LTR Fuses
Inadvertent Power Relay
Inadvertent Power Relay
Inadvertent Power Relay
LED Dimming Signal
G202