GM Service Manual Online
For 1990-2009 cars only
Makes
🢒
Chevrolet
🢒
2005
🢒
Blazer - 4WD
🢒
Vehicle Control Systems
🢒
Vehicle DTC Information
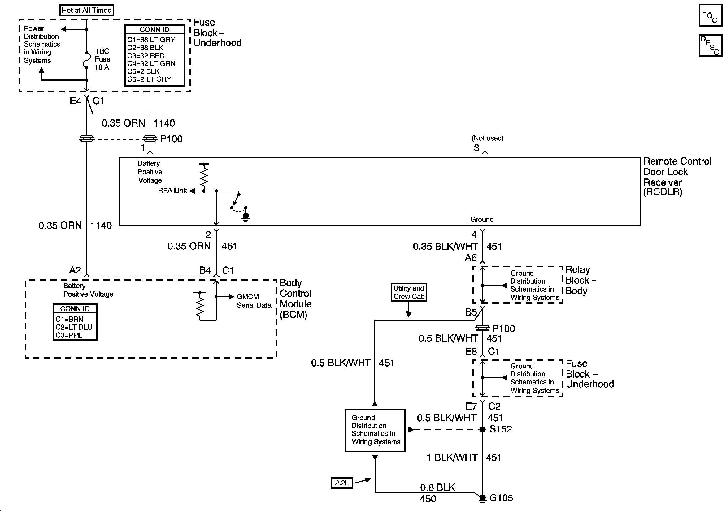
🢒 Keyless Entry Schematics
Master Electrical Component List
Keyless Entry System Description and Operation
STUD 2, ABS, HDLP W/W, TBC and RR W/W Fuses
G103 and G105 - 2.2L
G103 and G105 - 2.2L
G103 and G105 - 2.2L