GM Service Manual Online
For 1990-2009 cars only
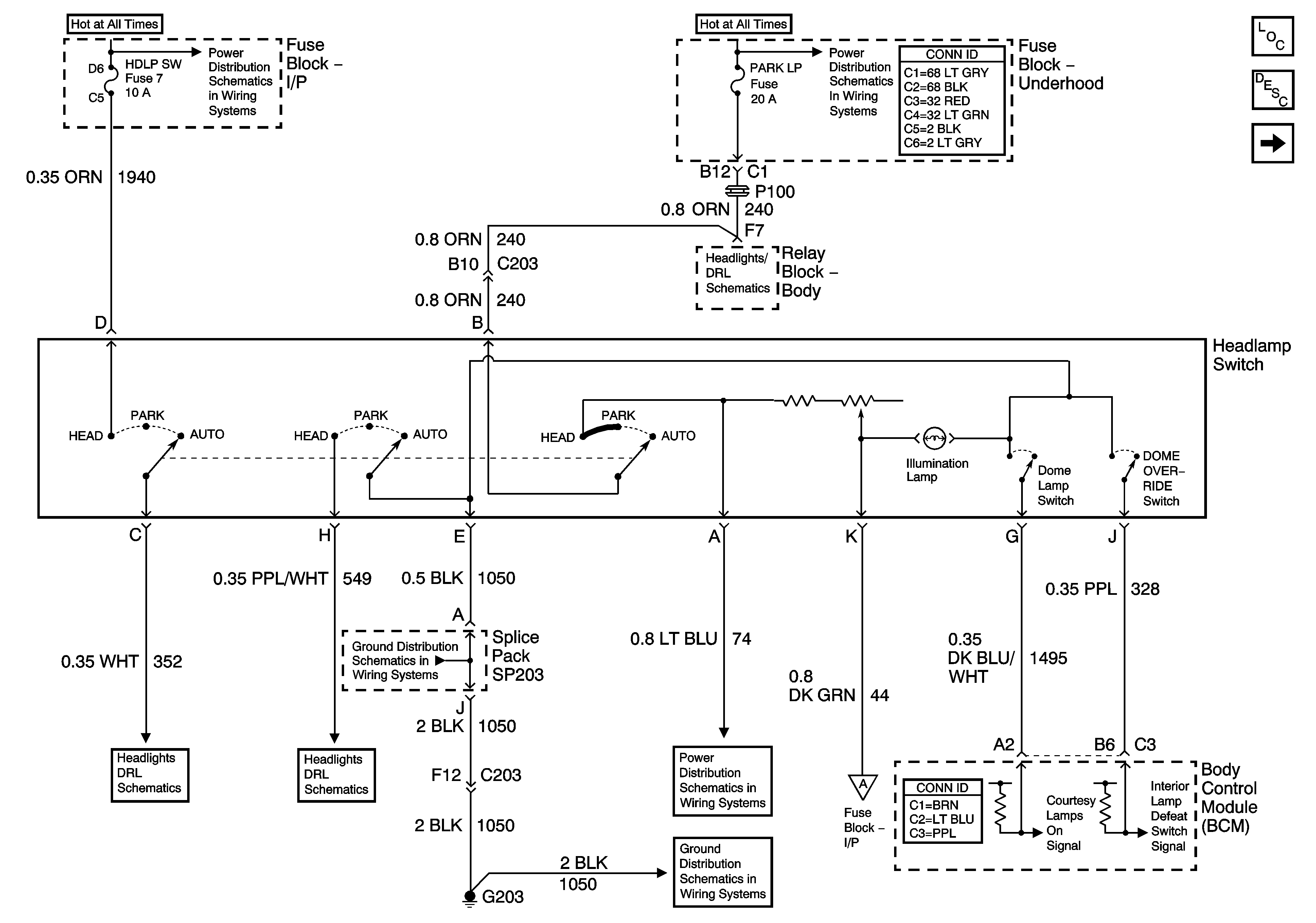
Figure 1:

Headlamp Switch


Object Number: 1509378  Size: FS
Master Electrical Component List
Interior Lighting Systems Description and Operation
ILLUM Fuse 12
B+ Bus Bar
B+ Bus Bar
Headlamp Grounding Relay and BCM
Headlamp Switch, Ambient Light Sensor and BCM
Headlamp Switch, Ambient Light Sensor and BCM
G203 and G204 - Pickup
G203 and G204 - Utility w/Manual A/C
G203 and G204 - Pickup
ILLUM, STG WHL ILLUM, and PARK LP Fuses
ILLUM Fuse 12
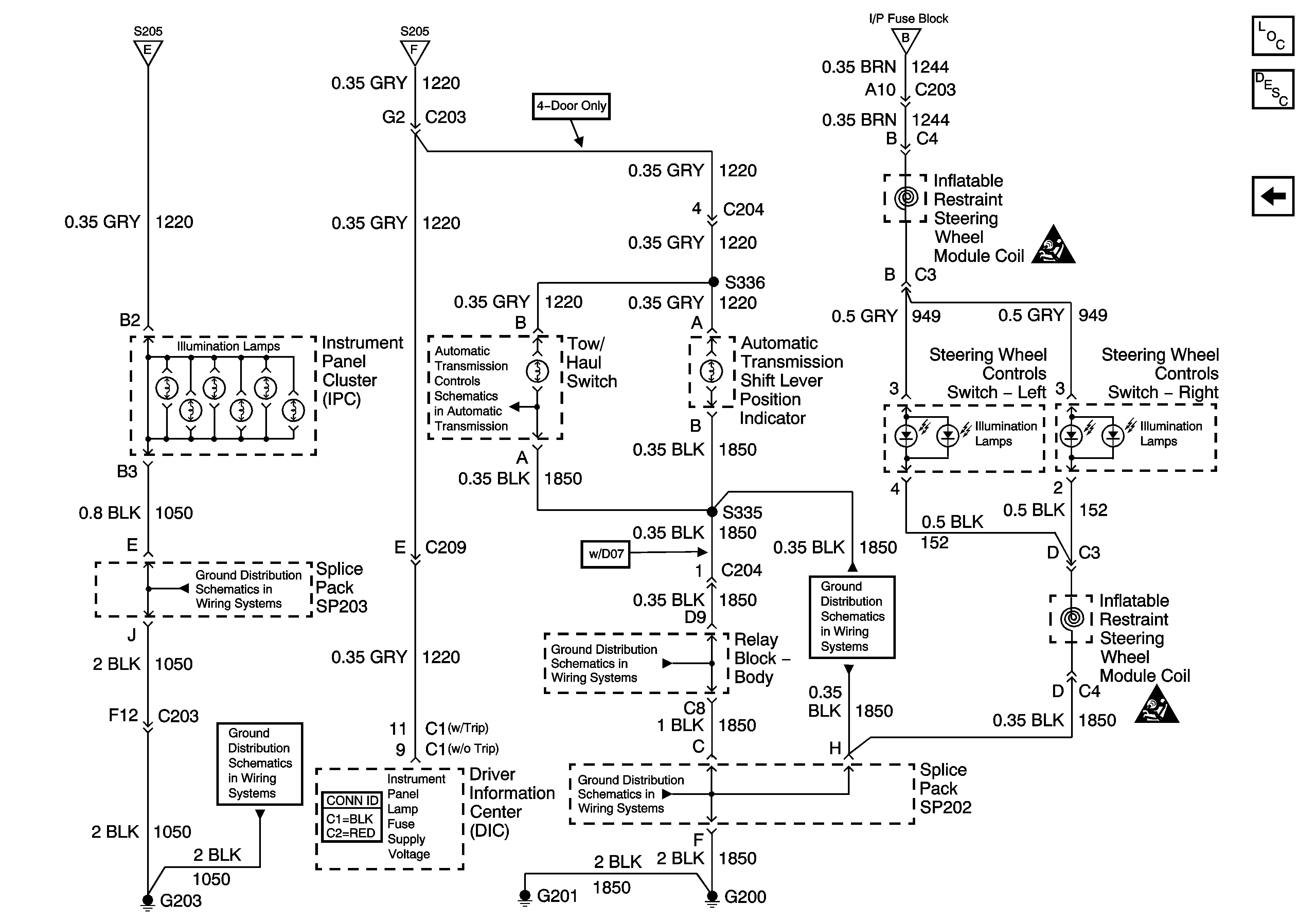
Figure 2:

ILLUM Fuse 12


Object Number: 879707  Size: FS
Master Electrical Component List
Interior Lighting Systems Description and Operation
Steering Wheel Controls
Headlamp Switch
Headlamp Switch
Steering Wheel Controls
G203 and G204 - Pickup
G203 and G204 - Pickup
G203 and G204 - Utility w/Manual A/C
G203 and G204 - Pickup
Input
Instrument Panel Cluster, BCM and Automatic Transmission Indicators
Steering Wheel Controls
LED Dimming Signal
Instrument Panel Cluster, BCM and Automatic Transmission Indicators
Instrument Panel Cluster, BCM and Automatic Transmission Indicators
Figure 3:

LED Dimming Signal


Object Number: 1509380  Size: FS
Master Electrical Component List
Interior Lighting Systems Description and Operation
Instrument Panel Cluster, BCM and Automatic Transmission Indicators
Steering Wheel Controls
ILLUM Fuse 12
Figure 4:

Instrument Panel Cluster, BCM and Automatic Transmission Indicators


Object Number: 1509382  Size: FS
Master Electrical Component List
Interior Lighting Systems Description and Operation
LED Dimming Signal
ILLUM Fuse 12
ILLUM Fuse 12
ILLUM Fuse 12
G203 and G204 - Utility w/Manual A/C
G203 and G204 - Pickup
G203 and G204 - Pickup
Brake Switch Input (4.3L) and Tow/Haul Switch
G200, G201 and G207 - Utility
G200, G201 and G207 - Utility
G200, G201 and G207 - Utility