GM Service Manual Online
For 1990-2009 cars only
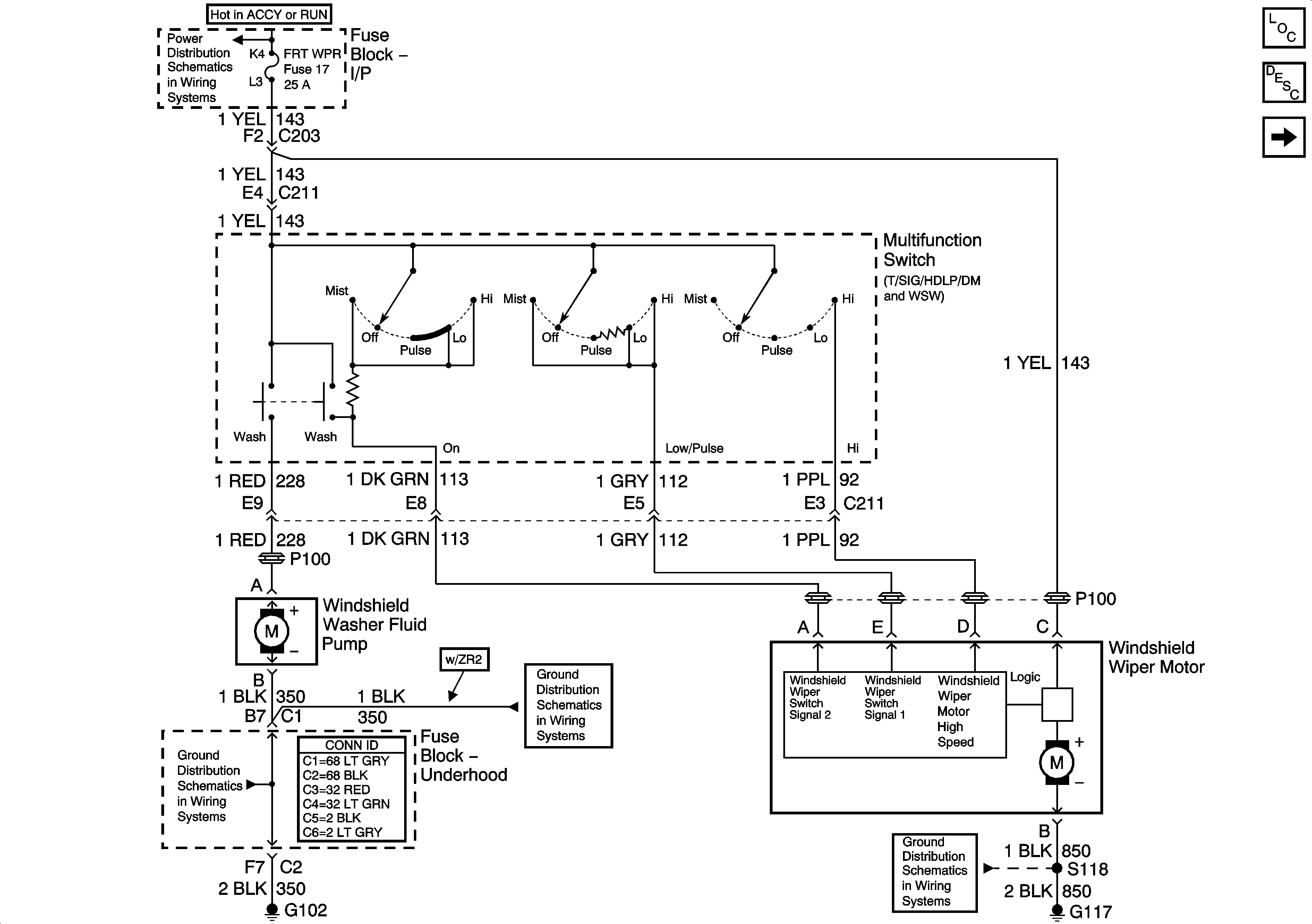
Figure 1:

Pulse Wipers


Object Number: 1509385  Size: FS
Master Electrical Component List
Wiper/Washer System Description and Operation
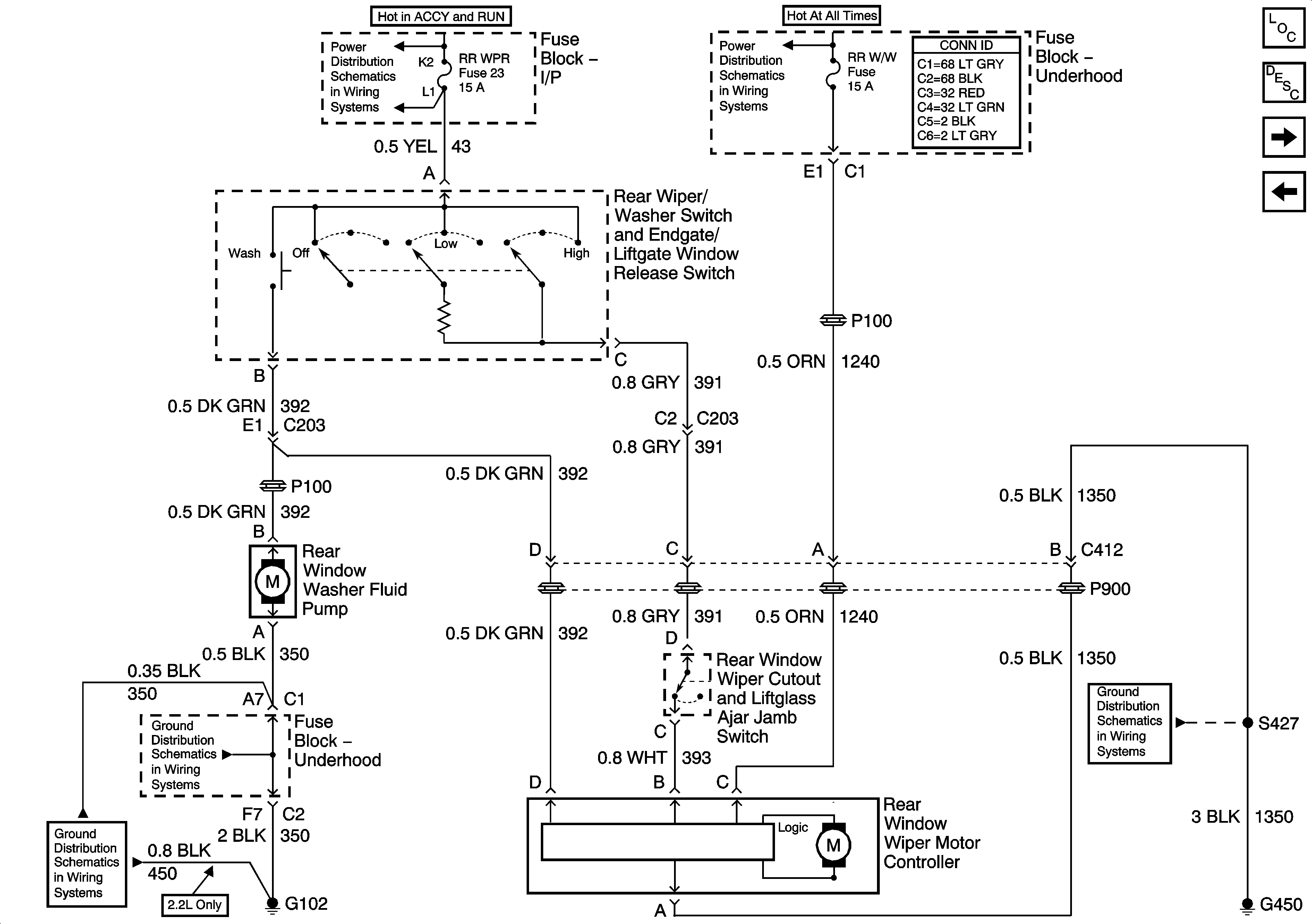
Rear Wipers
HVAC I Fuse
G102
Headlamp Washer System - Export Only
G102
G102
G104 and G117
Figure 2:

Rear Wipers


Object Number: 886273  Size: FS
Master Electrical Component List
Rear Wiper/Washer System Description and Operation
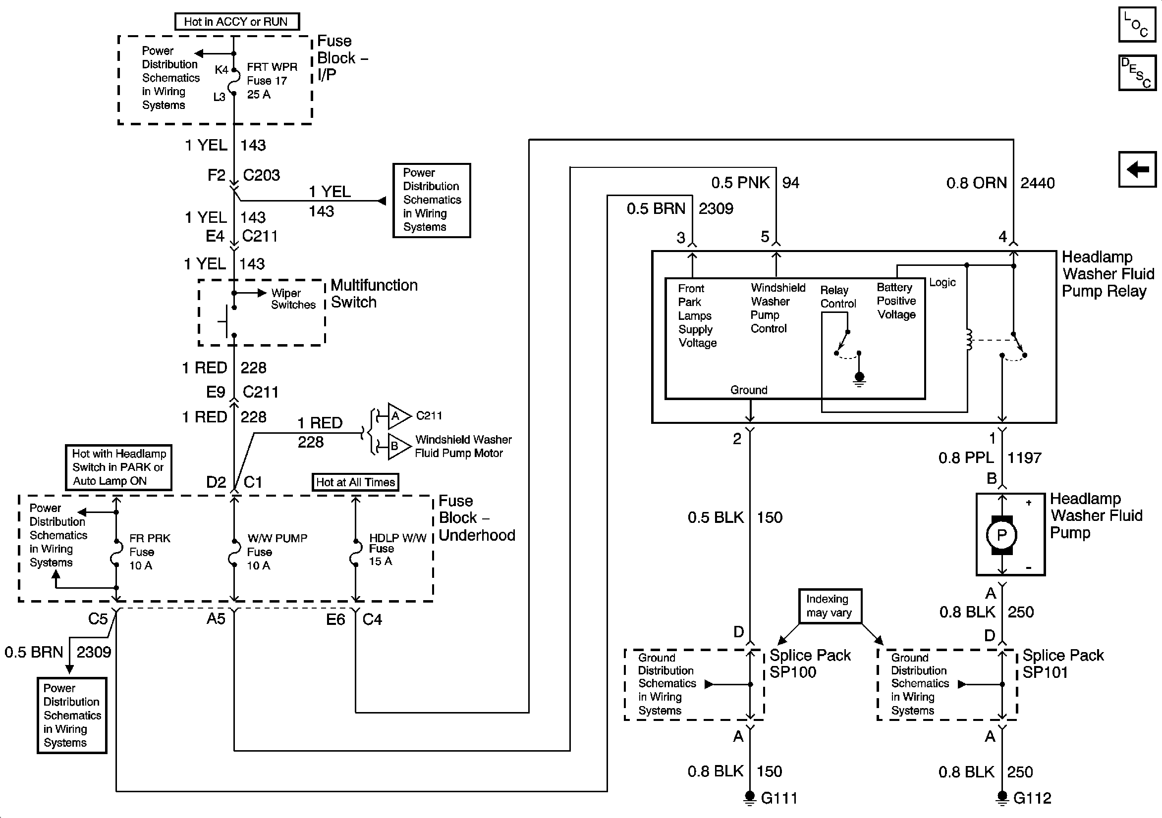
Headlamp Washer System - Export Only
Pulse Wipers
RR WPR, FRT WPR and ABS Fuses
B+ Bus Bar
G102
G102
G420, G450 and S427
Figure 3:

Headlamp Washer System - Export Only


Object Number: 886274  Size: FS
Master Electrical Component List
Headlamp Washer System Description and Operation
Rear Wipers
RR WPR, FRT WPR and ABS Fuses
RR WPR, FRT WPR and ABS Fuses
FR PRK, LR PRK, RR PRK, TRL PRK and Fog Lamp Relay - Export
FR PRK, LR PRK, RR PRK, TRL PRK and Fog Lamp Relay - Export
Pulse Wipers
G111 and G112 - Export
G111 and G112 - Export