GM Service Manual Online
For 1990-2009 cars only
Makes
🢒
Chevrolet
🢒
2005
🢒
Blazer - 4WD
🢒
Body
🢒
Wiring Systems
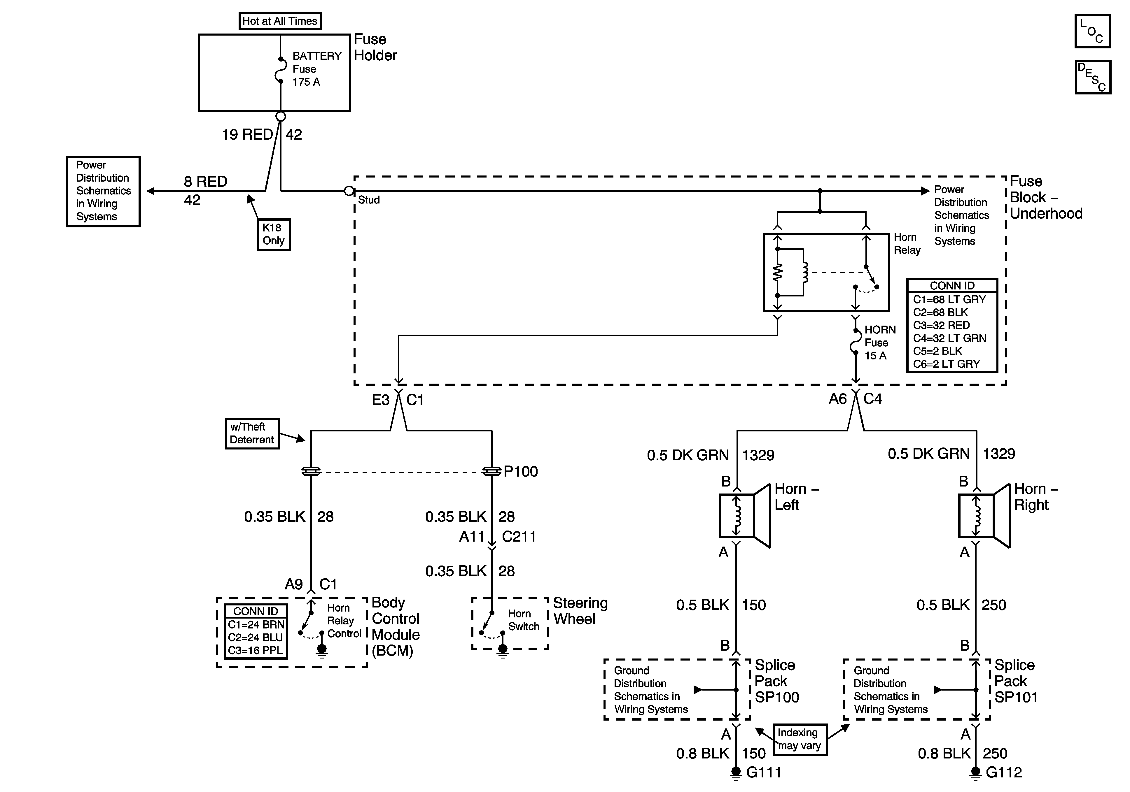
🢒 Horn Schematics
Master Electrical Component List
Horns System Description and Operation
B+ Bus Bar
B+ Bus Bar
G111 and G112 - Except Export
G111 and G112 - Except Export