GM Service Manual Online
For 1990-2009 cars only
Makes
🢒
Chevrolet
🢒
2005
🢒
Blazer - 4WD
🢒
Transmission/Transaxle
🢒
Shift Lock Control
🢒 Shift Lock Control Schematics
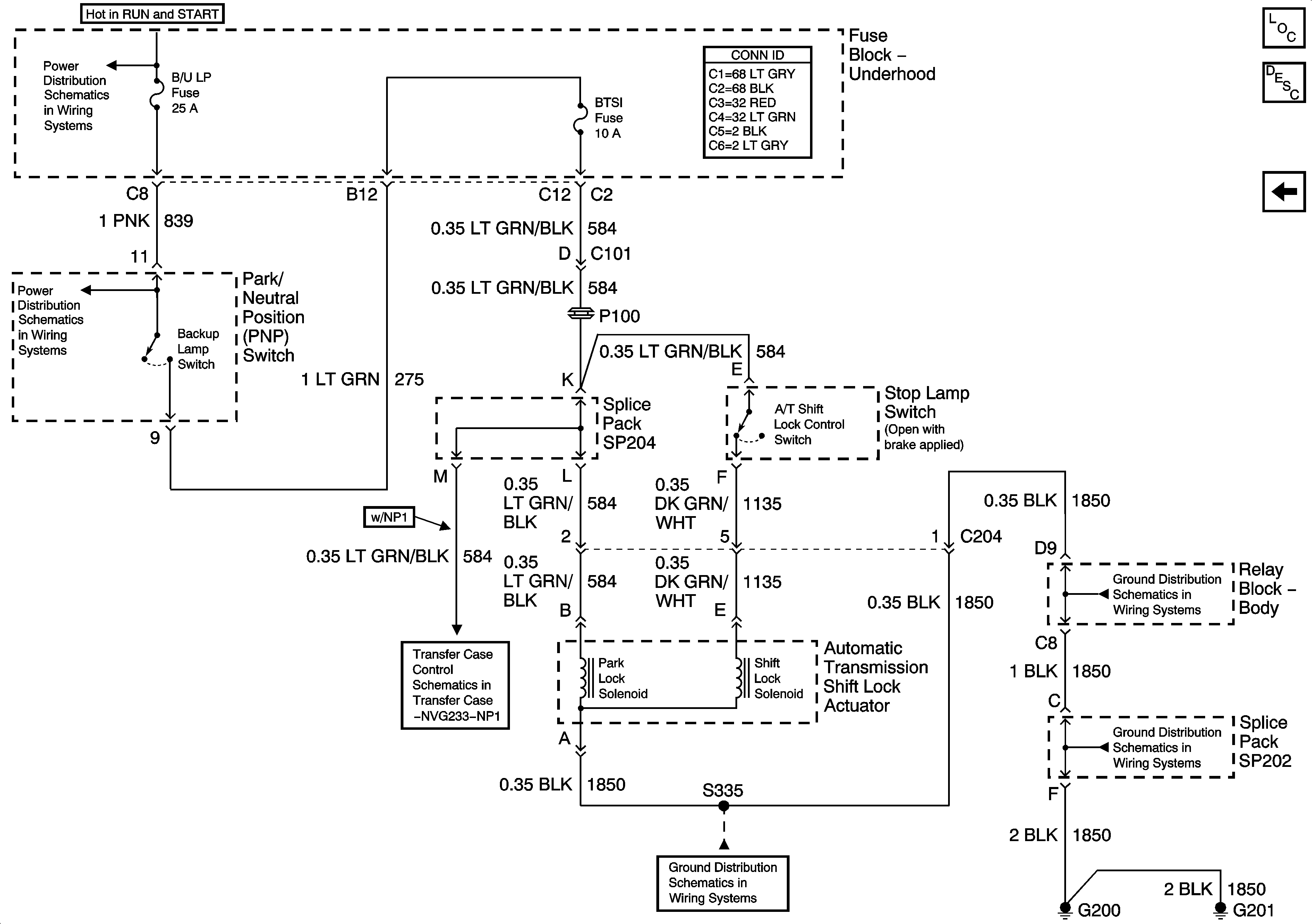
Figure
1:
w/Column Shift
Master Electrical Component List
Automatic Transmission Shift Lock Control Description and Operation
w/Floor Shift
Ign RUN and START Bus Bar
B/U LP, TRL B/U and BTSI Fuses A/T
Front Axle Switch and Powertrain Control Module
G200, G201,G207-Crew Cab
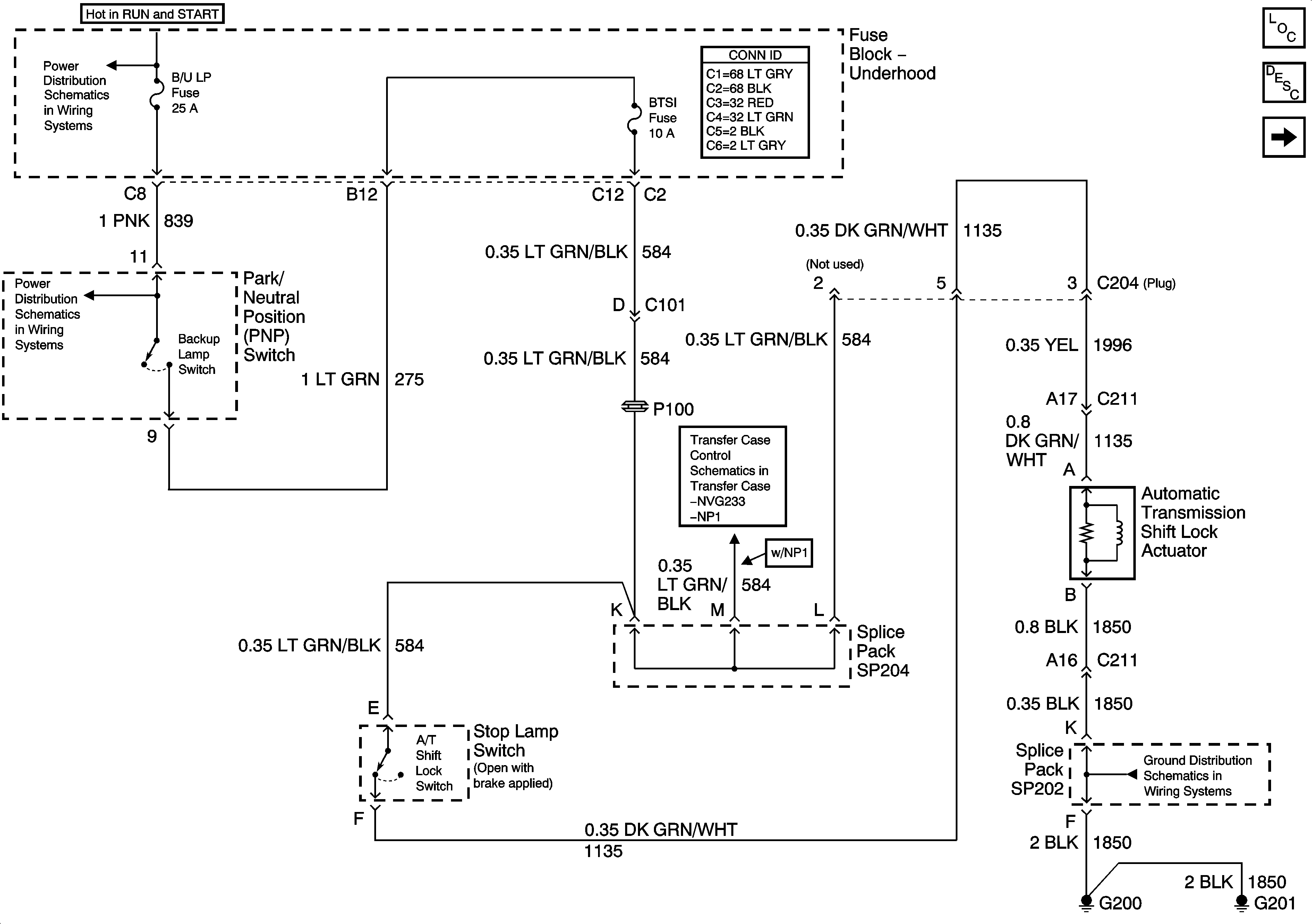
Figure
2:
w/Floor Shift
Master Electrical Component List
Automatic Transmission Shift Lock Control Description and Operation
w/Column Shift
Ign RUN and START Bus Bar
B/U LP, TRL B/U and BTSI Fuses A/T
Front Axle Switch and Powertrain Control Module
G200, G201,G207-Utility
G200, G201,G207-Utility
G200, G201,G207-Utility