GM Service Manual Online
For 1990-2009 cars only
Figure 1:

Blower Controls - C42


Object Number: 755712  Size: FS
Figure 2:

Blower Controls - C60


Object Number: 755714  Size: FS
Figure 3:

Air Delivery/Temperature Controls - C42


Object Number: 886340  Size: FS
Figure 4:

Compressor Controls - 4.3L


Object Number: 884299  Size: FS
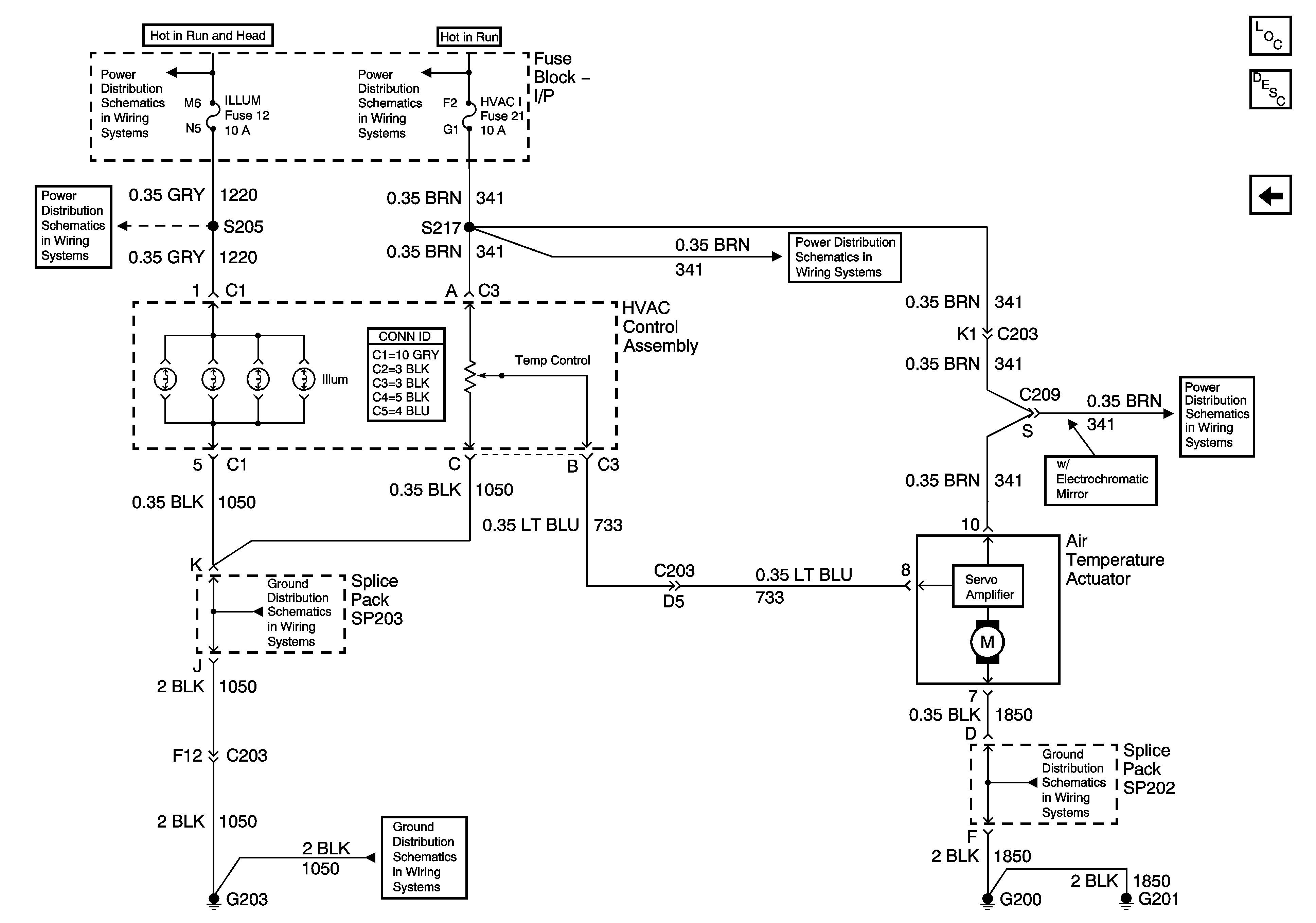
Figure 5:

Air Delivery/Temperature Controls - C60


Object Number: 1509463  Size: FS