GM Service Manual Online
For 1990-2009 cars only
Makes
🢒
Chevrolet
🢒
2005
🢒
Blazer - 4WD
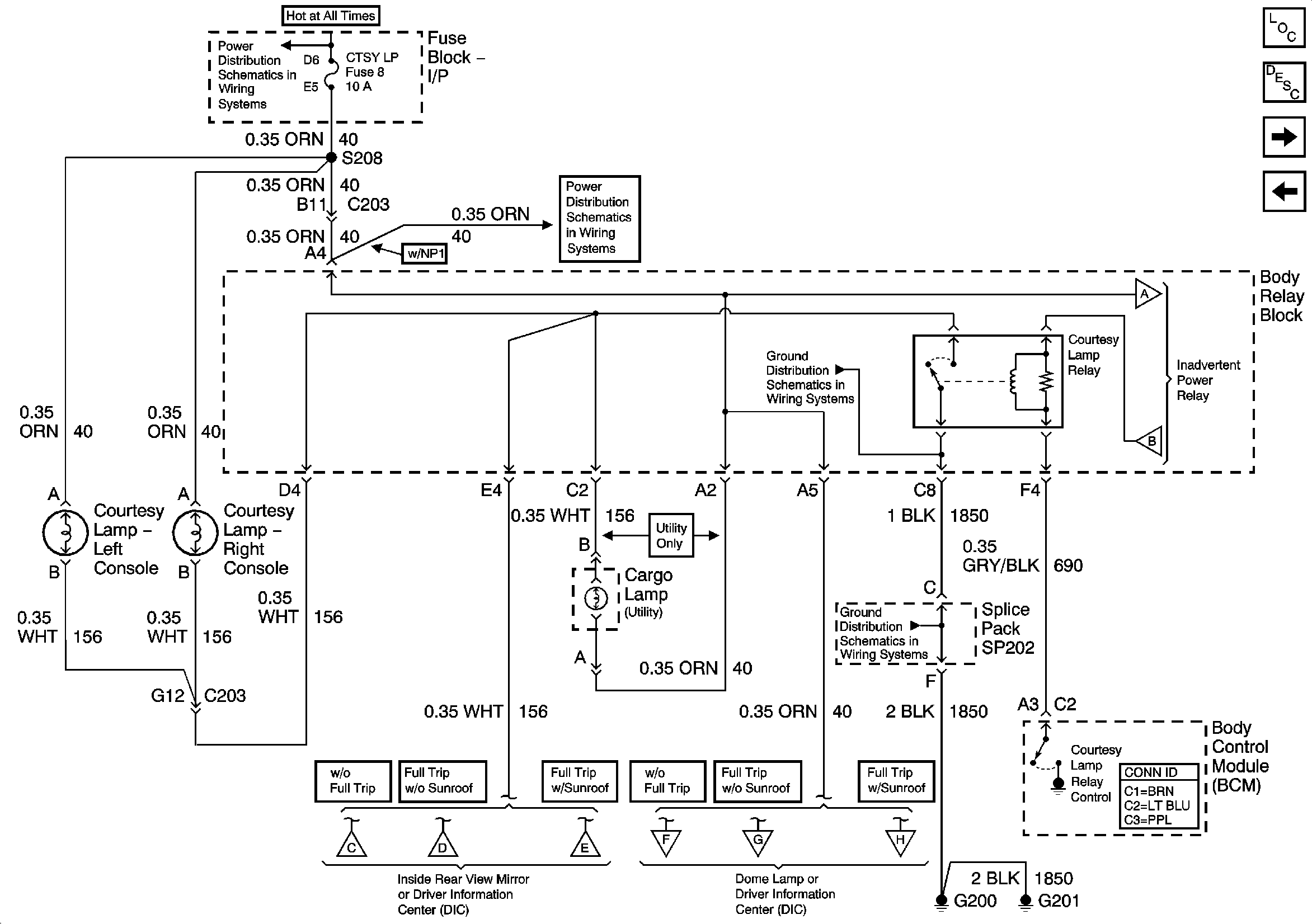
🢒 CTSY LP Fuse and Courtesy Lamp Relay
CTSY LP Fuse and Courtesy Lamp Relay
CTSY LP Fuse and Courtesy Lamp Relay
Master Electrical Component List
Interior Lighting Systems Description and Operation
Inadvertent Power Relay and Front Door Jamb Switches
Headlamp Switched Interior Lamps
INT BATT, PWR LKS, AMPF, CTSY LP and CIGAR LTR Fuses
Inadvertent Power Relay
G200, G201,G207-Crew Cab
Inadvertent Power Relay and Front Door Jamb Switches
G200, G201,G207-Crew Cab
Inside Rearview Mirror or Driver Information Center
Driver Information Center - Utility w/o Sunroof
Driver Information Display Module - Utility w/ Sunroof
Inside Rearview Mirror or Driver Information Center
Driver Information Center - Utility w/o Sunroof
Driver Information Display Module - Utility w/ Sunroof