GM Service Manual Online
For 1990-2009 cars only
Makes
🢒
Chevrolet
🢒
2005
🢒
Blazer - 4WD
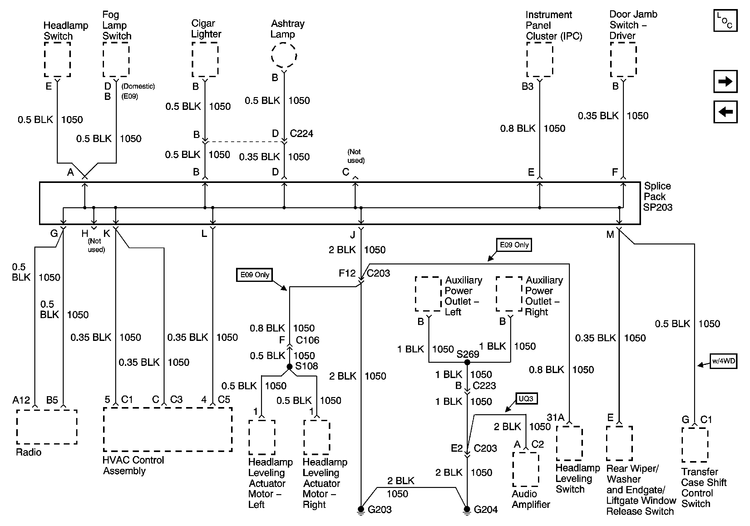
🢒 G203 and G204 - Utility w/Manual A/C
G203 and G204 - Utility w/Manual A/C
G203 and G204 - Utility w/Manual A/C
Master Electrical Component List
G205 - Utility and Crew Cab
G203 and G204 - Pickup