GM Service Manual Online
For 1990-2009 cars only
Makes
🢒
Chevrolet
🢒
2005
🢒
Blazer - 4WD
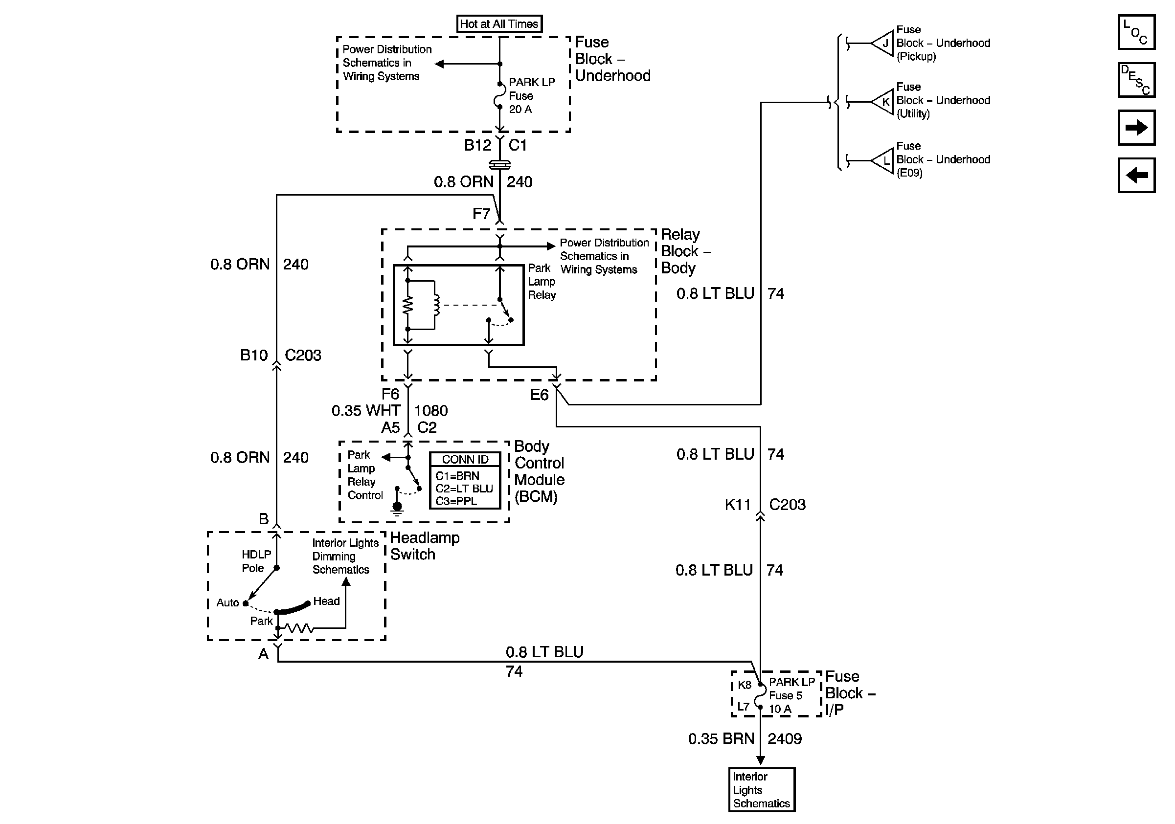
🢒 Park Lamp Control
Park Lamp Control
Park Lamp Control
Master Electrical Component List
Exterior Lighting Systems Description and Operation
Park/Turn Signal Lamp, Marker and License Lamps, Rear - Pickup
Park/Turn Signal Lamps, Marker Lamps and Turn Signal Fuses, Front
B+ Bus Bar
ILLUM, STG WHL ILLUM, and PARK LP Fuses
Headlamp Switch
Headlamp Switched Interior Lamps
Park/Turn Signal Lamp, Marker and License Lamps, Rear - Pickup
Park and License Lamps, Rear - Utility
Tail, Stop and License Lamps - Export