GM Service Manual Online
For 1990-2009 cars only
Makes
🢒
Chevrolet
🢒
2005
🢒
Blazer - 4WD
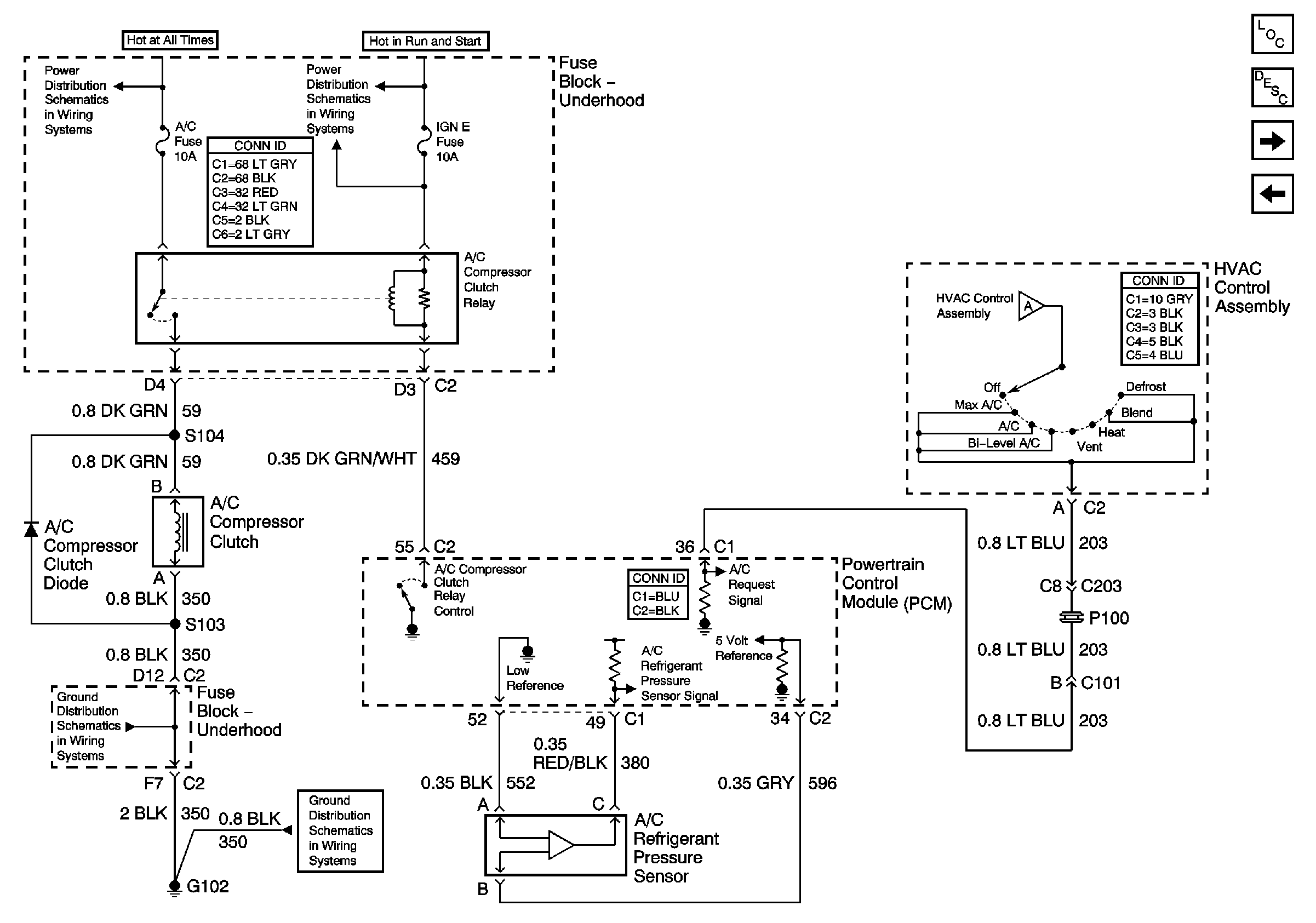
🢒 Compressor Controls - 2.2L
Compressor Controls - 2.2L
Compressor Controls - 2.2L
Master Electrical Component List
Air Temperature Description and Operation 2.2L
Compressor Controls - 4.3L
Blower Controls - C60
B+ Bus Bar
IGN E Fuse and A/C Compressor Clutch, Rear Window Defogger Relays
G102 - Except Export
G102 - Except Export
Blower Controls - C60