GM Service Manual Online
For 1990-2009 cars only
Makes
🢒
Chevrolet
🢒
2005
🢒
Blazer - 4WD
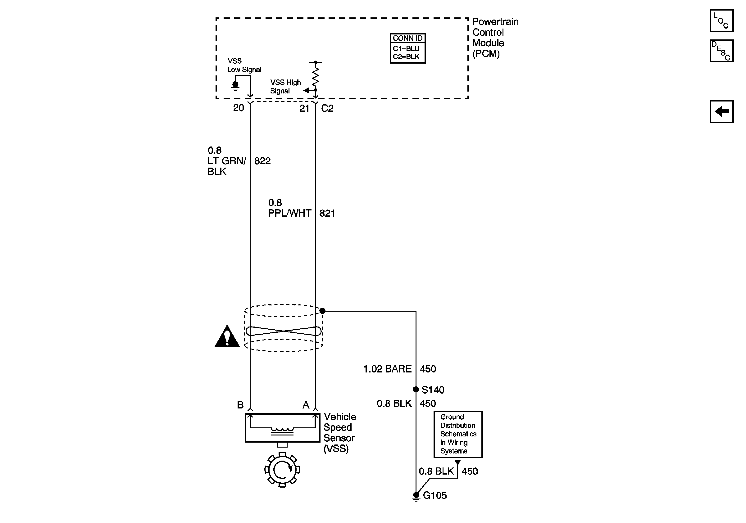
🢒 Vehicle Speed Sensor - VSS
Vehicle Speed Sensor - VSS
Vehicle Speed Sensor (VSS)
Master Electrical Component List
Transmission System Description and Operation
Shift Indicator
G103 and G105 - 2.2L
Manual Transmission Schematic Icons