GM Service Manual Online
For 1990-2009 cars only

Object Number: 1421131  Size: MF
Master Electrical Component List
Manual Transmission Schematics
OBD II Symbol Description Notice

Circuit Description

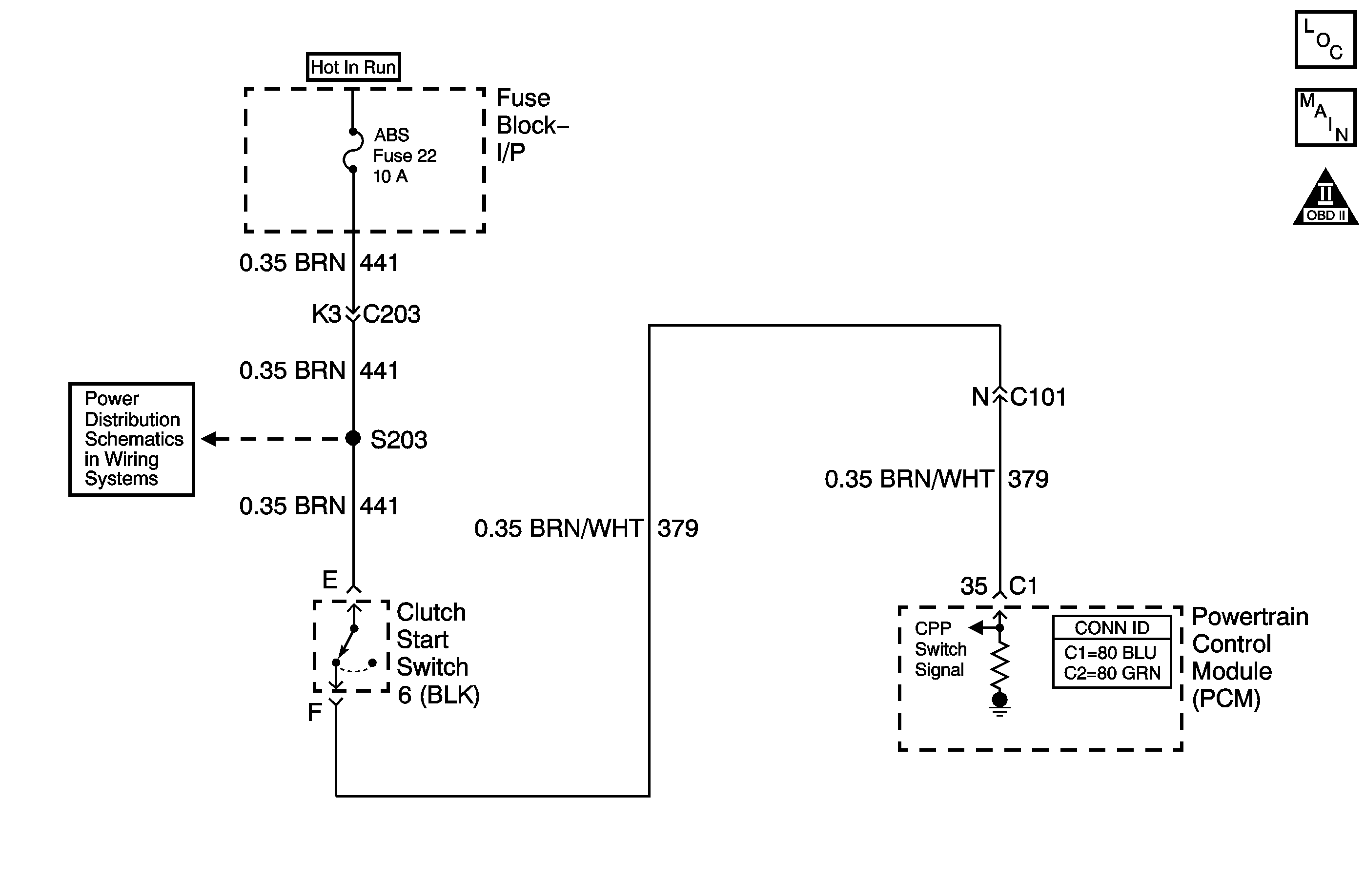
Battery voltage is supplied from the antilock brake system (ABS) fuse to the clutch switch. The clutch switch is a normally closed switch. When the clutch pedal is released, the clutch pedal position switch signal circuit is pulled up to B+. When the clutch pedal is applied, the switch opens, and the voltage drops to 0 volts.

When the powertrain control module (PCM) detects a large number of gear changes without detecting a clutch switch transition, DTC P0833 sets. DTC P0833 is a type B DTC.

DTC Descriptor

This diagnostic procedure supports the following DTC:

DTC P0833 Clutch Pedal Switch 2 Circuit

Conditions for Running the DTC

No vehicle speed sensor (VSS) DTC P0500.

Conditions for Setting the DTC

The PCM detects 7 changes in vehicle speed 0- 38 km/h (0-24 mph) without the PCM detecting a clutch pedal transition.

Action Taken When the DTC Sets

    • The PCM illuminates the malfunction indicator lamp (MIL) during the second consecutive trip in which the Conditions for Setting the DTC are met.
    • The PCM disables cruise control.
    • The PCM records the operating conditions when the Conditions for Setting the DTC are met. The PCM stores this information as Freeze Frame and Failure Records.
    • The PCM stores DTC P0833 in PCM history during the second consecutive trip in which the Conditions for Setting the DTC are met.

Conditions for Clearing the DTC

    • The PCM turns OFF the MIL during the third consecutive trip in which the diagnostic test runs and passes.
    • A scan tool can clear the MIL/DTC.
    • The PCM clears the DTC from PCM history if the vehicle completes 40 warm-up cycles without an emission related diagnostic fault occurring.
    • The PCM cancels the DTC default actions when the fault no longer exists and the DTC passes.

Test Description

The numbers below refer to the step numbers on the diagnostic table.

  1. This test confirms if the scan tool is receiving a clutch switch position signal.

  2. This step inspects the clutch pedal connector and adjustment.

Step

Action

Value(s)

Yes

No

1

Did you perform the Diagnostic System Check - Vehicle?

--

Go to Step 2

Go to Diagnostic System Check - Vehicle in Vehicle DTC Information

2

  1. Install a scan tool.
  2. Turn ON the ignition, with the engine OFF.
  3. Use the scan tool to monitor the clutch pedal position switch parameter.
  4. Apply and release the clutch pedal several times.

Does the scan tool indicate a change in state when the clutch pedal is either applied or released?

--

Go to Intermittent Conditions in Engine Controls - 4.3L

Go to Step 3

3

Inspect the adjustment of the clutch pedal position switch and the connector.

Does the clutch switch require adjustment or the connector require service?

--

Go to Step 11

Go to Step 4

4

Inspect the ABS fuse for an open. Refer to Circuit Protection - Fuses in Wiring Systems.

Is the ABS fuse open?

--

Go to Step 9

Go to Step 5

5

Using a DMM, measure voltage at the brake fuse.

Does the DMM indicate the specified value?

B+

Go to Step 6

Go to Step 12

6

  1. Turn OFF the ignition.
  2. Disconnect the clutch pedal position switch connector.
  3. Using a DMM, measure the voltage at the ignition 3 voltage circuit at the switch connector.

Does the DMM indicate the specified value?

B+

Go to Step 7

Go to Step 13

7

  1. Clear all DTCs.
  2. Use the scan tool to monitor the clutch pedal position switch parameter.
  3. Turn ON the ignition, with the engine OFF.
  4. Use a fused jumper wire to repeatedly connect and disconnect pin E and pin F of the clutch pedal position switch electrical connector.

Does the scan tool display that the clutch is applying and releasing?

--

Go to Step 15

Go to Step 8

8

  1. Turn the ignition switch OFF.
  2. Disconnect C1 at the PCM.
  3. Using the DMM, test for continuity and a short to voltage on the clutch pedal position switch signal circuit.

Did you find a short to voltage, high resistance or an open on the clutch pedal position switch signal circuit?

--

Go to Step 14

Go to Step 16

9

  1. Turn the ignition switch OFF.
  2. Remove the brake fuse.
  3. Disconnect the clutch pedal position switch connector and C1 at the PCM.
  4. Using a DMM, test for a short to ground on the ignition 3 voltage circuit at the switch connector.

Is the ignition 3 voltage circuit grounded?

--

Go to Step 13

Go to Step 10

10

Using a DMM, test for a short to ground on the clutch pedal position switch signal circuit at the switch connector.

Is the clutch pedal position switch signal circuit grounded?

--

Go to Step 14

Go to Step 15

11

Adjust the clutch pedal position switch or repair the connector as necessary.

Did you complete the repair?

--

Go to Step 17

--

12

Repair the power distribution circuit to the brake fuse.

Did you complete the repair?

--

Go to Step 17

--

13

Repair the open, high resistance or short to ground in the ignition 3 voltage circuit or a parallel circuit that uses the brake fuse.

Did you complete the repair?

--

Go to Step 17

--

14

Repair the open, high resistance, short to ground, or short to voltage in the clutch pedal position switch signal circuit.

Did you complete the repair?

--

Go to Step 17

--

15

Replace the clutch pedal position switch.

Is the action complete?

--

Go to Step 17

--

16

Replace the PCM. Refer to Control Module References in Computer/Integrating Systems for replacement, setup, and programming.

Is the action complete?

--

Go to Step 17

--

17

  1. Select the DTC.
  2. Select Clear Info.
  3. Operate the vehicle from 0 km/h (0 mph) to above 38 km/h (24 mph) then back to 0 km/h (0 mph) 7 times.
  4. Select Specific DTC.
  5. Enter DTC P0833.

Has the test run and passed?

--

System OK

Go to Step 2

18

With the scan tool, observe the stored information, capture info and DTC info.

Does the scan tool display any DTCs that you have not diagnosed?

--

Go to Diagnostic Trouble Code (DTC) List - Vehicle in Vehicle DTC Information

System OK