GM Service Manual Online
For 1990-2009 cars only

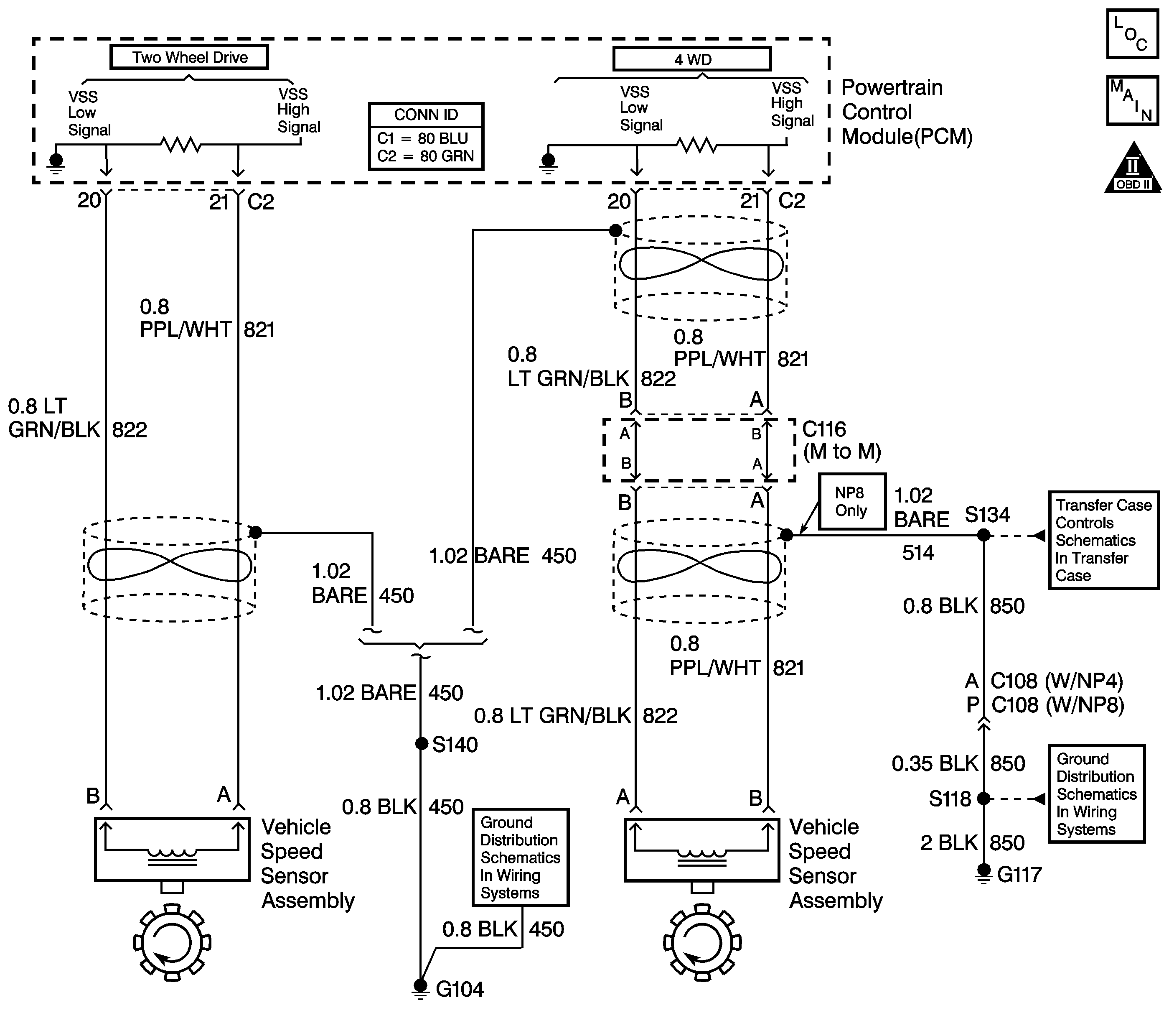
Object Number: 1535254  Size: LF
Master Electrical Component List
Automatic Transmission Controls Schematics
OBD II Symbol Description Notice

Circuit Description

The vehicle speed sensor (VSS) assembly provides vehicle speed information to the powertrain control module (PCM). The VSS assembly is a permanent magnet generator. The VSS produces an AC voltage as rotor teeth on the transmission output shaft pass through the sensor's magnetic field. The AC voltage level and the number of pulses increase as the speed of the vehicle increases. The PCM converts the pulsing voltage to vehicle speed. The PCM uses the vehicle speed signal to determine shift timing and torque converter clutch (TCC) scheduling.

When the PCM detects an unrealistically large drop in vehicle speed, then DTC P0503 sets. DTC P0503 is a type B DTC.

DTC Descriptor

This diagnostic procedure supports the following DTC:

DTC P0503 Vehicle Speed Sensor (VSS) Circuit Intermittent

Conditions for Running the DTC

    • No TFP manual valve position switch DTC P1810.
    • The engine speed is greater than 450 RPM.
    • The engine is not in fuel cutoff.
    • The time since the last gear range change is greater than 6 seconds.
    • The time since the last 4WD low state change is greater than 6 seconds.
    • The transmission output speed rise does not exceed 600 RPM within 2 seconds.

Conditions for Setting the DTC

    • The transmission output speed drop is greater than 1,300 RPM for 3 seconds when the transmission is not in PARK or NEUTRAL.
    • The transmission output speed drop is greater than 8,129 RPM for 409 seconds when the transmission is in PARK or NEUTRAL.

Action Taken When the DTC Sets

    • The PCM illuminates the malfunction indicator lamp (MIL) during the second consecutive trip in which the Conditions for Setting the DTC are met.
    • The PCM commands a soft landing to second gear.
    • The PCM commands maximum line pressure.
    • The PCM inhibits TCC engagement.
    • The PCM inhibits fourth gear if the transmission is in hot mode.
    • The PCM freezes shift adapts from being updated.
    • The PCM records the operating conditions when the Conditions for Setting the DTC are met. The PCM stores this information as Freeze Frame and Failure Records.
    • The PCM stores DTC P0503 in PCM history during the second consecutive trip in which the Conditions for Setting the DTC are met.

Conditions for Clearing the MIL/DTC

    • The PCM turns OFF the MIL during the third consecutive trip in which the diagnostic test runs and passes.
    • A scan tool can clear the MIL/DTC.
    • The PCM clears the DTC from PCM history if the vehicle completes 40 warm-up cycles without an emission-related diagnostic fault occurring.
    • The PCM cancels the DTC default actions when the ignition switch is OFF long enough in order to power down the PCM.

Diagnostic Aids

Inspect for ABS DTCs. A faulty ABS condition may contribute to setting DTC P0503.

Test Description

The numbers below refer to the step numbers on the diagnostic table.

  1. This step tests the VSS assembly circuit.

  2. This step tests the integrity of the VSS assembly.

DTC P0503

Step

Action

Values

Yes

No

1

Did you perform the Diagnostic System Check - Vehicle?

--

Go to Step 2

Go to Diagnostic System Check - Vehicle in Vehicle DTC Information

2

  1. Install a scan tool.
  2. Turn ON the ignition, with the engine OFF.
  3. Important: Before clearing the DTC, use the scan tool in order to record the Freeze Frame and Failure Records. Using the Clear Info function erases the Freeze Frame and Failure Records from the PCM.

  4. Record the DTC Freeze Frame and Failure Records.
  5. Clear the DTC.
  6. Raise and support the rear axle assembly.
  7. Start the engine.
  8. Place the transmission in D3 range.
  9. With the drive wheels rotating, slowly accelerate to 2,000 engine RPM and hold. Road test the vehicle if necessary.

Does the scan tool Transmission OSS drop or fluctuate more than the specified value?

1,300 RPM

Go to Step 3

Go to Testing for Intermittent Conditions and Poor Connections in Wiring Systems

3

  1. Turn OFF the ignition.
  2. Disconnect the PCM connector C2.
  3. Using the DMM and the J 35616 GM Terminal Test Kit, measure the resistance between harness connector high signal and low signal circuits of the VSS.
  4. Refer to Testing for Continuity in Wiring Systems.

Does the resistance measure within the specified range?

1,377-3,355 ohms (2WD)

976-2,354 ohms (4WD)

Go to Step 4

Go to Step 7

4

  1. Place the transmission in NEUTRAL.
  2. Select AC volts.
  3. Prevent one rear wheel from turning.
  4. Rotate the other rear wheel by hand, ensuring that the driveshaft is turning.

Does the voltage measure greater than the specified value?

0.5 V

Go to Step 5

Go to Step 12

5

Measure the resistance from the high signal circuit of the VSS to ground.

Refer to Testing for Continuity in Wiring Systems.

Does the resistance measure greater than the specified value?

50 K ohms

Go to Step 6

Go to Step 9

6

  1. Connect the PCM connector C2.
  2. Disconnect the engine wiring harness from the VSS.
  3. Turn ON the ignition, with the engine OFF.
  4. Test the high circuit of the VSS for a short to voltage.
  5. Test the low circuit of the VSS for a short to voltage.
  6. Refer to Testing for a Short to Voltage and Wiring Repairs in Wiring Systems.

Did you find and correct the condition?

--

Go to Step 15

Go to Step 14

7

  1. Disconnect the VSS.
  2. Measure the resistance of the VSS.

Does the resistance measure within the specified range?

1,377-3,355 ohms (2WD)

976-2,354 ohms (4WD)

Go to Step 8

Go to Step 13

8

Was the resistance measured in Step 3 greater than the specified value?

3,355 ohms (2WD)

2,354 ohms (4WD)

Go to Step 10

Go to Step 11

9

  1. Test the high signal circuit of the VSS for a short to ground.
  2. Test the low signal circuit of the VSS for a short to ground.
  3. Refer to Testing for Short to Ground and Wiring Repairs in Wiring Systems.

Did you find and correct the condition?

--

Go to Step 15

--

10

  1. Test the high signal circuit of the VSS for an open.
  2. Test the low signal circuit of the VSS for an open.
  3. Refer to Testing for Continuity and Wiring Repairs in Wiring Systems.

Did you find and correct the condition?

--

Go to Step 15

--

11

Test the high signal circuit and the low signal circuit of the VSS for a short together.

Refer to Circuit Testing and Wiring Repairs in Wiring Systems.

Did you find and correct the condition?

--

Go to Step 15

--

12

  1. Remove the VSS.
  2. Inspect the output shaft speed sensor rotor for damage or misalignment.
  3. Inspect the case extension bushing for wear.

Did you find and correct the condition?

--

Go to Step 15

Go to Step 13

13

Replace the VSS.

Refer to Vehicle Speed Sensor Replacement .

Did you complete the replacement?

--

Go to Step 15

--

14

Replace the PCM.

Refer to Control Module References in Computer/Integrating Systems for replacement, setup and programming.

Did you complete the replacement?

--

Go to Step 15

--

15

Perform the following procedure in order to verify the repair:

  1. Select DTC.
  2. Select Clear Info.
  3. Operate the vehicle, ensuring that the transmission output speed drop is less than 500 RPM for 2 seconds and output speed is greater than 500 RPM for 2 seconds.
  4. Select Specific DTC.
  5. Enter DTC P0503.

Has the test run and passed?

--

Go to Step 16

Go to Step 2

16

With the scan tool, observe the stored information, capture info, and DTC Info.

Does the scan tool display any DTCs that you have not diagnosed?

--

Go to Diagnostic Trouble Code (DTC) List - Vehicle in Vehicle DTC Information

System OK