GM Service Manual Online
For 1990-2009 cars only
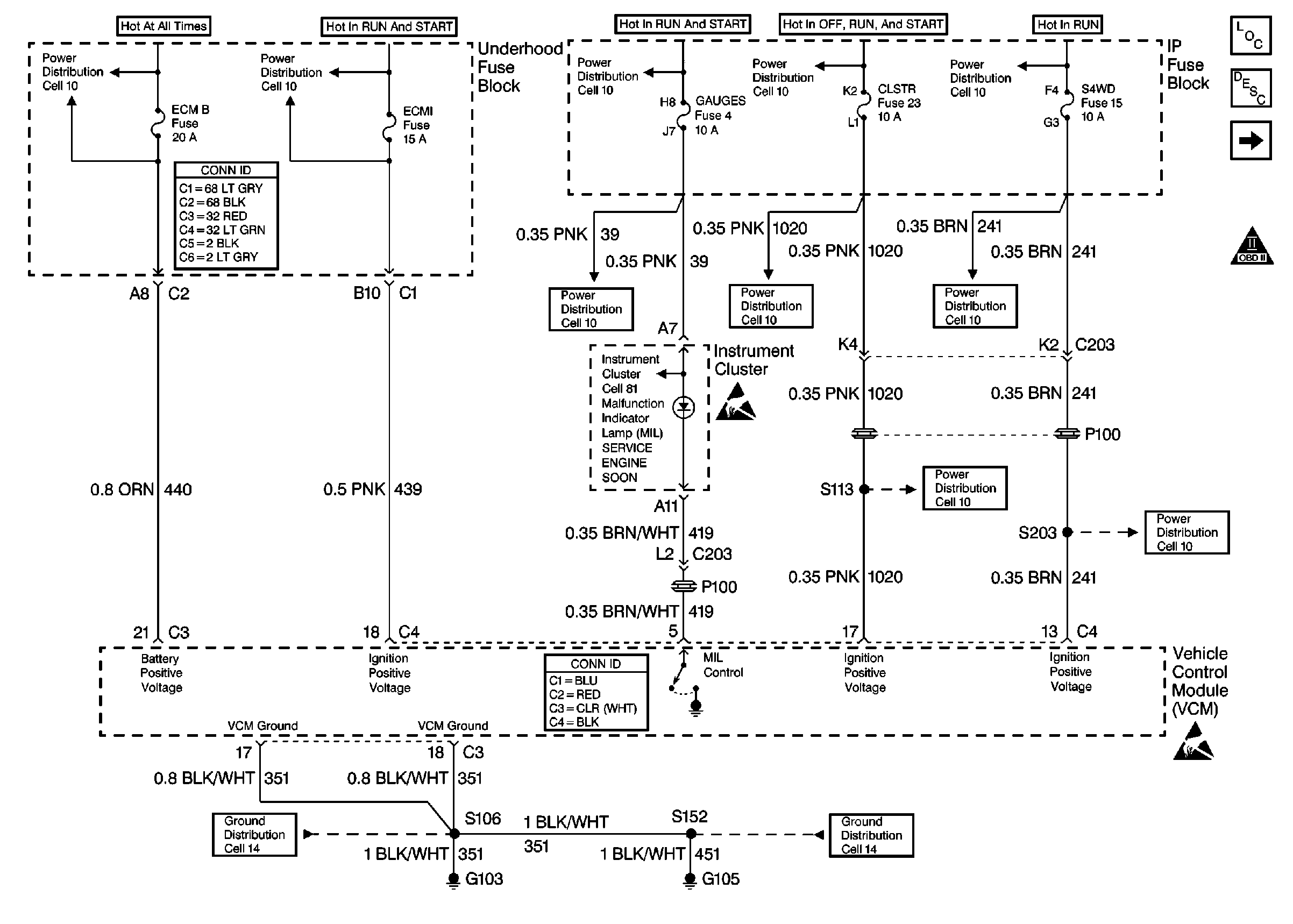
Figure 1:

Cell 20: PWR, GND, MIL, VCM, and Generator


Object Number: 371921  Size: FS
Figure 2:

Cell 20: Data Link Connector (DLC)


Object Number: 371925  Size: FS
Figure 3:

Cell 20: Ignition Controls


Object Number: 371927  Size: FS
Figure 4:

Cell 20: Fuel Level Sensor


Object Number: 371936  Size: FS
Figure 5:

Cell 20: Fuel Injection Controls


Object Number: 371939  Size: FS
Figure 6:

Cell 20: Engine Sensors


Object Number: 371940  Size: FS
Figure 7:

Cell 20: Heated Oxygen Sensors


Object Number: 371945  Size: FS
Figure 8:

Cell 20: MAF and IAC Controls


Object Number: 371944  Size: FS
Figure 9:

Cell 20: Vehicle Speed Outputs and Overhead Console Link


Object Number: 371951  Size: FS
Figure 10:

Cell 20: EGR Valve and EVAP Valves


Object Number: 371942  Size: FS
Figure 11:

Cell 20: 4WD Inputs


Object Number: 371949  Size: FS
Figure 12:

Cell 20: Automatic Transmission Valve Controls


Object Number: 371952  Size: FS
Figure 13:

Cell 20: Automatic Transmission Switch Inputs


Object Number: 371953  Size: FS
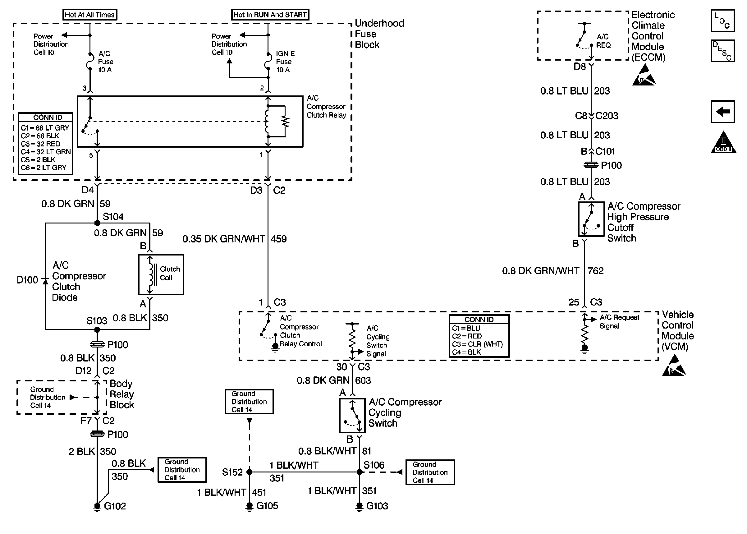
Figure 14:

Cell 20: A/C Compressor Controls


Object Number: 371954  Size: FS