GM Service Manual Online
For 1990-2009 cars only
Makes
🢒
Chevrolet
🢒
1999
🢒
Blazer - 4WD - RHD
🢒
Transmission/Transaxle
🢒
Automatic Transmission - 4L60-E
🢒 Automatic Transmission Controls Schematics
Figure
1:
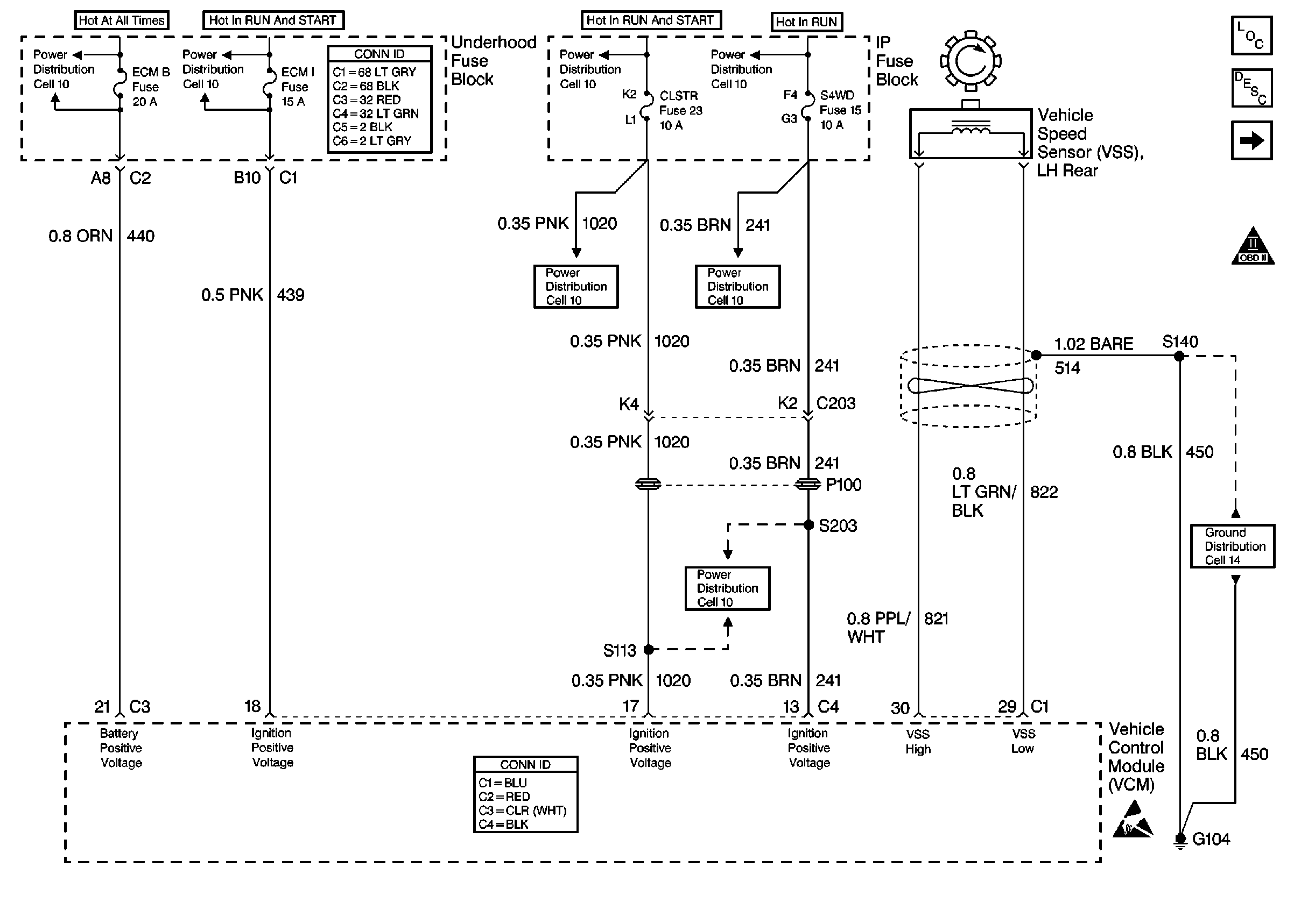
Cell 39: Vehicle Speed Sensor (VSS)
Figure
2:
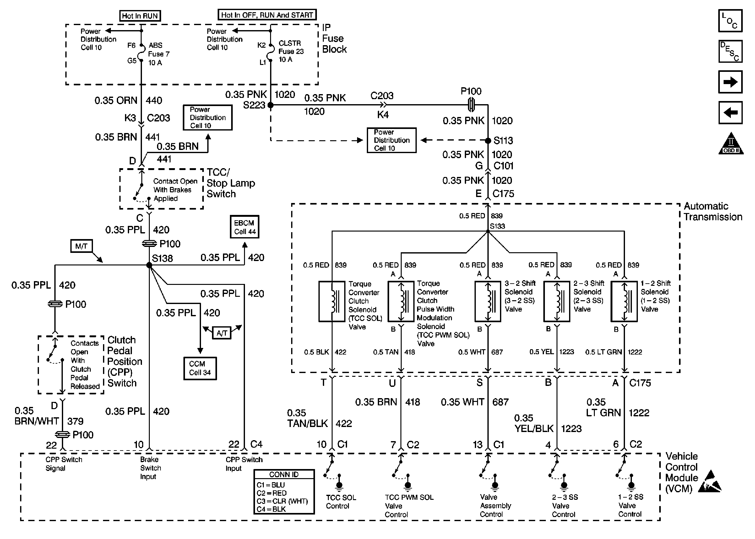
Cell 39: Valve Controls
Figure
3:
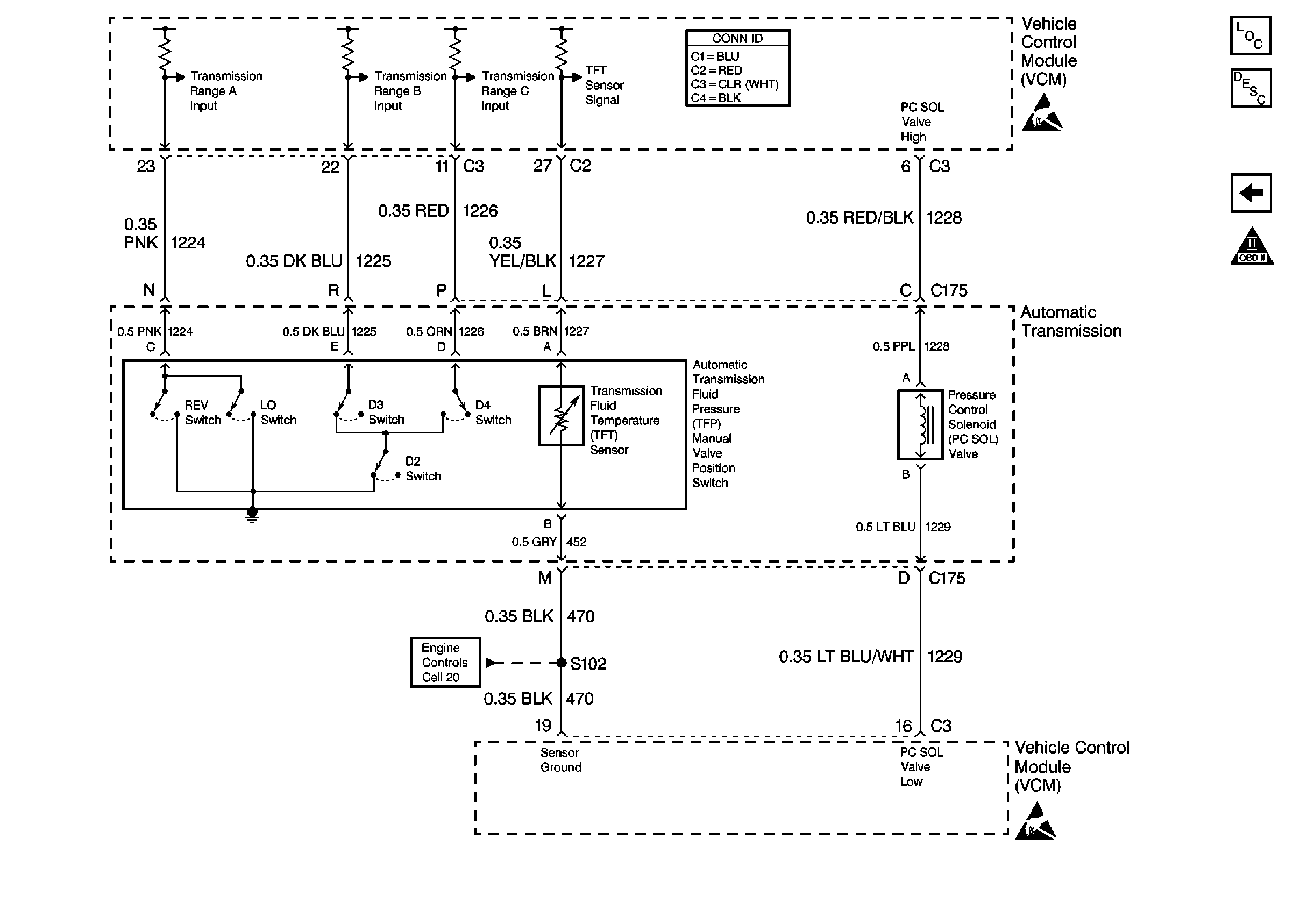
Cell 39: Switch Inputs