GM Service Manual Online
For 1990-2009 cars only
Makes
🢒
Chevrolet
🢒
1999
🢒
Blazer - 4WD - RHD
🢒
Steering
🢒
Steering Wheel and Column - Tilt
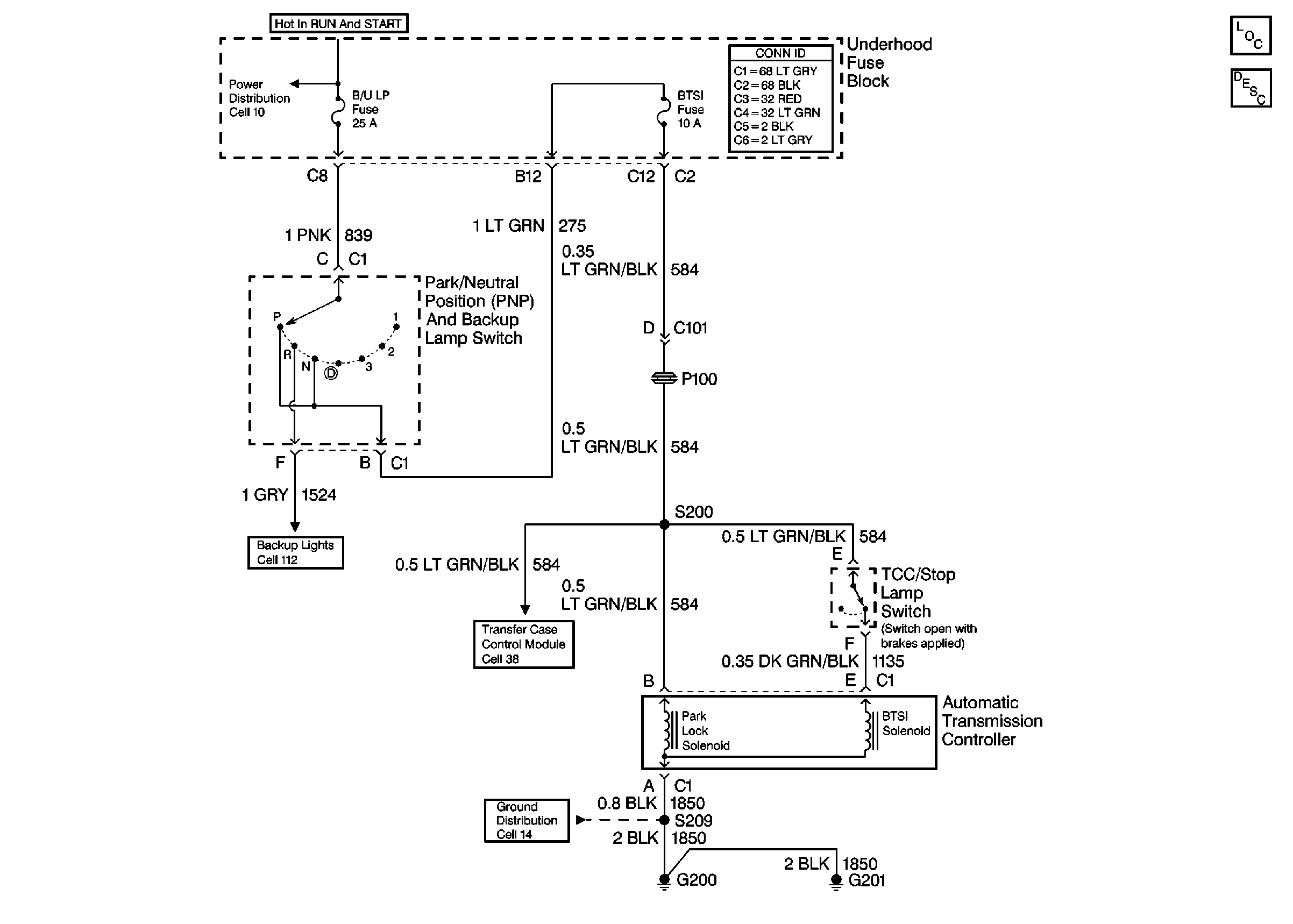
🢒 Shift Lock Control Schematics
Cell 138