GM Service Manual Online
For 1990-2009 cars only
Figure 1:

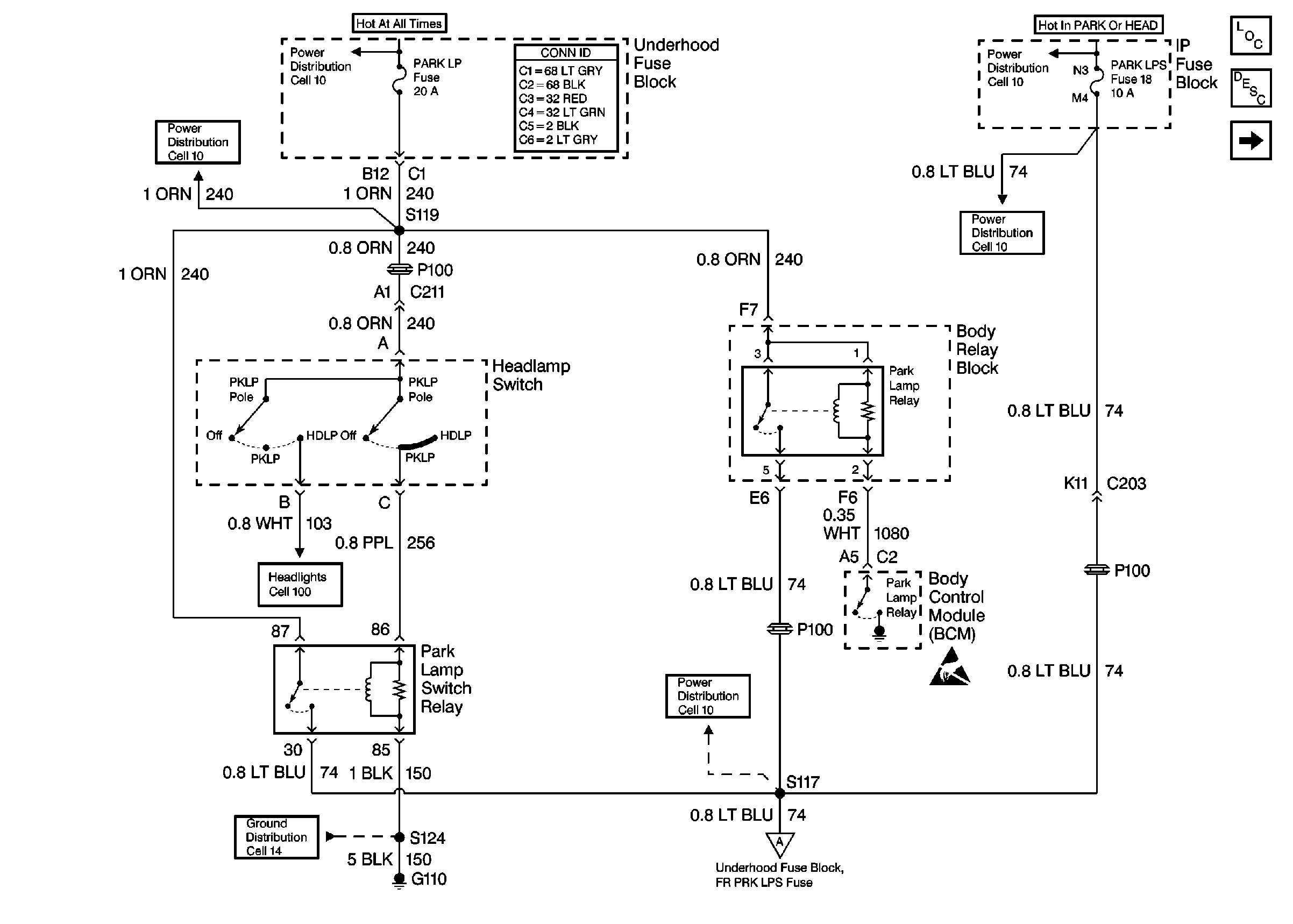
Cell 110: Power and Headlamp Switch


Object Number: 373412  Size: FS
Figure 2:

Cell 110: FR PRK LPS, LR PRK LP, RR PRK LP, and TRL PRK LP Fuses


Object Number: 373409  Size: FS
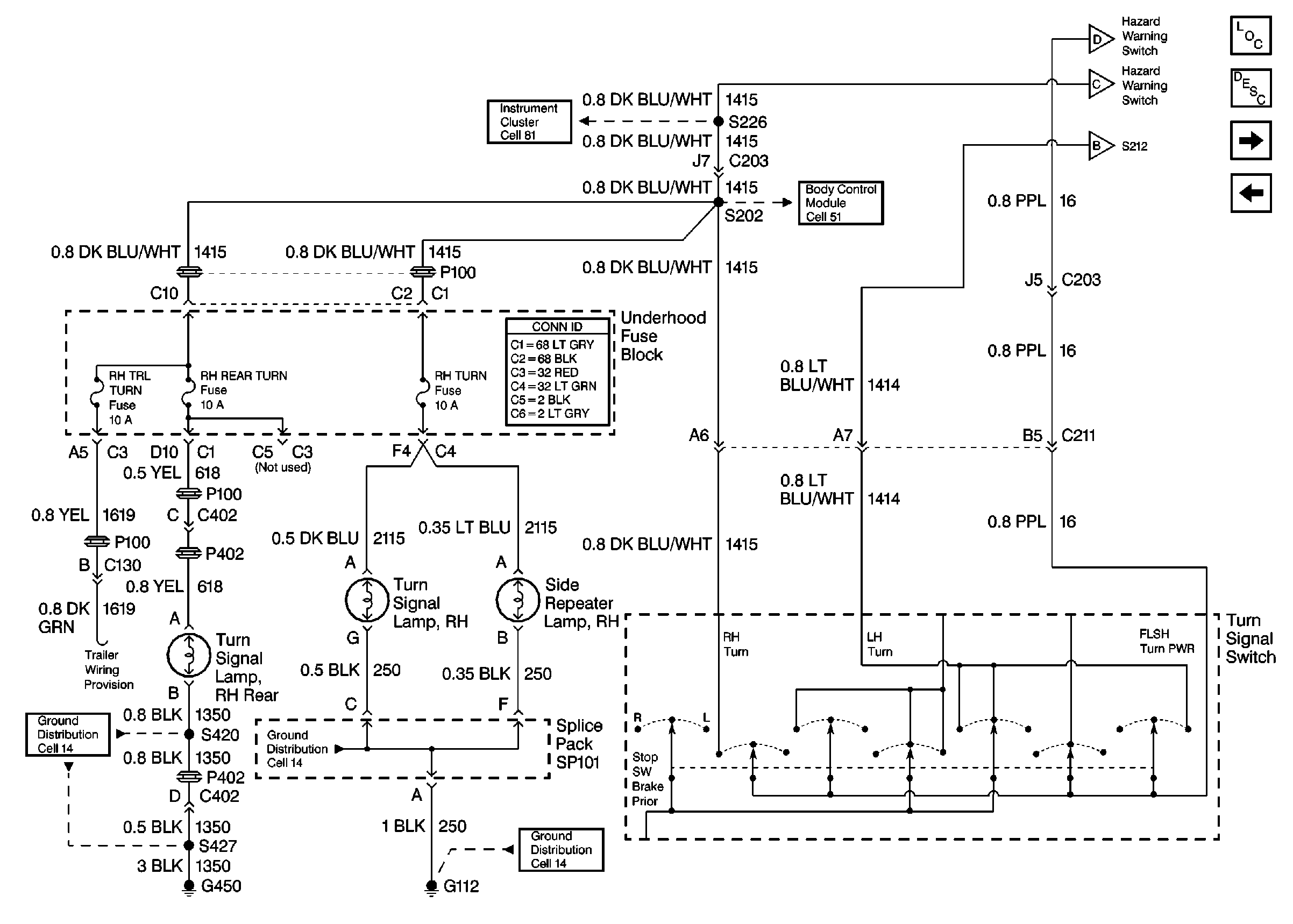
Figure 3:

Cell 110: Turn Signal Switch, RH TURN, RH REAR TURN, and TRL TURN Fuses


Object Number: 375085  Size: FS
Figure 4:

Cell 110: STOP LP, VEH HMSL, and TRL HMSL Fuses


Object Number: 397459  Size: FS
Figure 5:

Cell 110: Hazard Switch, TURN, and HAZ LP Fuses


Object Number: 373414  Size: FS