GM Service Manual Online
For 1990-2009 cars only
Makes
🢒
Chevrolet
🢒
1999
🢒
Blazer - 4WD - RHD
🢒
Body and Accessories
🢒
Lighting Systems
🢒 Interior Lights Dimming Schematics
Figure
1:
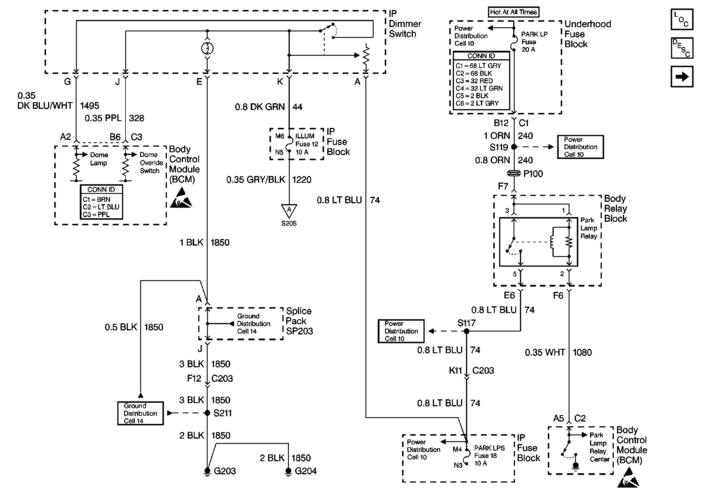
Cell 117: Power, Ground and BCM
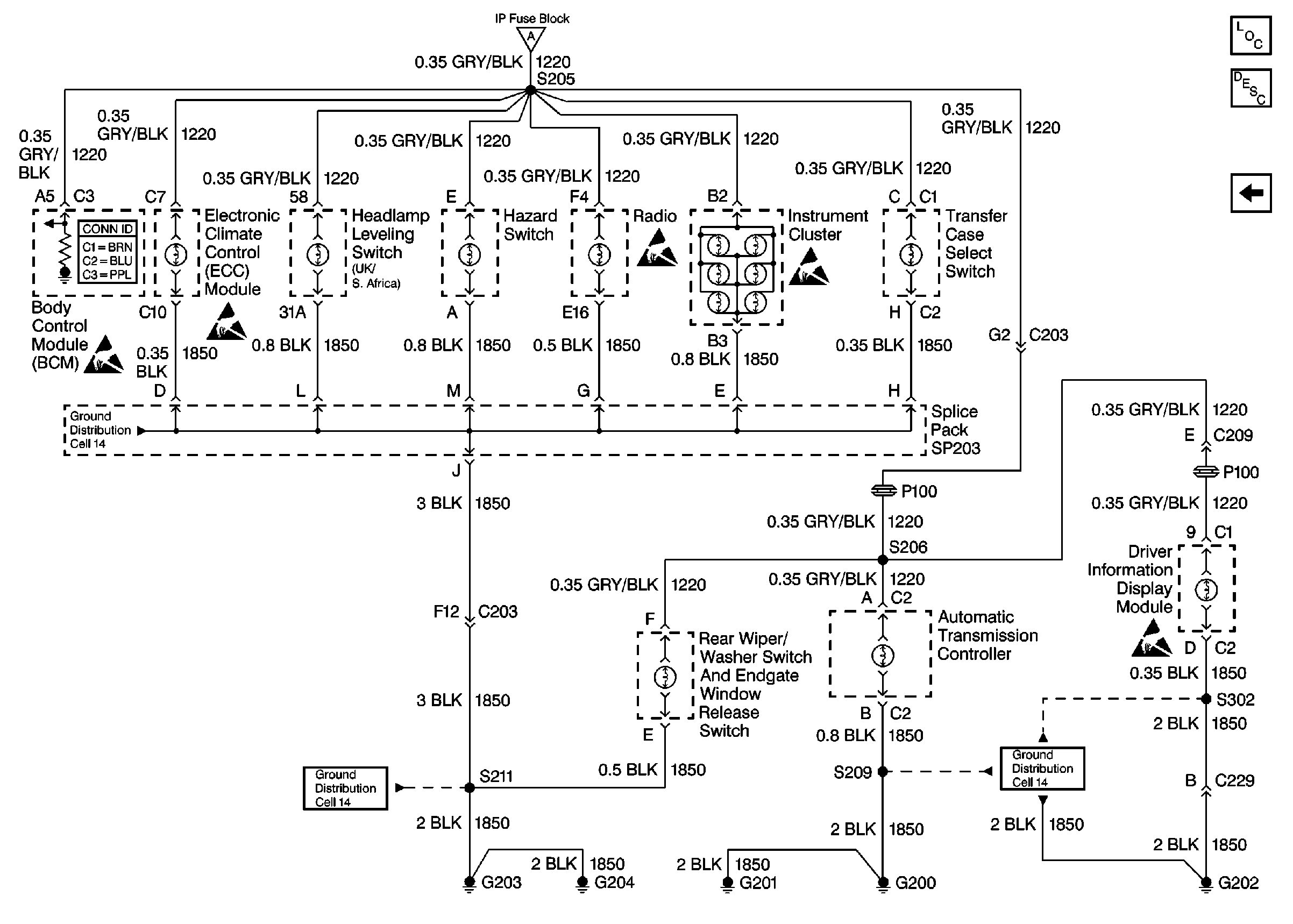
Figure
2:
Cell 117: Hazard Switch, Radio, Instrument Cluster and Ground