GM Service Manual Online
For 1990-2009 cars only
Makes
🢒
Chevrolet
🢒
1999
🢒
Blazer - 4WD - RHD
🢒
Body and Accessories
🢒
Lighting Systems
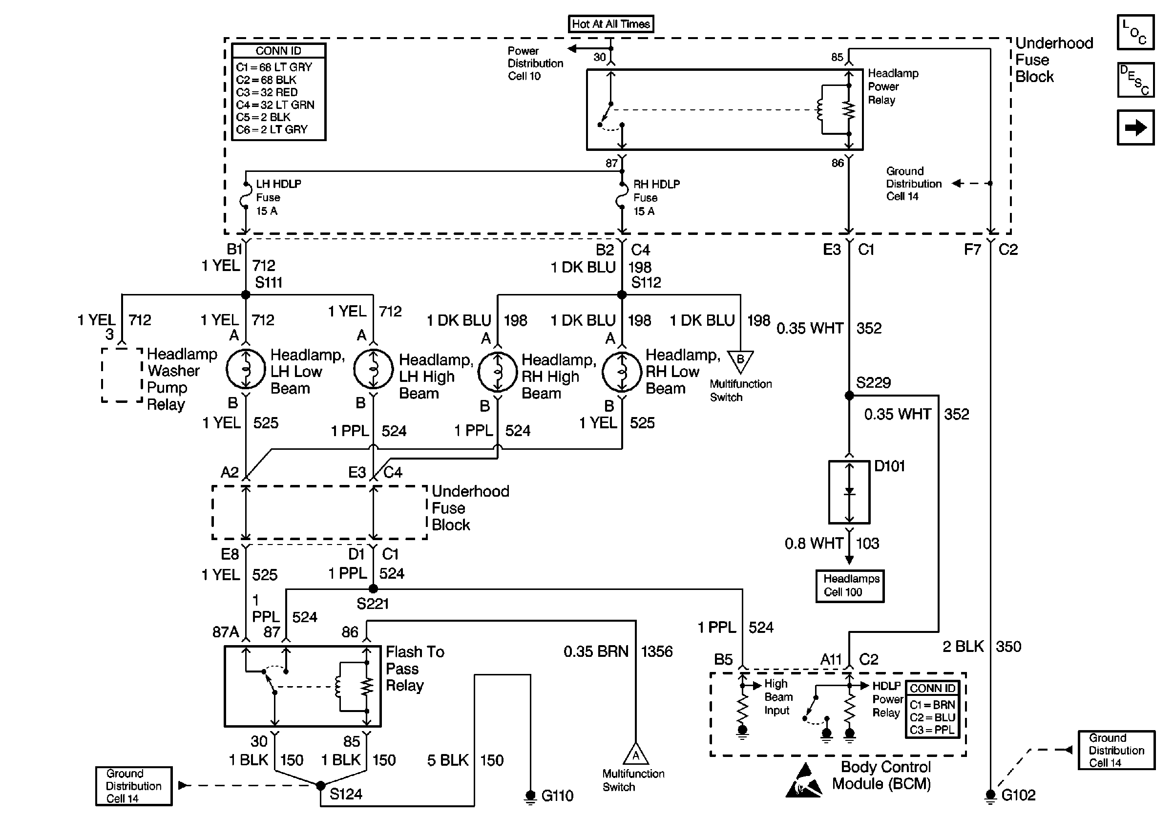
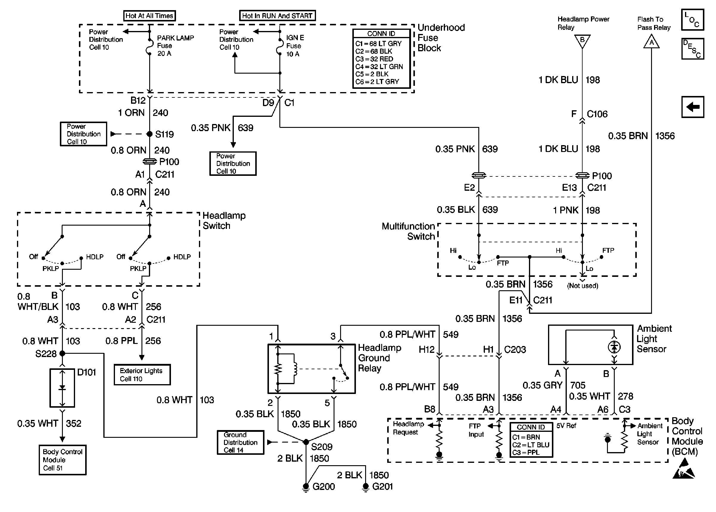
🢒 Headlights Schematics
Figure
1:
Cell 100: Power, Flash To Pass, and BCM
Figure
2:
Cell 100: Power, Headlamp Switch, and Multifunction Switch