GM Service Manual Online
For 1990-2009 cars only

Removal Procedure

    Caution: Unless directed otherwise, the ignition and start switch must be in the OFF or LOCK position, and all electrical loads must be OFF before servicing any electrical component. Disconnect the negative battery cable to prevent an electrical spark should a tool or equipment come in contact with an exposed electrical terminal. Failure to follow these precautions may result in personal injury and/or damage to the vehicle or its components.

  1. Disconnect the negative battery cable.
  2. Remove the instrument panel accessory trim plate. Refer to Instrument Panel Accessory Trim Plate Replacement in Instrument Panel Gauges and Console..

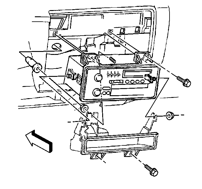
  3. Object Number: 298724  Size: SH
  4. Remove the radio mounting screws.
  5. Remove the radio.
  6. Disconnect the electrical connector and the antenna lead.
  7. Remove the radio nuts.

Installation Procedure


    Object Number: 298724  Size: SH

    Notice: Use the correct fastener in the correct location. Replacement fasteners must be the correct part number for that application. Fasteners requiring replacement or fasteners requiring the use of thread locking compound or sealant are identified in the service procedure. Do not use paints, lubricants, or corrosion inhibitors on fasteners or fastener joint surfaces unless specified. These coatings affect fastener torque and joint clamping force and may damage the fastener. Use the correct tightening sequence and specifications when installing fasteners in order to avoid damage to parts and systems.

  1. Install the radio nuts.
  2. Tighten
    Tighten the nuts to 2.8 N·m (25 lb in).

  3. Connect the electrical connector and the antenna lead.
  4. Install the radio.
  5. Install the radio mounting screws.
  6. Tighten
    Tighten the screws to 1.9 N·m (17 lb in).

  7. Install the instrument panel accessory trim plate. Refer to Instrument Panel Accessory Trim Plate Replacement in Instrument Panel Gauges and Console.
  8. Connect the negative battery cable.
  9. Verify proper radio operation.