GM Service Manual Online
For 1990-2009 cars only
Makes
🢒
Chevrolet
🢒
1999
🢒
Blazer - 4WD - RHD
🢒
Body and Accessories
🢒
Wiring Systems
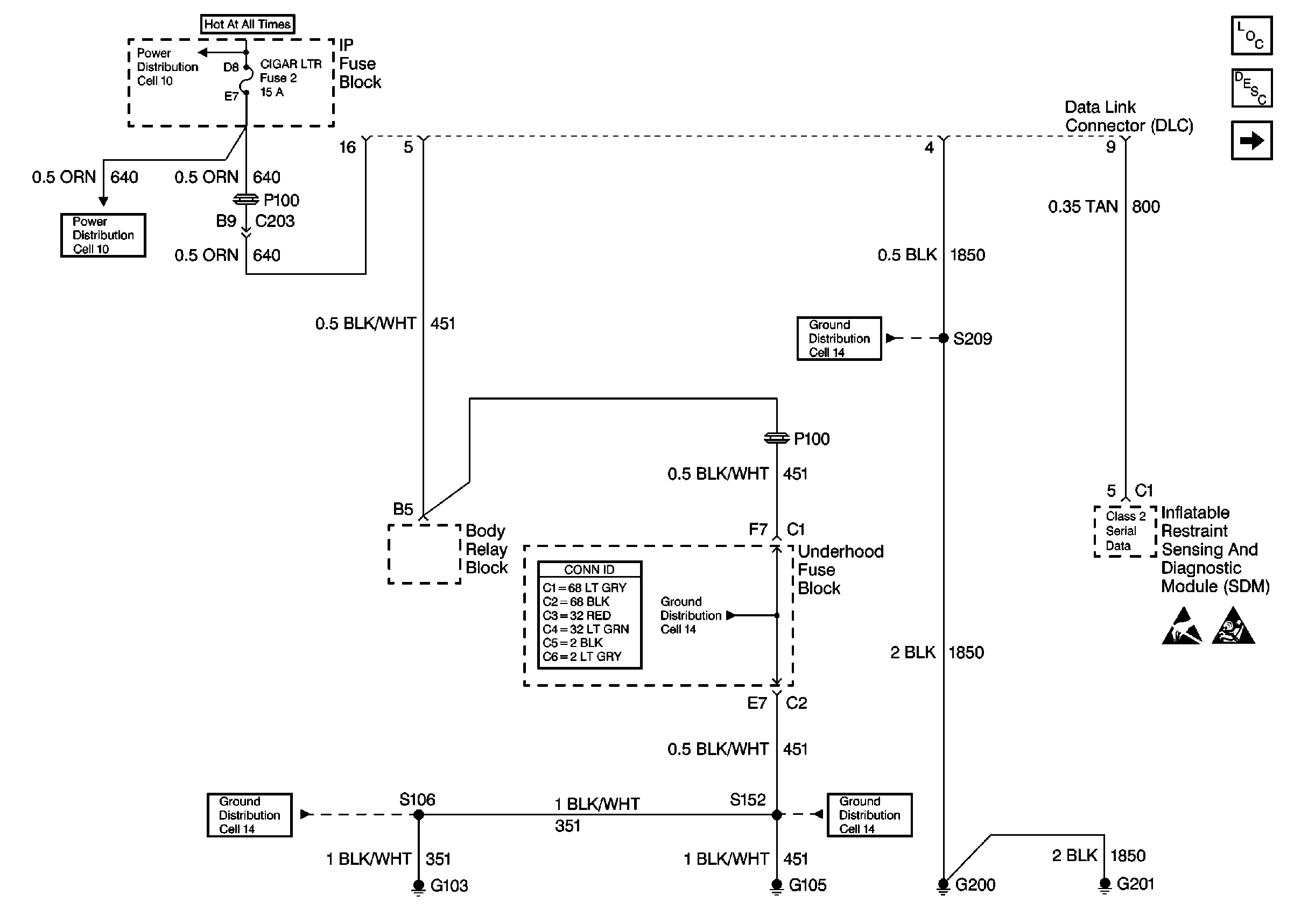
🢒 Data Link Connector Schematics
Figure
1:
Cell 50
Figure
2:
Cell 50