GM Service Manual Online
For 1990-2009 cars only
Figure 1:

Cell 10: Underhood Fuse Block, Bussed Fuses


Object Number: 372102  Size: FS
Figure 2:

Cell 10: Underhood Fuse Block, Ignition Supplied Power, Miscellaneous Supplied Power Fuses


Object Number: 372103  Size: FS
Figure 3:

Cell 10: IP Fuse Block


Object Number: 372104  Size: FS
Figure 4:

Cell 10: Stud #2, INT BAT, Cigar LTR, CTSY LP, and PWR LKS Fuses


Object Number: 372105  Size: FS
Figure 5:

Cell 10: RDO/BAT, and AUX PWR Fuses


Object Number: 372134  Size: FS
Figure 6:

Cell 10: RAP, IGN A, IGN B, RDO IGN, FRT WPR, RR WPR, ABS, and Cruise Fuses


Object Number: 372109  Size: FS
Figure 7:

Cell 10: Power Window Circuit Breaker


Object Number: 372110  Size: FS
Figure 8:

Cell 10: S4WD and HVAC Fuses


Object Number: 372112  Size: FS
Figure 9:

Cell 10: IGN B, CLSTR, and CRANK Fuses


Object Number: 372116  Size: FS
Figure 10:

Cell 10: A/C, ECM B, FOG LP, STOP LP, VEH HMSL, TRL HMSL, and W/W PUMP Fuses


Object Number: 372117  Size: FS
Figure 11:

Cell 10: ABS, IGN A, IGN E, GAUGES, and SIR Fuses


Object Number: 372119  Size: FS
Figure 12:

Cell 10: TURN and HAZ LP Fuses


Object Number: 372121  Size: FS
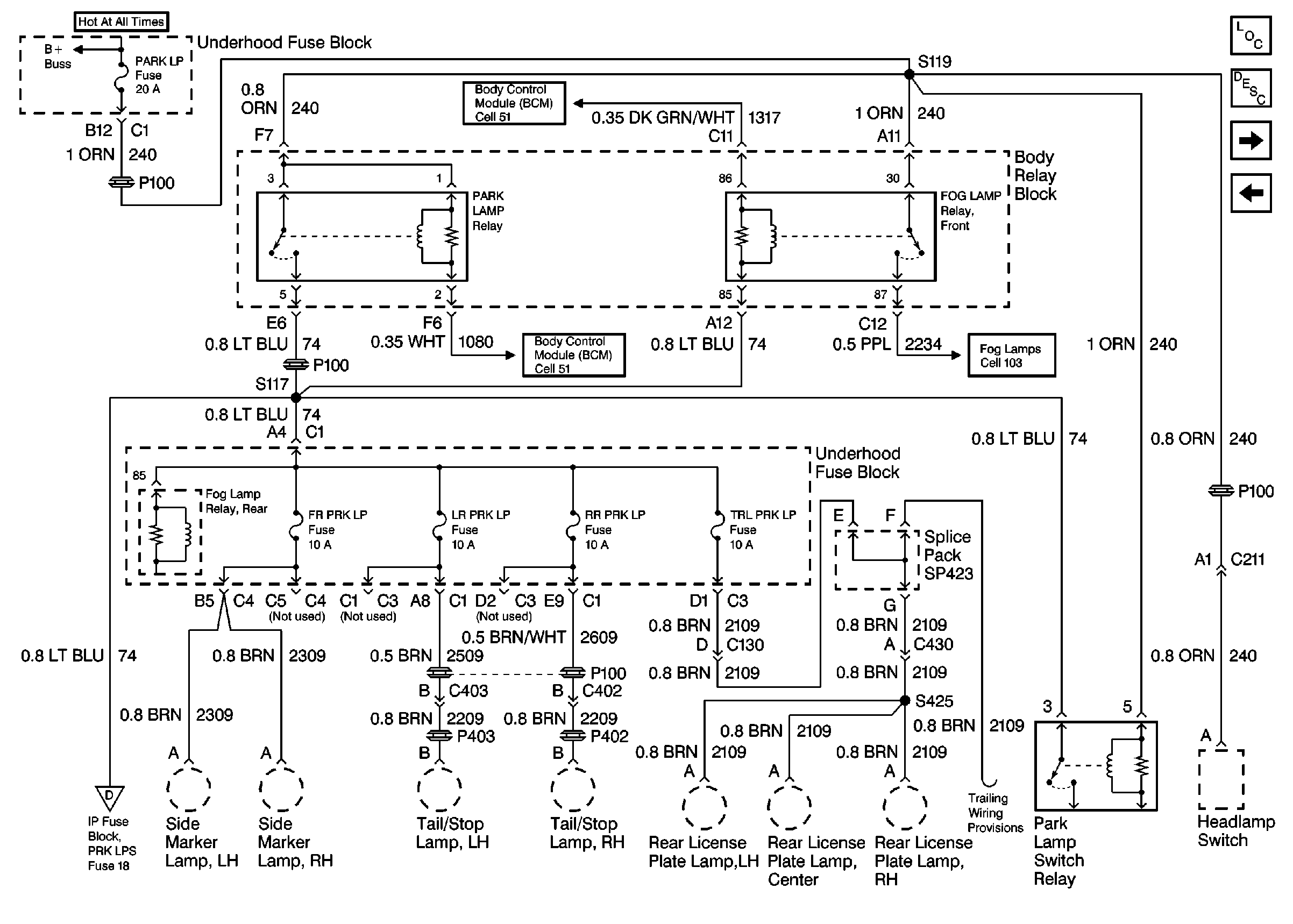
Figure 13:

Cell 10: PARK LP, FR PRK LP, LR PRK LP, RR PRK LP, and TRL PRK LP Fuses


Object Number: 372123  Size: FS
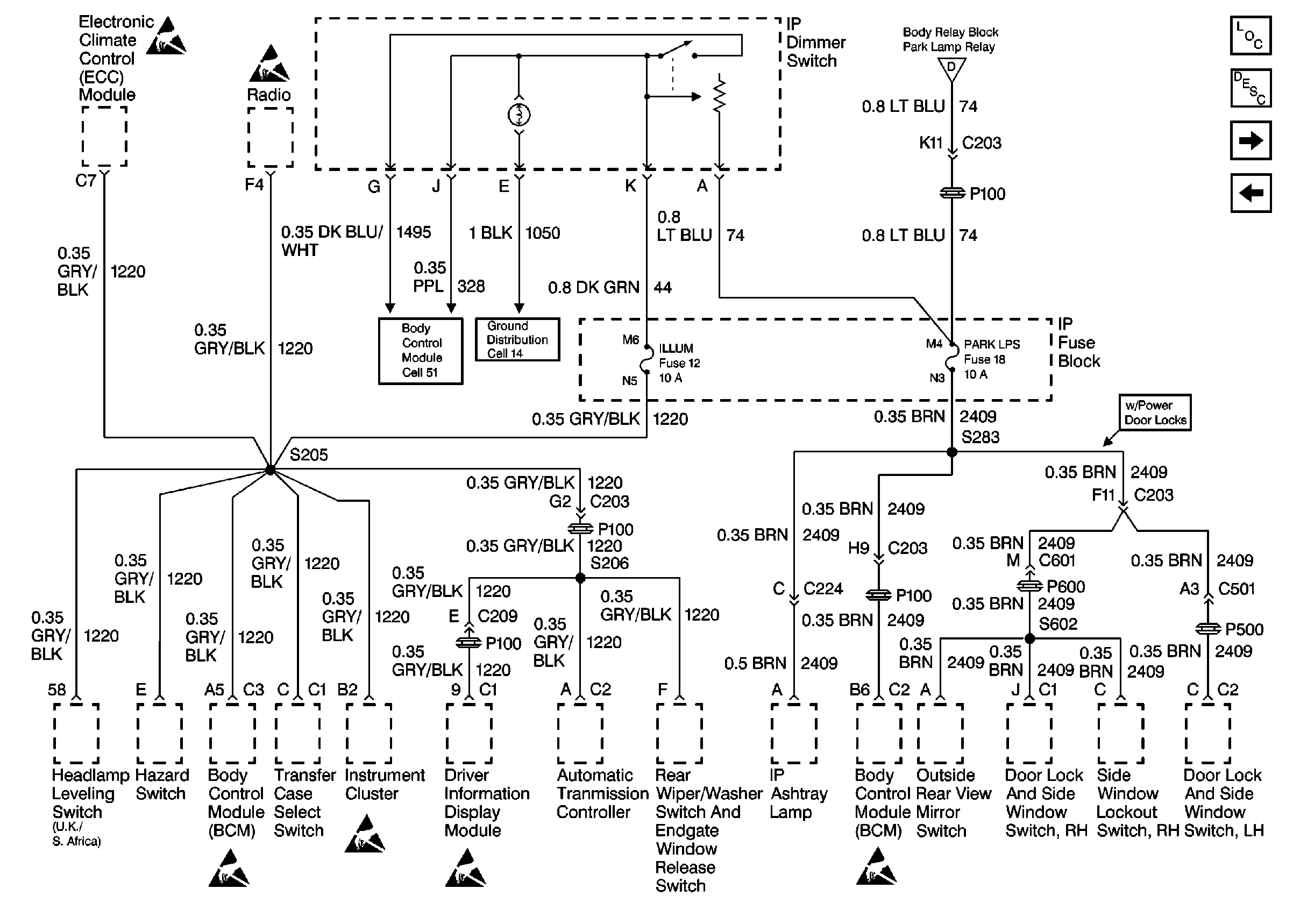
Figure 14:

Cell 10: IP Dimmer Switch


Object Number: 372126  Size: FS
Figure 15:

Cell 10: HVAC, RR W/W, ATC, HTD SEAT, RR DEFOG, and HTD MIR Fuses


Object Number: 372129  Size: FS
Figure 16:

Cell 10: HDLP W/W, TBC, LDLEV, and HORN Fuses


Object Number: 372132  Size: FS
Figure 17:

Cell 10: MIR/LKS, LH HDLP, and RH HDLP Fuses


Object Number: 372136  Size: FS
Figure 18:

Cell 10: B/U LP, 02, ENG 1, TRL B/U, VEH B/U, and BTSI Fuses


Object Number: 372138  Size: FS
Figure 19:

Cell 10: ECM 1 Fuse


Object Number: 372140  Size: FS