GM Service Manual Online
For 1990-2009 cars only
Figure 1:

Cell 14: G106, G107, G108, and G118


Object Number: 372073  Size: FS
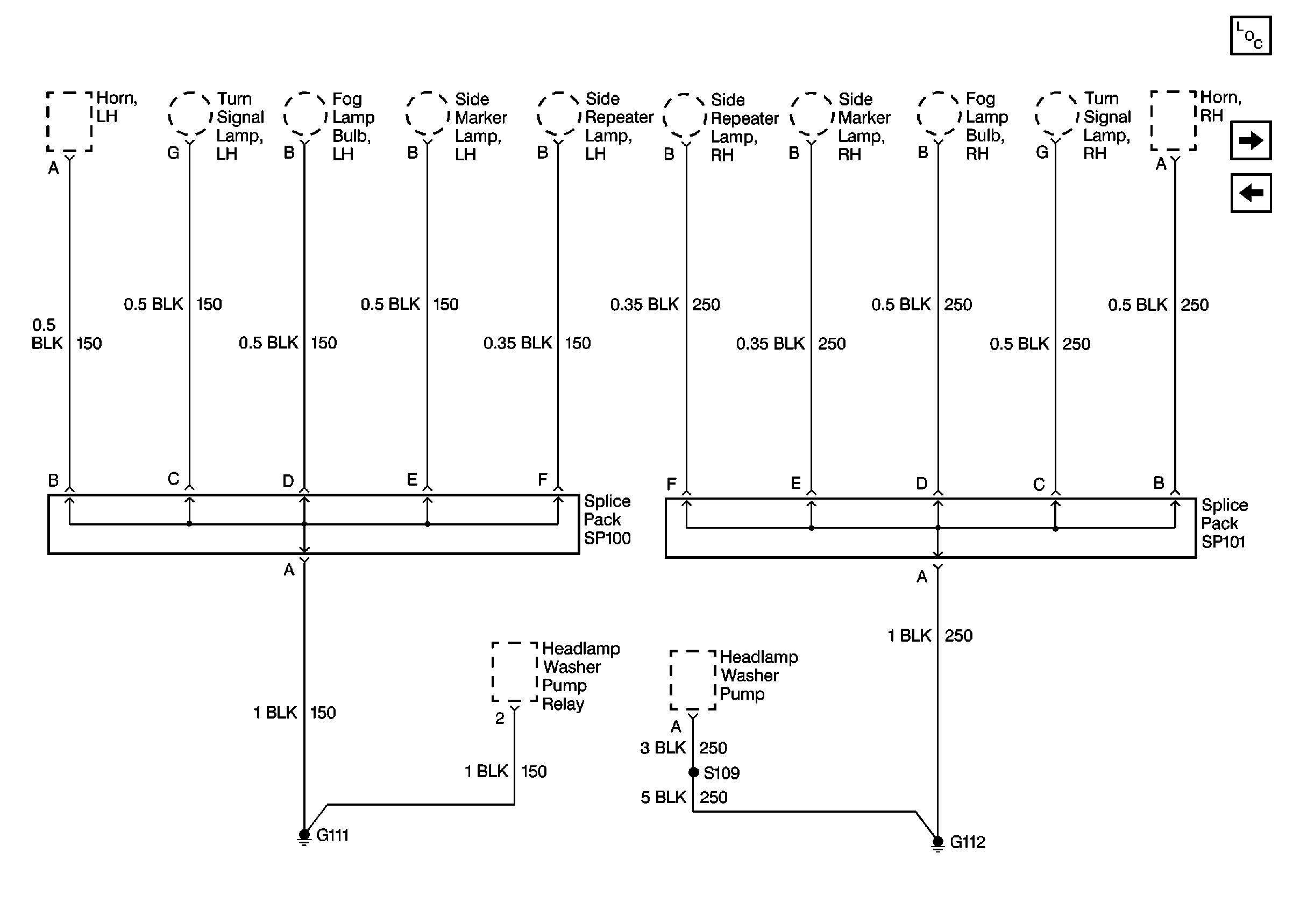
Figure 2:

Cell 14: G111 and G112


Object Number: 372074  Size: FS
Figure 3:

Cell 14: Electronic Brake Control Module and G110


Object Number: 372075  Size: FS
Figure 4:

Cell 14: Underhood Fuse Block and G102


Object Number: 372076  Size: FS
Figure 5:

Cell 14: Data Link Connector and Underhood Fuse Block


Object Number: 372077  Size: FS
Figure 6:

Cell 14: G103 and G105


Object Number: 372078  Size: FS
Figure 7:

Cell 14: G104 and G117


Object Number: 372079  Size: FS
Figure 8:

Cell 14: G203, G204, and G205


Object Number: 372081  Size: FS
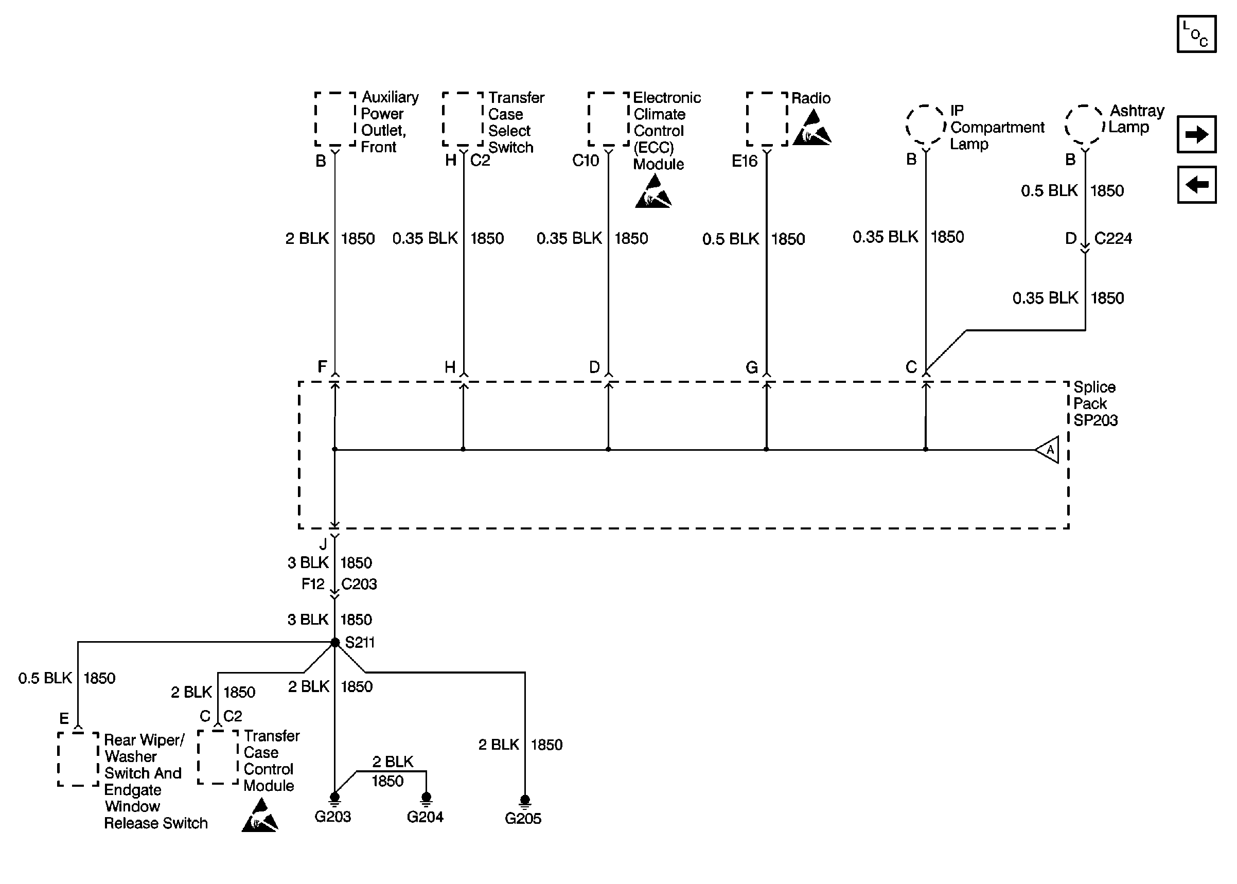
Figure 9:

Cell 14: Splice Pack SP203


Object Number: 372082  Size: FS
Figure 10:

Cell 14: G450


Object Number: 372083  Size: FS
Figure 11:

Cell 14: 6-Way Power Seats


Object Number: 372084  Size: FS
Figure 12:

Cell 14: 8-Way Power Seats, LH


Object Number: 372086  Size: FS
Figure 13:

Cell 14: 8-Way Power Seats, RH


Object Number: 372087  Size: FS
Figure 14:

Cell 14: High Mount Stop Lamp and G450


Object Number: 385180  Size: FS
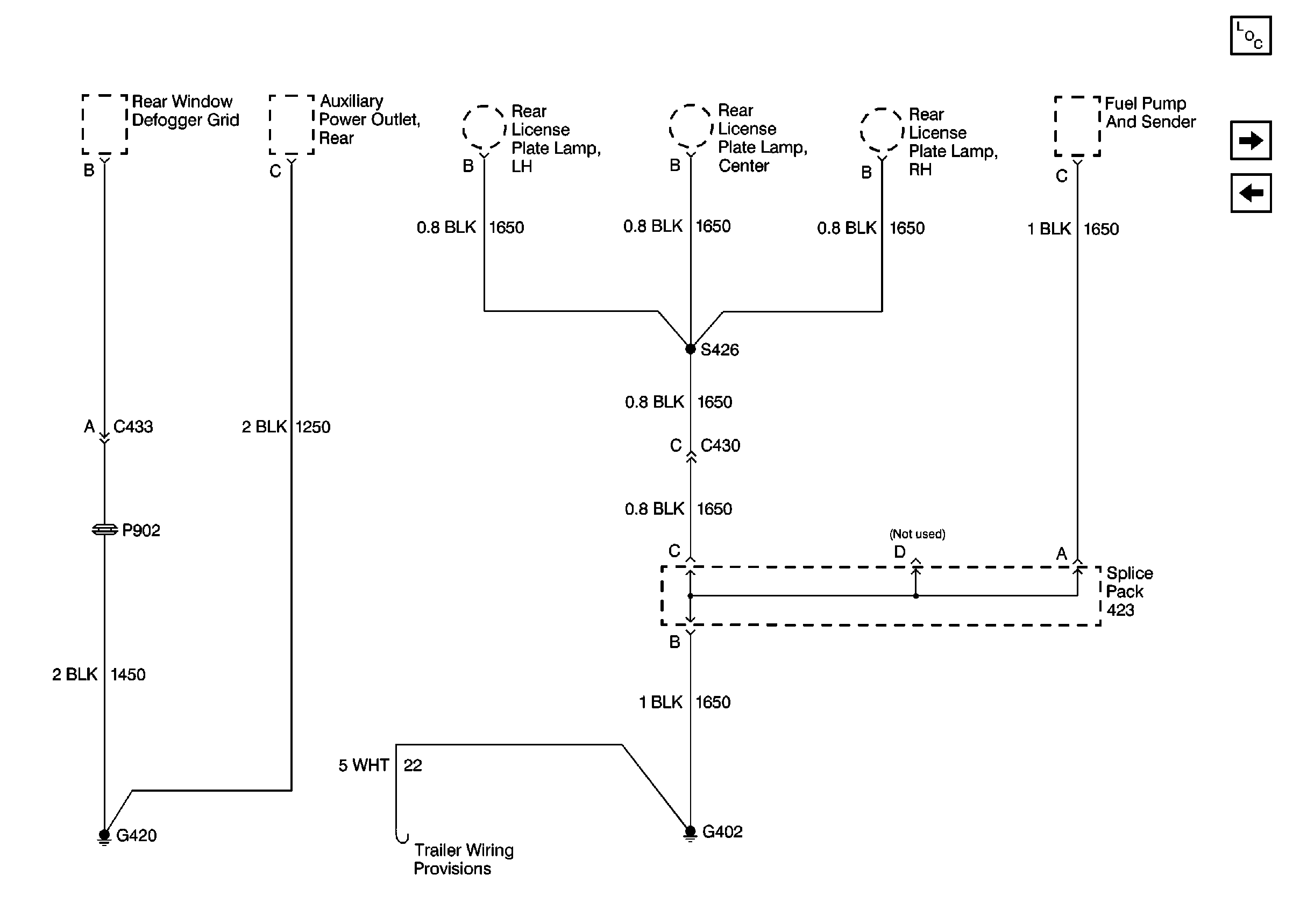
Figure 15:

Cell 14: G402 and G420


Object Number: 372089  Size: FS
Figure 16:

Cell 14: Body Relay Block


Object Number: 372091  Size: FS
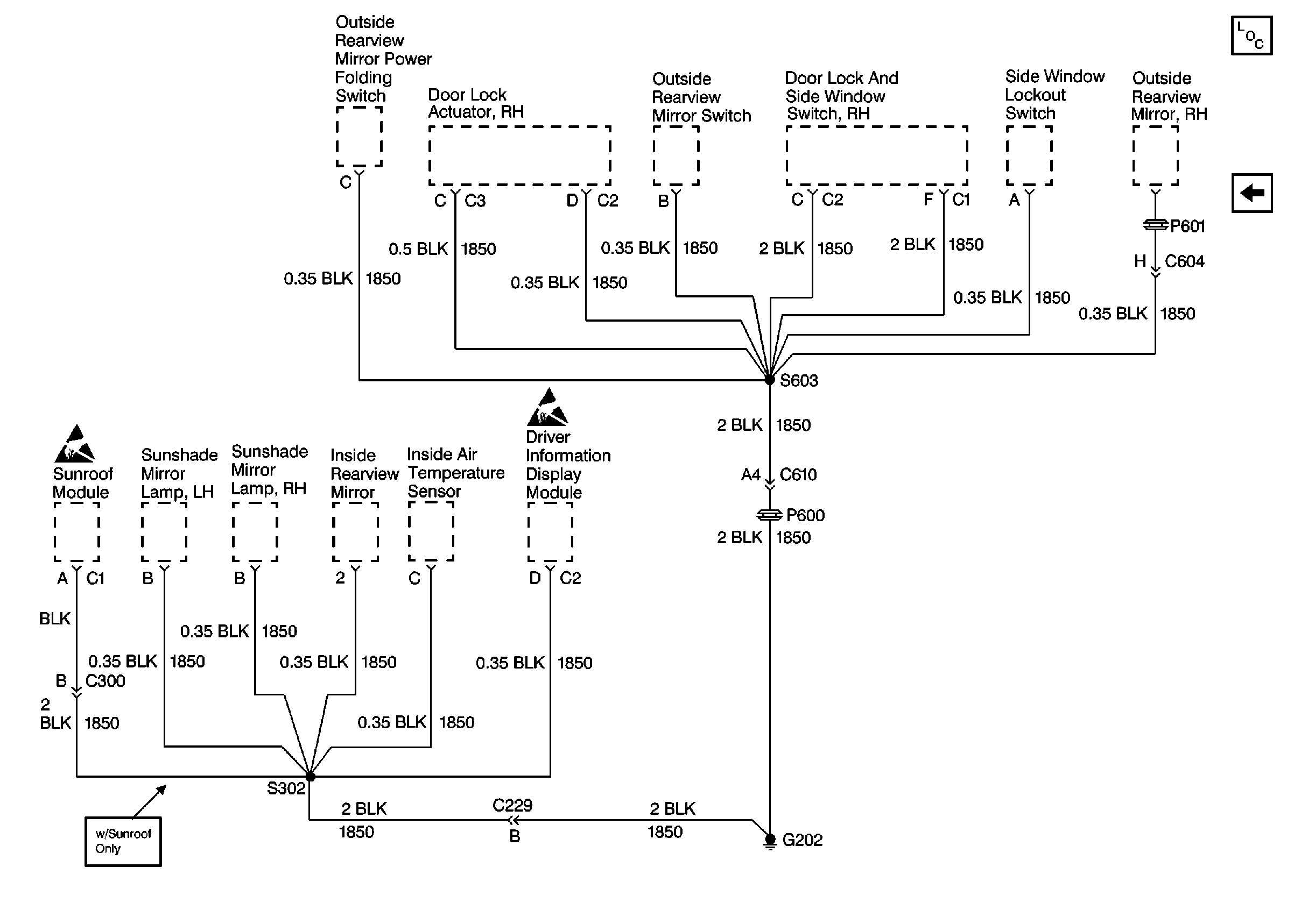
Figure 17:

Cell 14: G200 and G201


Object Number: 372095  Size: FS
Figure 18:

Cell 14: G202


Object Number: 372099  Size: FS