GM Service Manual Online
For 1990-2009 cars only
Figure 1:

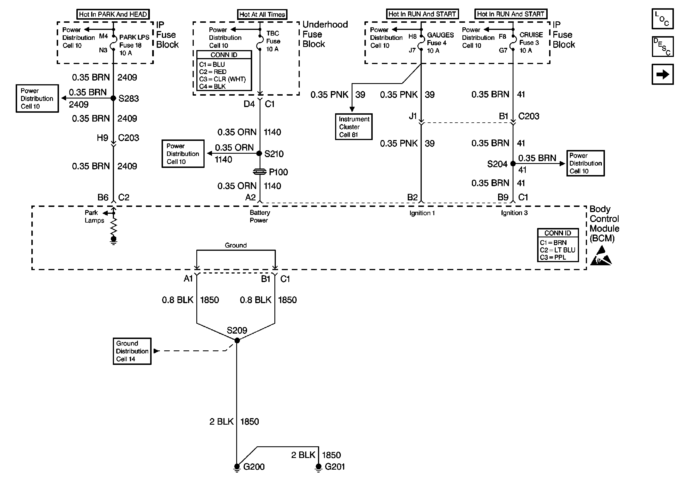
Cell 51: Power and Ground


Object Number: 371989  Size: FS
Figure 2:

Cell 51: DLC and VCM


Object Number: 371991  Size: FS
Figure 3:

Cell 51: Headlamp Power and Flash To Pass Relays


Object Number: 371993  Size: FS
Figure 4:

Cell 51: Hazard and Turn Signal Switch


Object Number: 371994  Size: FS
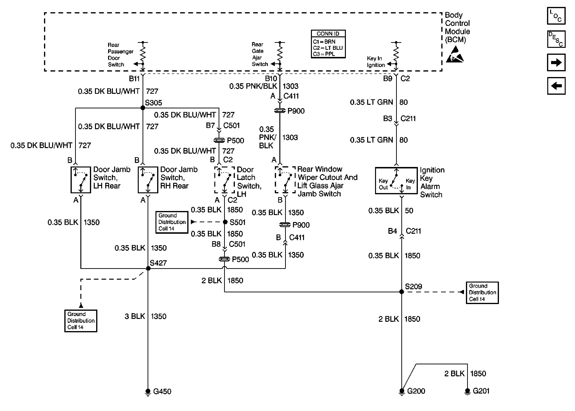
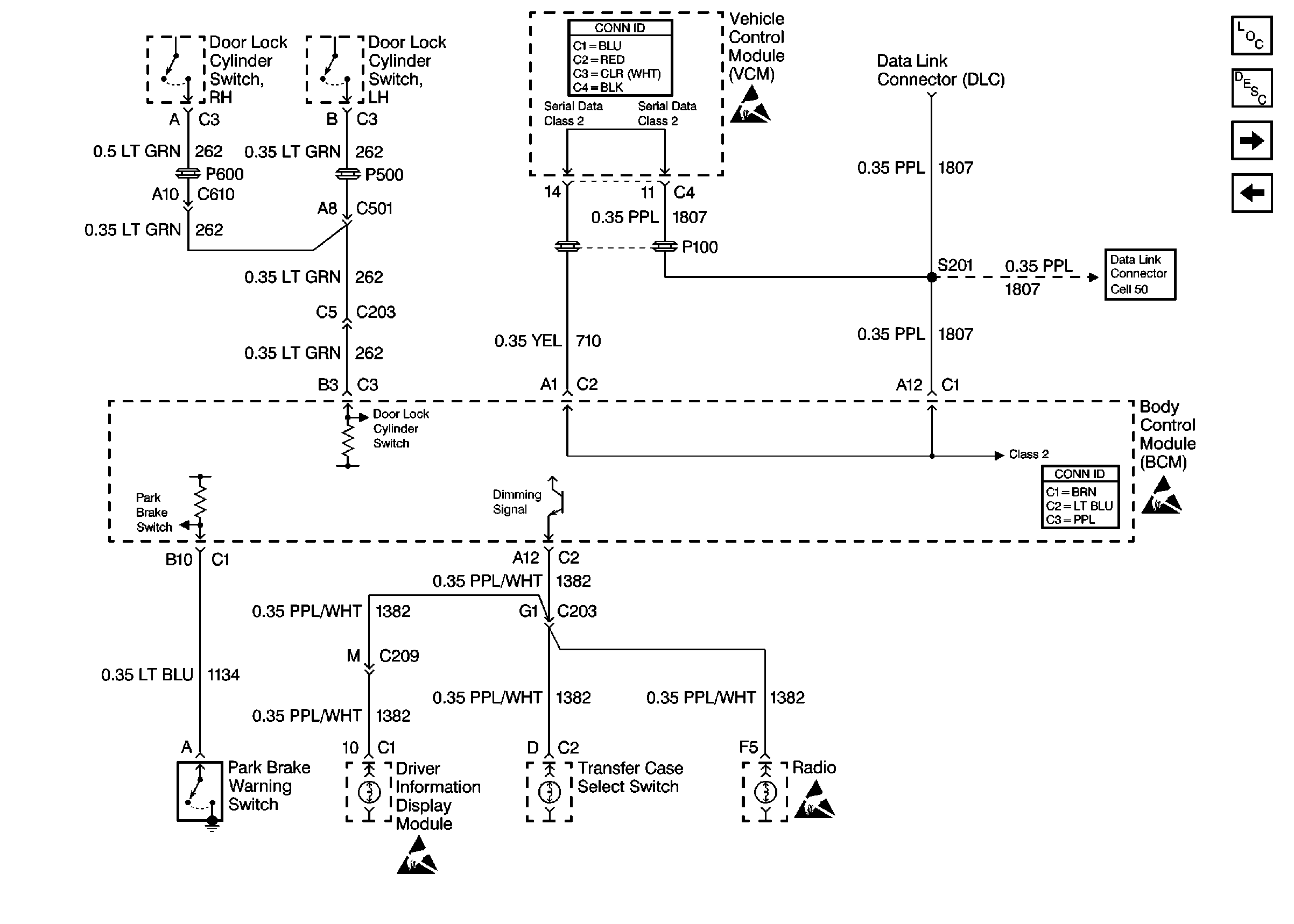
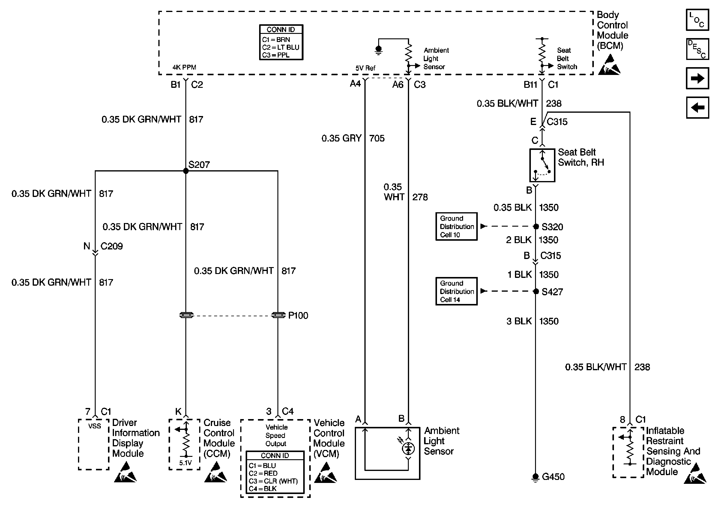
Figure 5:

Cell 51: Inputs


Object Number: 371996  Size: FS
Figure 6:

Cell 51: Inputs


Object Number: 371997  Size: FS
Figure 7:

Cell 51: Inputs


Object Number: 371998  Size: FS
Figure 8:

Cell 51: Inputs


Object Number: 371999  Size: FS
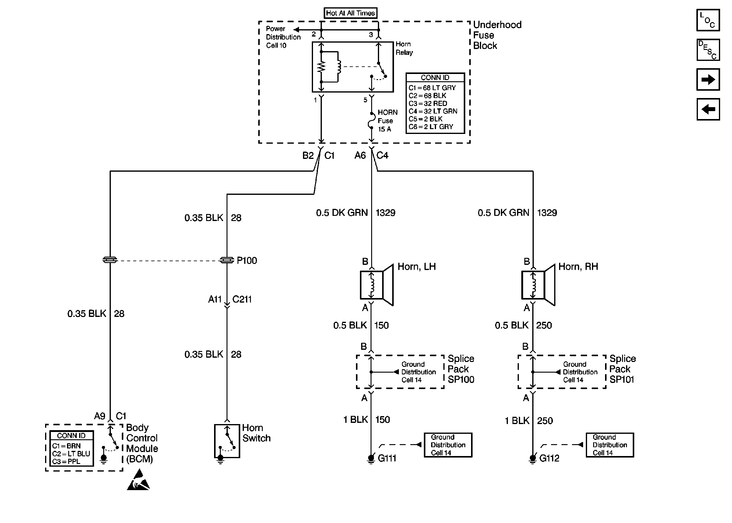
Figure 9:

Cell 51: Horns


Object Number: 372002  Size: FS
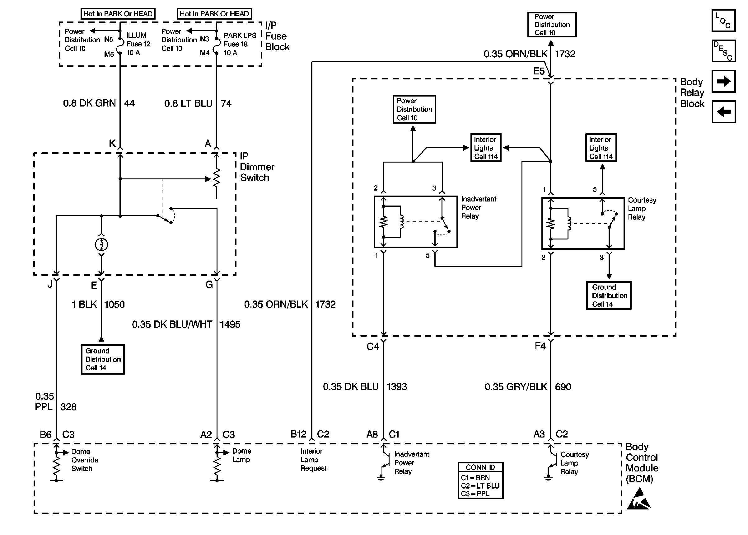
Figure 10:

Cell 51: IP Dimmer Switch


Object Number: 388118  Size: FS
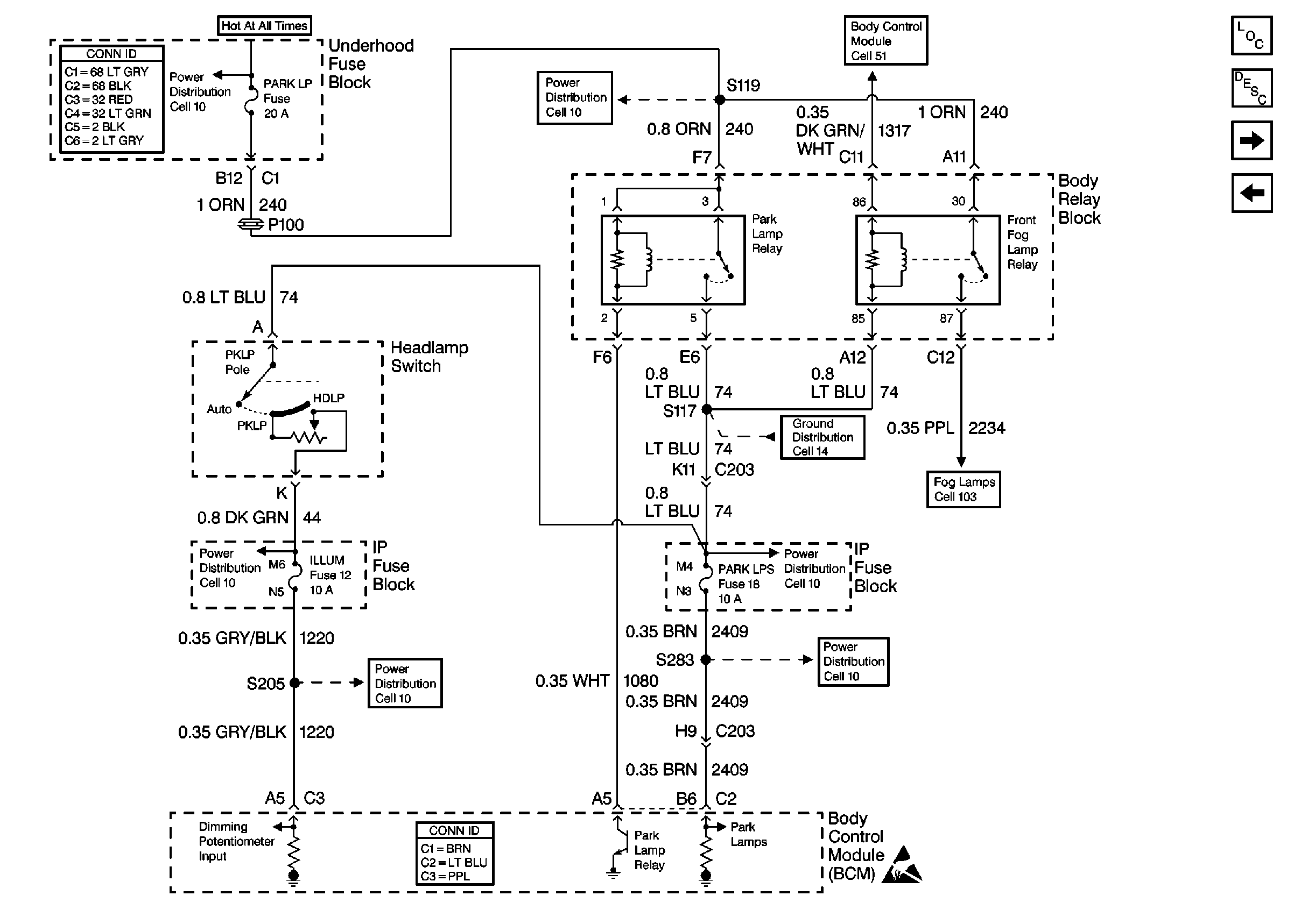
Figure 11:

Cell 51: Exterior Lights


Object Number: 372009  Size: FS
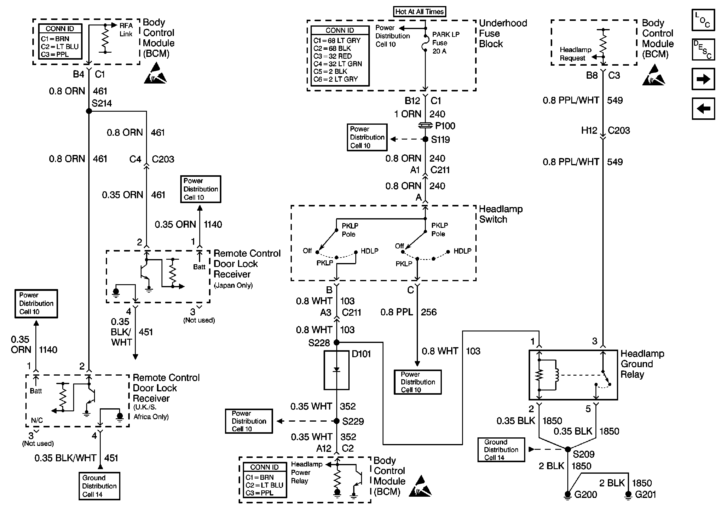
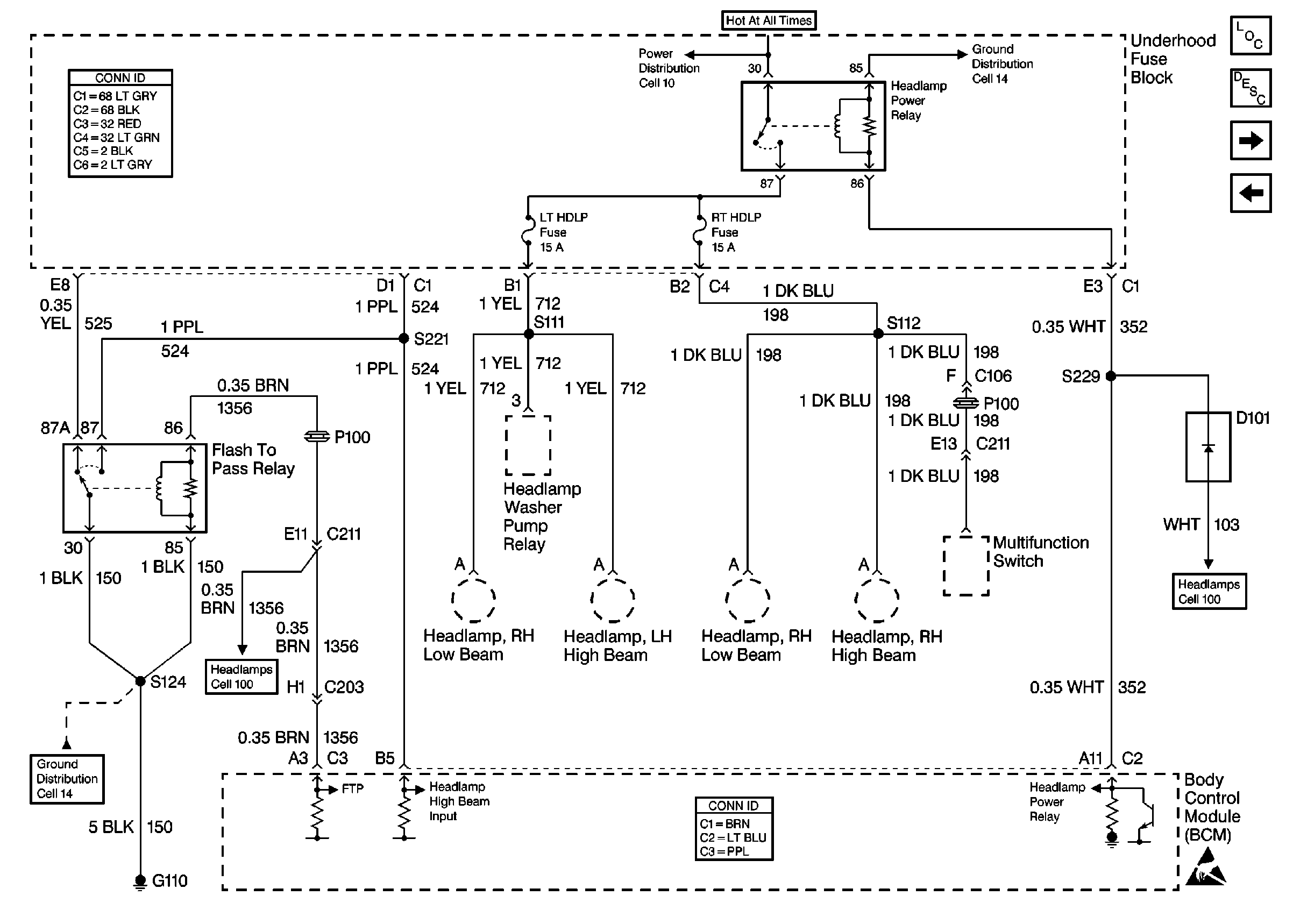
Figure 12:

Cell 51: HeadLights


Object Number: 372003  Size: FS
Figure 13:

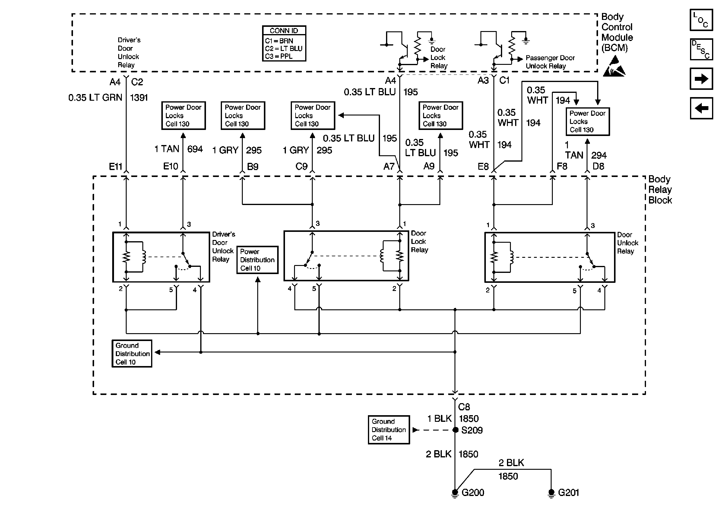
Cell 51: Power Locks


Object Number: 372005  Size: FS
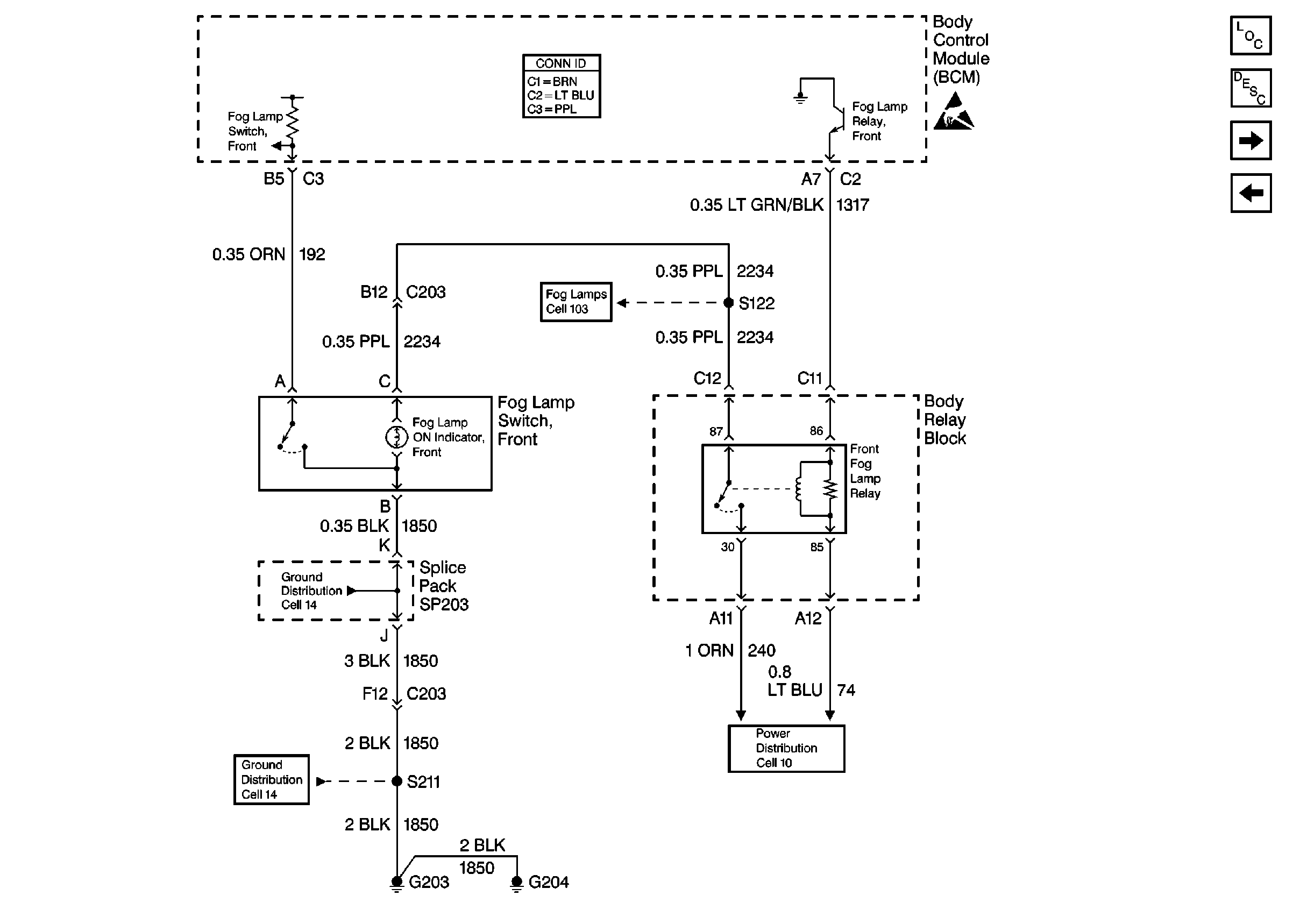
Figure 14:

Cell 51: Front Fog Lights


Object Number: 372011  Size: FS
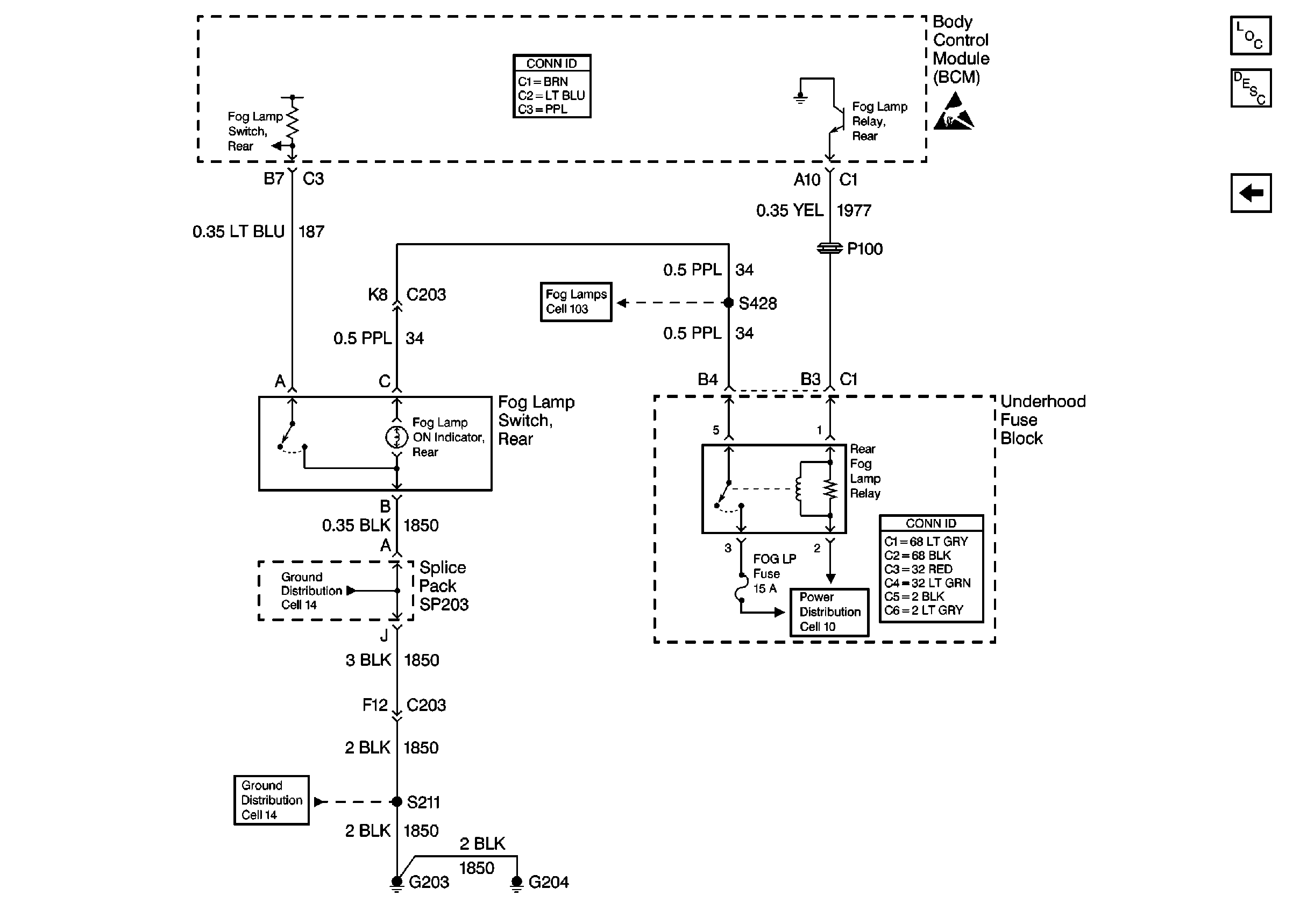
Figure 15:

Cell 51: Rear Fog Lights


Object Number: 372012  Size: FS
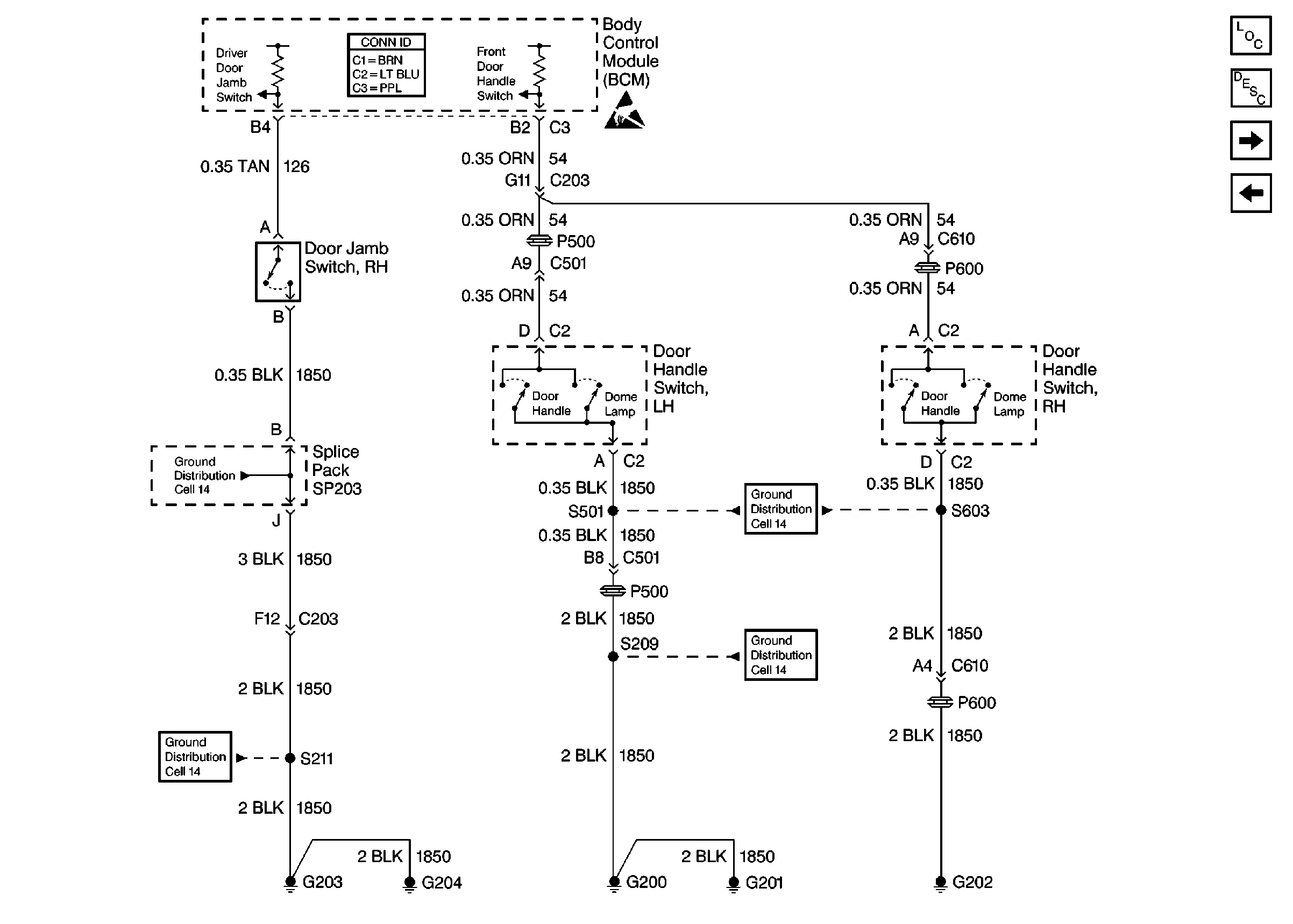
Figure 16:

Cell 51: Power Door Locks


Object Number: 397055  Size: FS
Figure 17:

Cell 51: Courtesy Lamp Circuit


Object Number: 397082  Size: FS