GM Service Manual Online
For 1990-2009 cars only
Makes
🢒
Chevrolet
🢒
1999
🢒
Blazer - 4WD - RHD
🢒
Body and Accessories
🢒
Keyless Entry
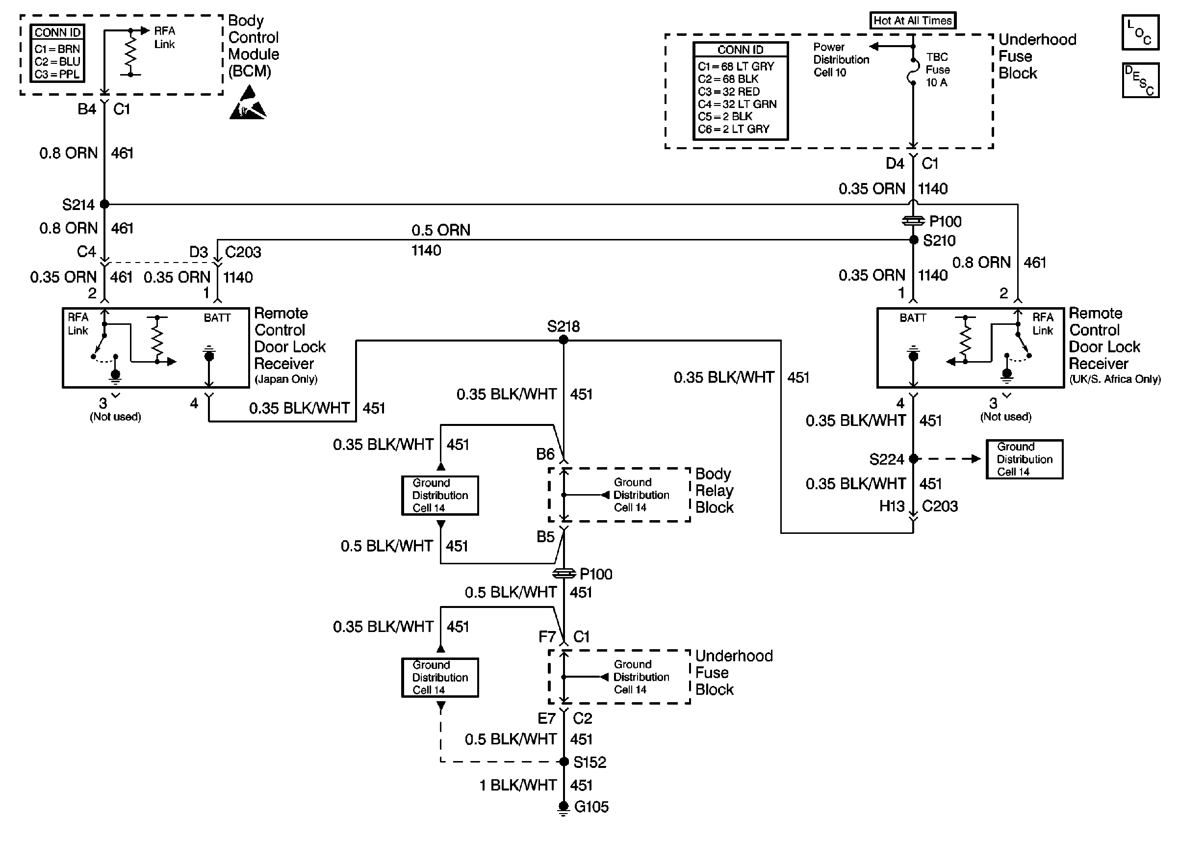
🢒 Keyless Entry Schematics
Cell 132