GM Service Manual Online
For 1990-2009 cars only
Makes
🢒
Chevrolet
🢒
1999
🢒
Blazer - 4WD - RHD
🢒
Body and Accessories
🢒
Doors
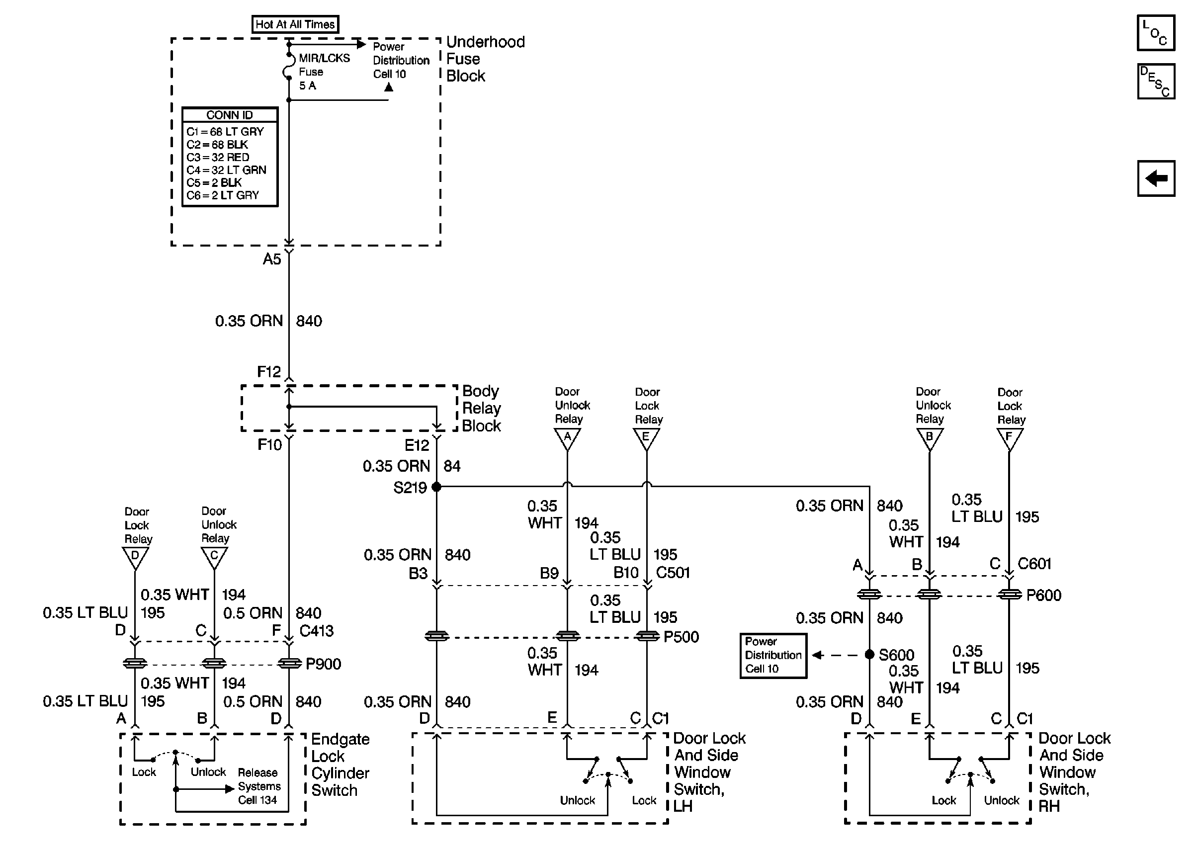
🢒 Door Lock/Indicator Schematics
Figure
1:
Cell 130: IP Fuse Block, Body Relay Block, and BCM
Figure
2:
Cell 130: Underhood Fuse Block and Endgate Lock Cylinder Switch