GM Service Manual Online
For 1990-2009 cars only
Makes
🢒
Chevrolet
🢒
1999
🢒
Blazer - 4WD - RHD
🢒
Body and Accessories
🢒
Doors
🢒 Outside Rearview Mirror Schematics
Figure
1:
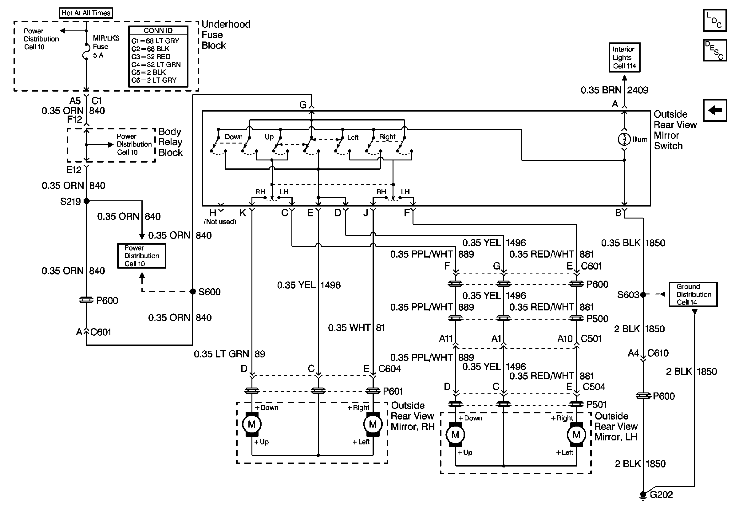
Cell 147: Power and Ground
Figure
2:
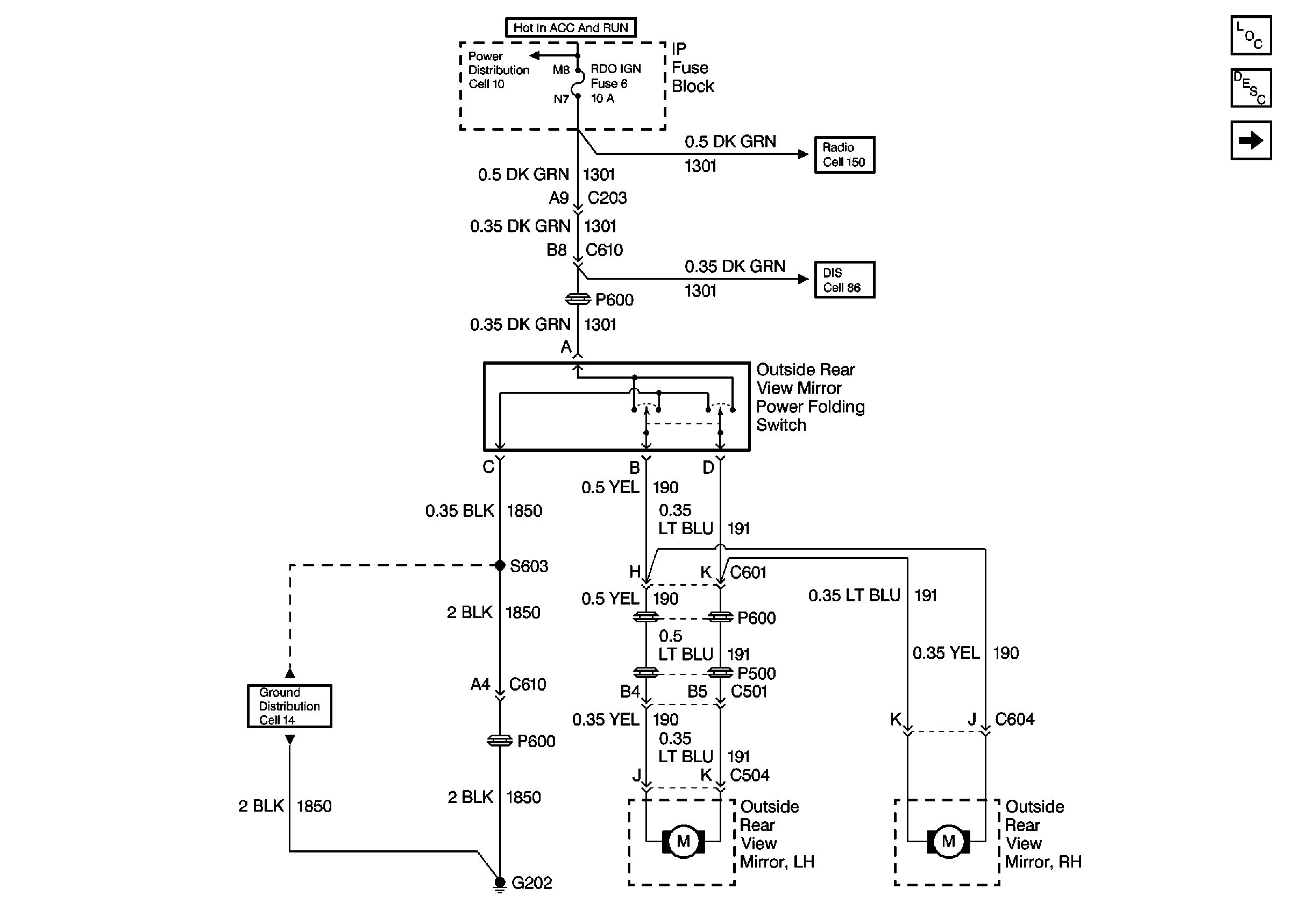
Cell 147: HTD Mirror Fuse and Ground
Figure
3:
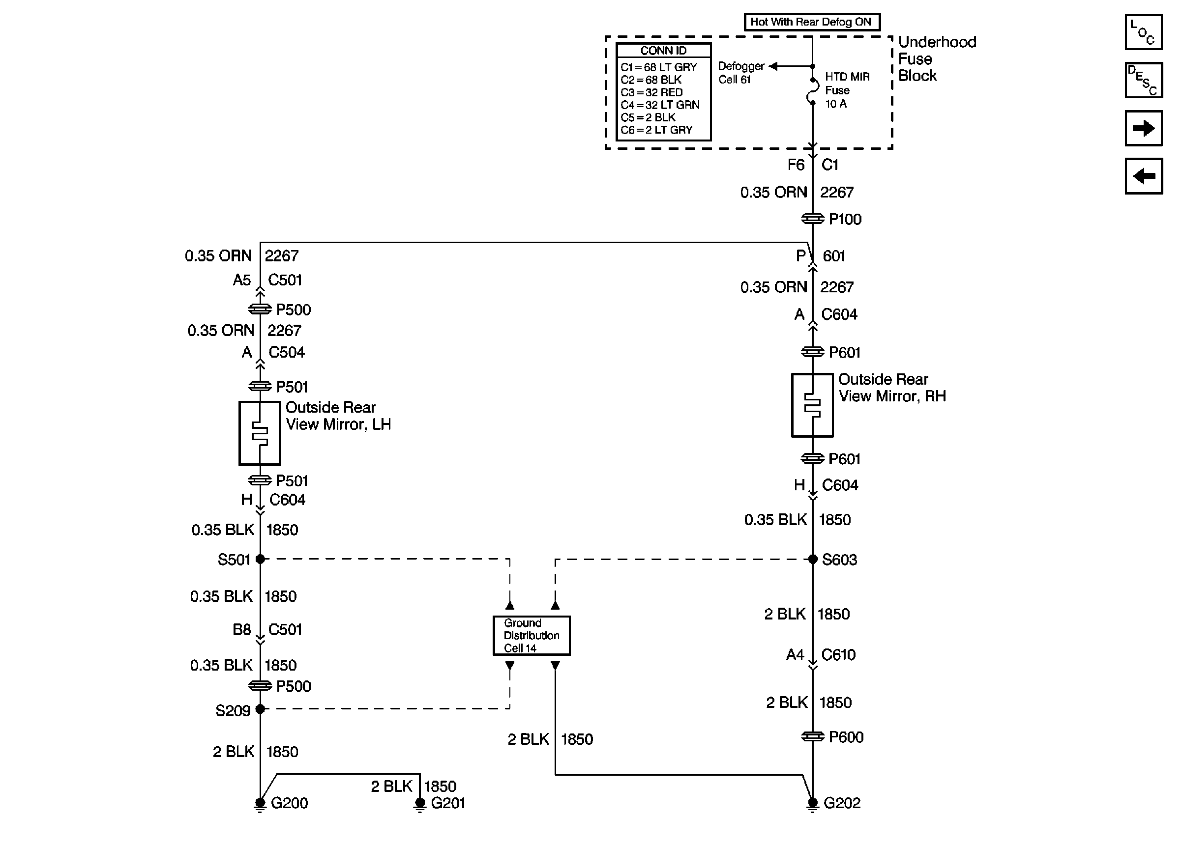
Cell 147: Outside Rear View Mirror Controls