GM Service Manual Online
For 1990-2009 cars only
Figure 1:

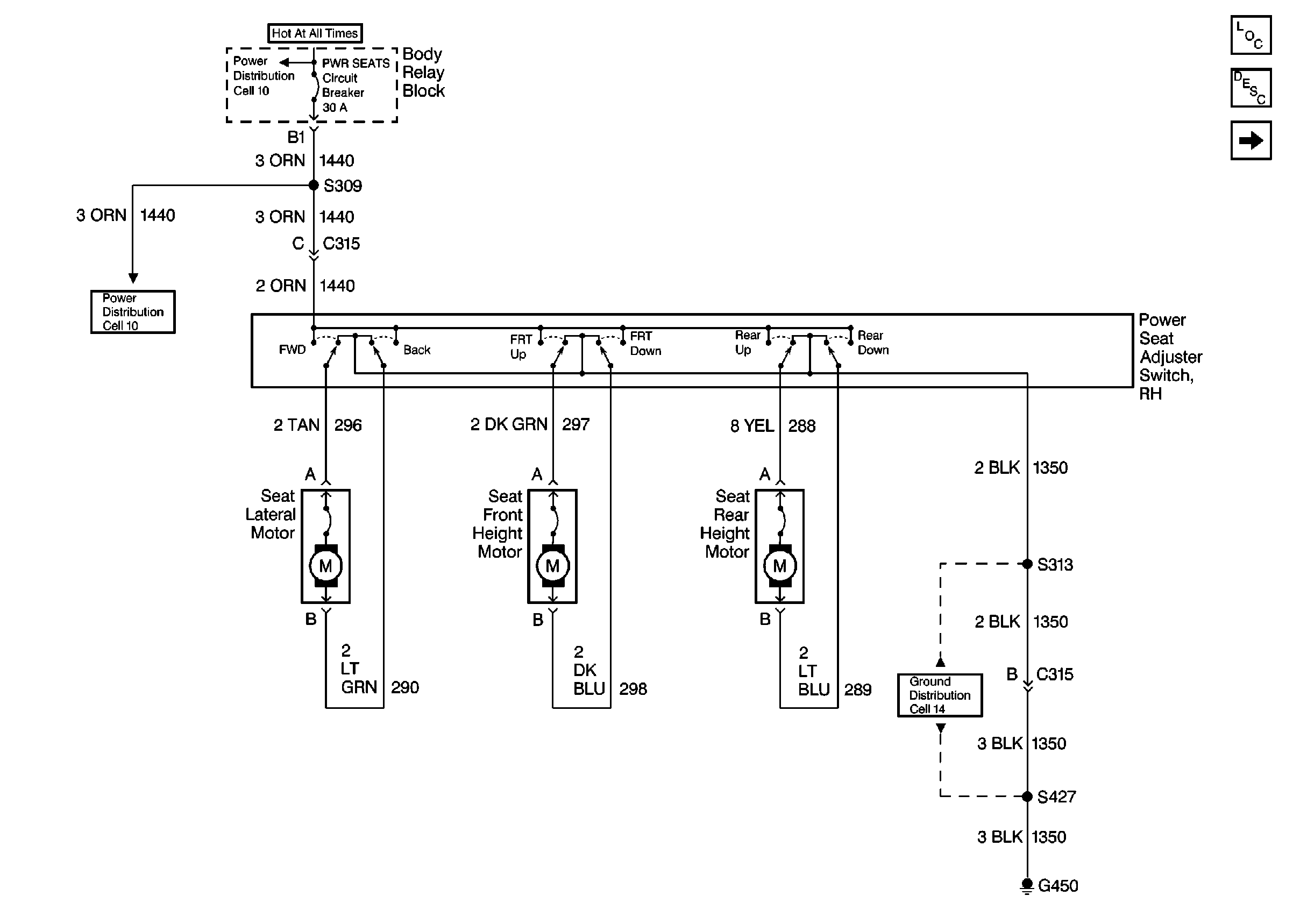
Cell 140: 6-Way Power (RH)


Object Number: 375444  Size: FS
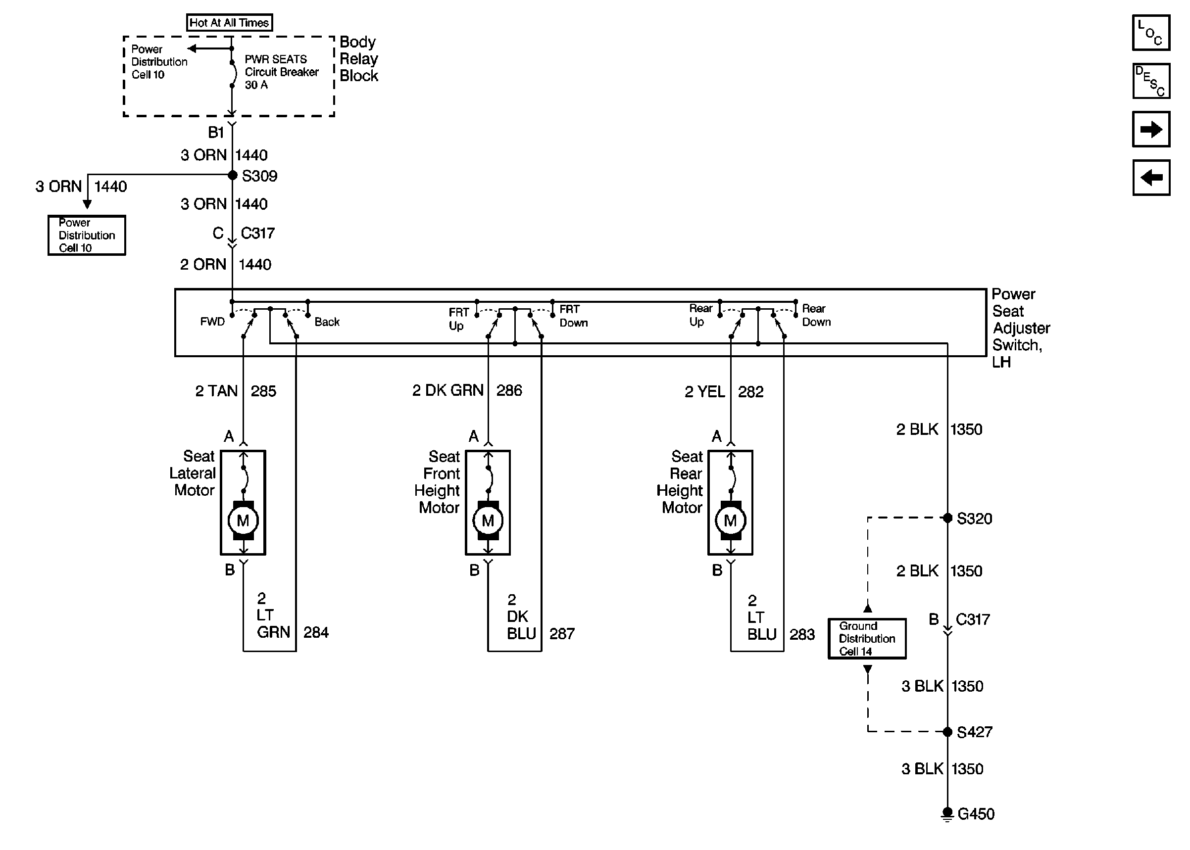
Figure 2:

Cell 140: 6-Way Power (LH)


Object Number: 375445  Size: FS
Figure 3:

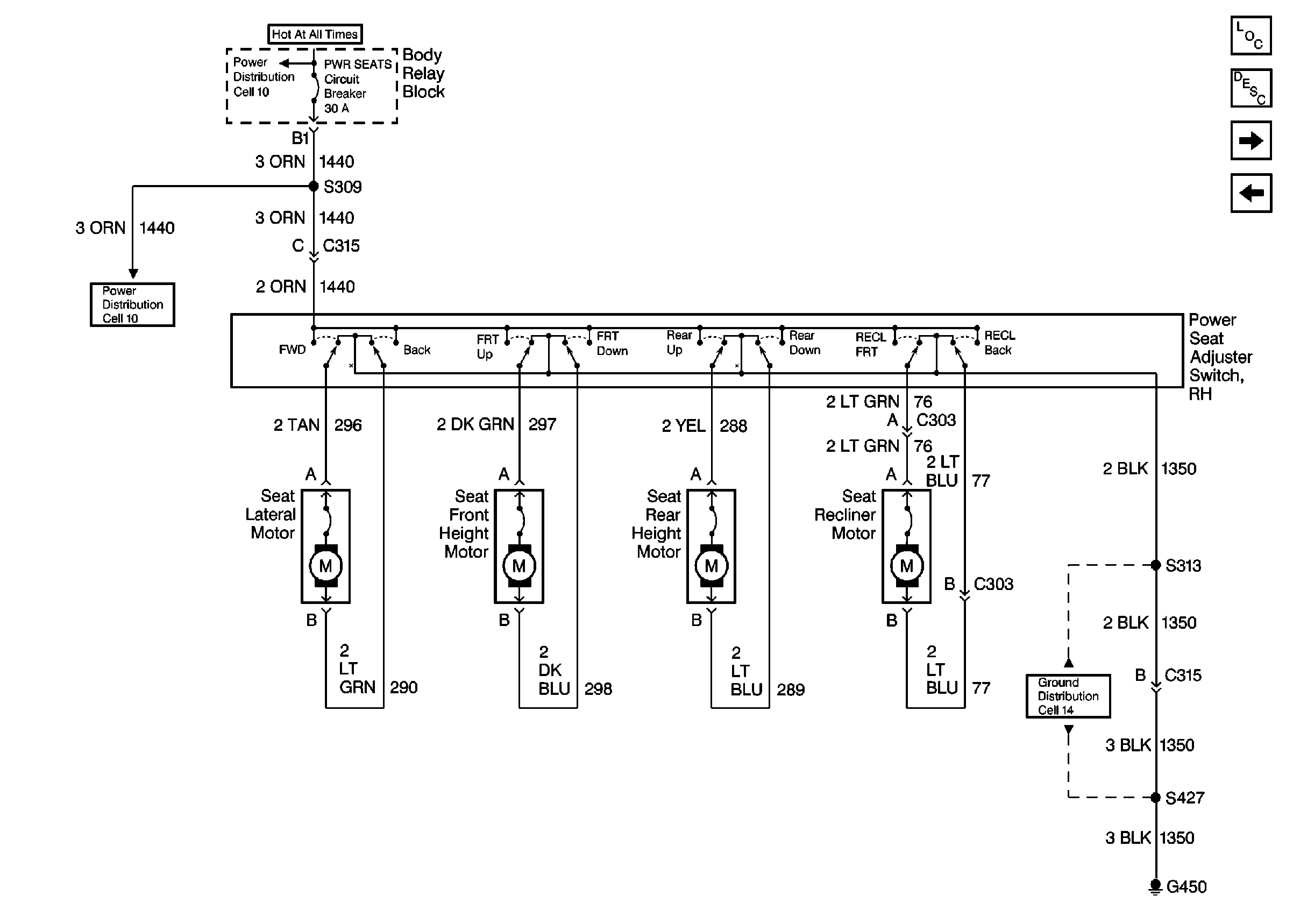
Cell 140: 8-Way Power (RH)


Object Number: 375446  Size: FS
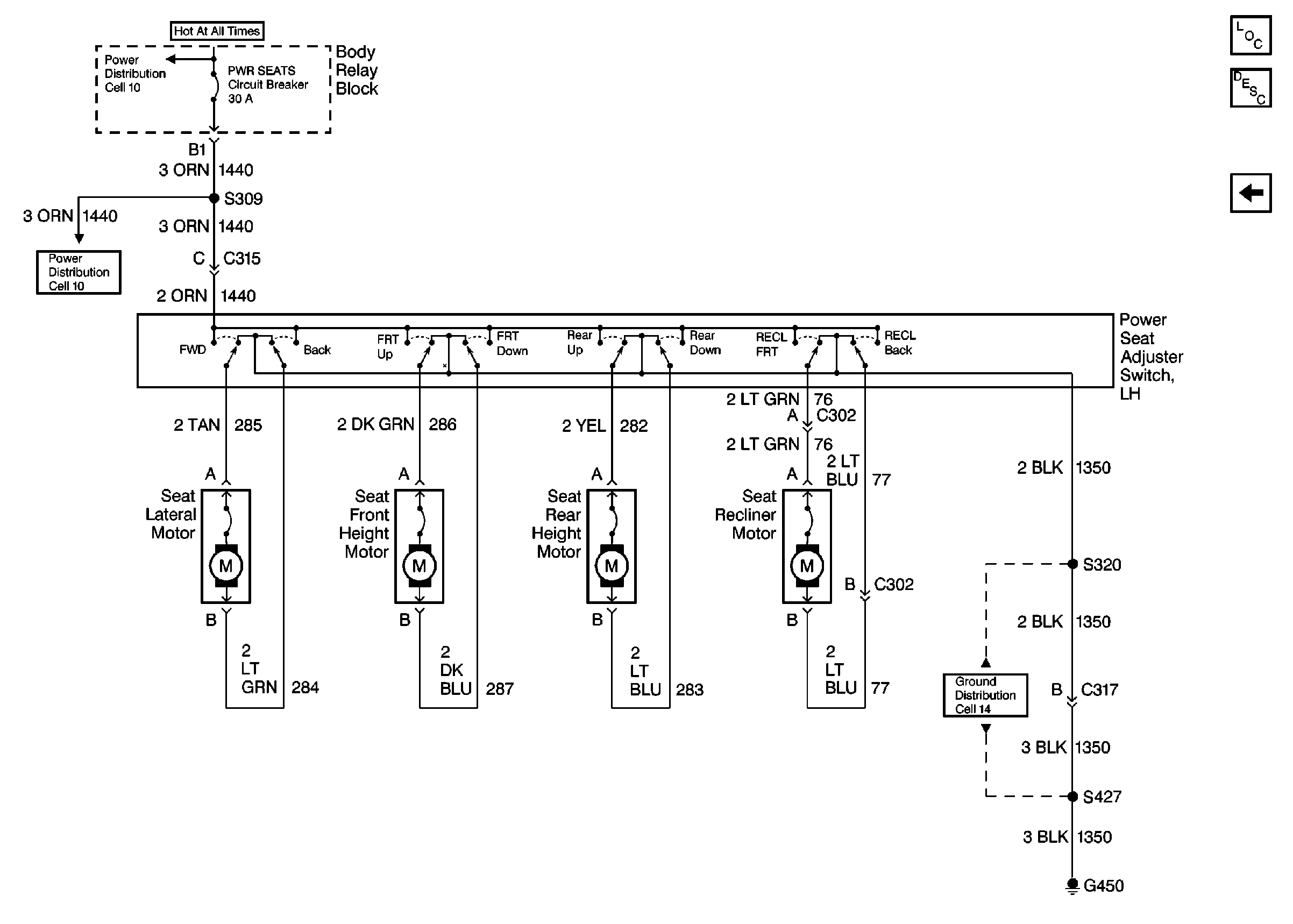
Figure 4:

Cell 140: 8-Way Power (LH)


Object Number: 375448  Size: FS