GM Service Manual Online
For 1990-2009 cars only
Makes
🢒
Chevrolet
🢒
1999
🢒
Blazer - 4WD - RHD
🢒
Body and Accessories
🢒
Seats
🢒 Heated Seats Schematics
Figure
1:
Cell 143: Heated Seat Module, and Lumbar and Heat Switch (LH)
Figure
2:
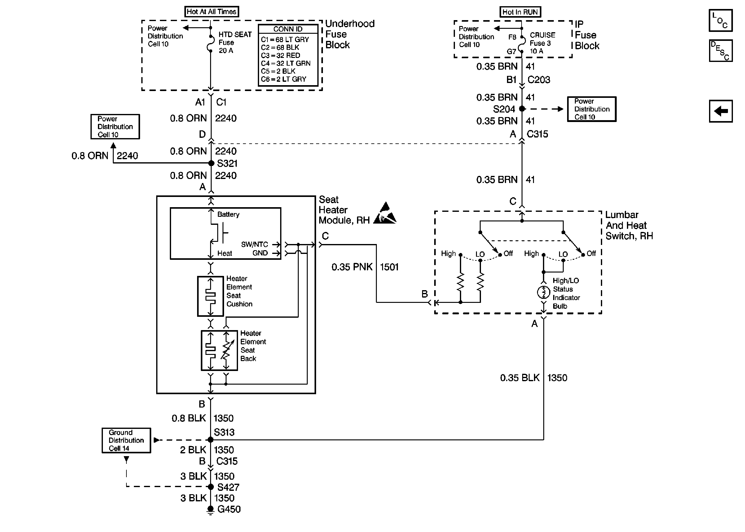
Cell 143: Heated Seat Module, and Lumbar and Heat Switch (RH)