GM Service Manual Online
For 1990-2009 cars only
Makes
🢒
Chevrolet
🢒
1999
🢒
Blazer - 4WD - RHD
🢒
Body and Accessories
🢒
Seats
🢒 Memory Seats Schematics
Figure
1:
Cell 141: Power, Ground, and Memory Seat Module
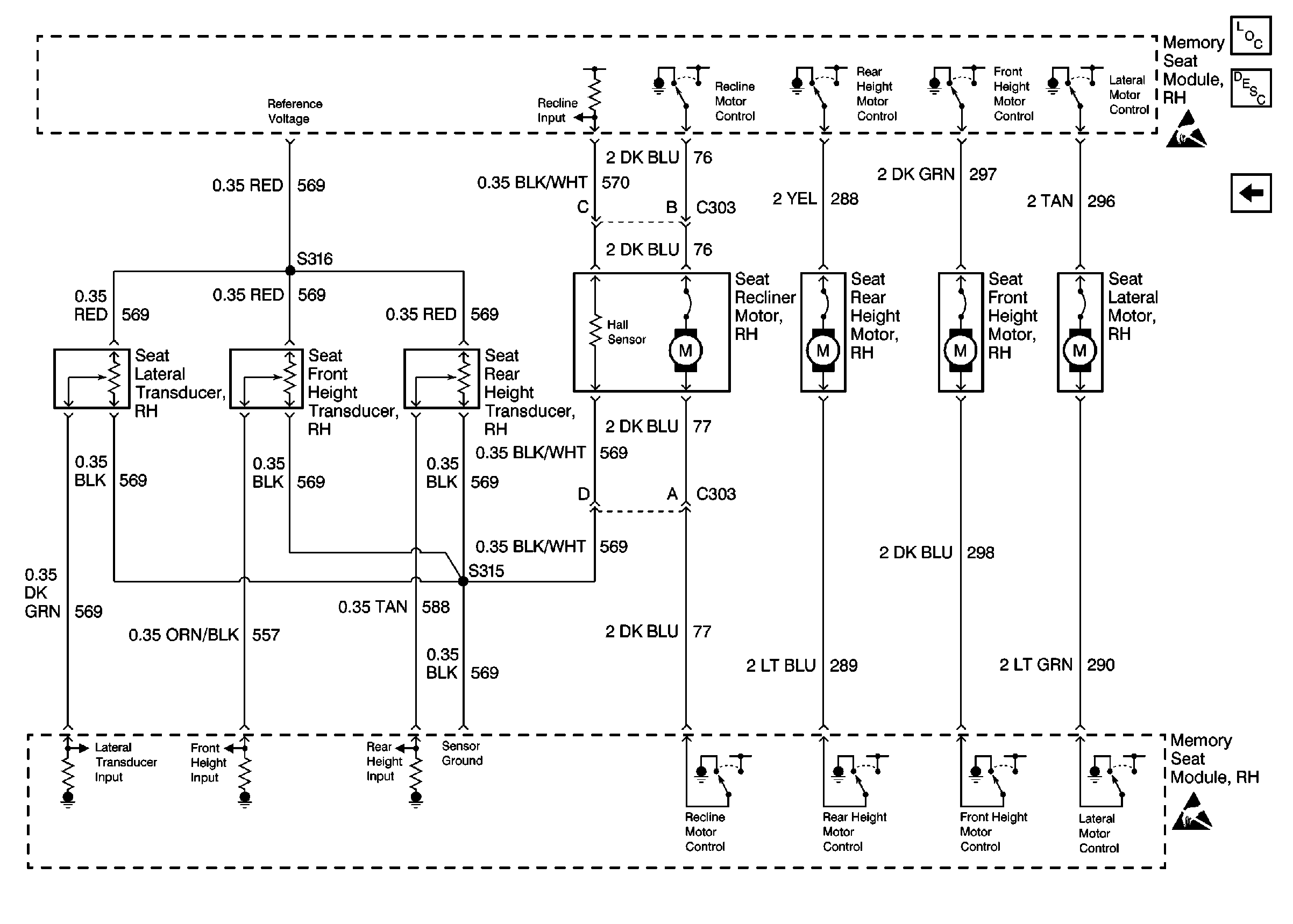
Figure
2:
Cell 141: Memory Seat Module