GM Service Manual Online
For 1990-2009 cars only
Makes
🢒
Chevrolet
🢒
1999
🢒
Blazer - 4WD - RHD
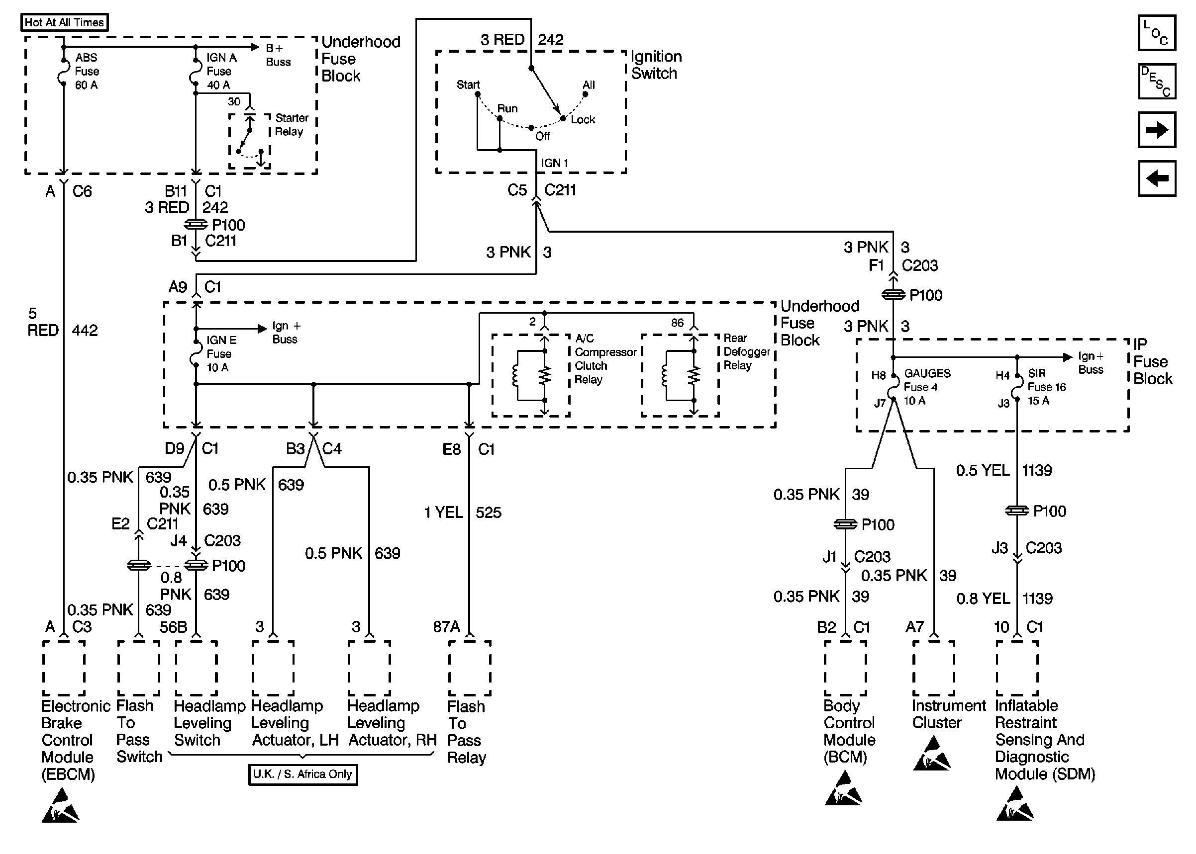
🢒 Cell 10: ABS, IGN A, IGN E, GAUGES, and SIR Fuses
Cell 10: ABS, IGN A, IGN E, GAUGES, and SIR Fuses
Cell 10: ABS, IGN A, IGN E, GAUGES, and SIR Fuses