GM Service Manual Online
For 1990-2009 cars only

Valve Rocker Arm Cover Replacement Left Side

Removal Procedure

  1. Remove the air cleaner outlet duct from the throttle body and the air cleaner assembly. Refer to Air Cleaner Outlet Duct Replacement in Engine Controls.

  2. Object Number: 380027  Size: SH
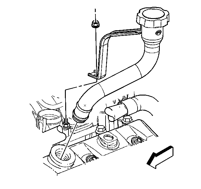
  3. Remove the nut holding the oil fill tube to the intake manifold.
  4. Remove the oil fill tube from the valve rocker arm cover.

  5. Object Number: 172995  Size: SH
  6. Remove the PCV valve and the hose assembly from the valve rocker arm cover and the intake manifold.

  7. Object Number: 246797  Size: SH
  8. Disconnect the engine coolant temperature (ECT) sensor electrical connector.

  9. Object Number: 475776  Size: SH
  10. Remove the engine wiring harness from the engine wiring harness brackets at the left rear of the engine.
  11. Move and secure the engine wiring harness aside.
  12. Remove the spark plug wire harness retainer from the EGR valve inlet pipe bracket.
  13. Remove the EGR valve inlet pipe from the intake manifold and the exhaust manifold. Refer to Exhaust Gas Recirculation Pipe Replacement in Engine Controls.
  14. Important: It is not necessary to remove the A/C compressor and the power steering pump mounting bracket.

  15. Remove the left valve rocker arm cover. Refer to Valve Rocker Arm Cover Removal (Left) .
  16. Clean all sealing surfaces. Refer to Valve Rocker Arm and Push Rods Clean and Inspect .

Installation Procedure

  1. Install the left valve rocker arm cover. Refer to Valve Rocker Arm Cover Installation (Left) .
  2. Install the EGR valve inlet pipe to the intake manifold and the exhaust manifold. Refer to Exhaust Gas Recirculation Pipe Replacement in Engine Controls.
  3. Install the spark plug wire harness retainer to the EGR valve pipe bracket.

  4. Object Number: 475776  Size: SH
  5. Install he engine wiring harness to the engine wiring harness brackets at the left rear of the engine.

  6. Object Number: 246797  Size: SH
  7. Connect the ECT sensor electrical connector.

  8. Object Number: 172995  Size: SH
  9. Install the PCV valve and the hose assembly to the intake manifold and the valve rocker arm cover.

  10. Object Number: 380027  Size: SH
  11. Install the oil fill tube in the valve rocker arm cover.
  12. Notice: Use the correct fastener in the correct location. Replacement fasteners must be the correct part number for that application. Fasteners requiring replacement or fasteners requiring the use of thread locking compound or sealant are identified in the service procedure. Do not use paints, lubricants, or corrosion inhibitors on fasteners or fastener joint surfaces unless specified. These coatings affect fastener torque and joint clamping force and may damage the fastener. Use the correct tightening sequence and specifications when installing fasteners in order to avoid damage to parts and systems.

  13. Install the oil fill tube on the intake manifold stud and install the nut.
  14. Tighten
    Tighten the nut to 12 N·m (106 lb in).

  15. Install the air cleaner outlet duct to the throttle body and the air cleaner assembly. Refer to Air Cleaner Outlet Duct Replacement in Engine Controls.

Valve Rocker Arm Cover Replacement Right Side

Removal Procedure


    Object Number: 172994  Size: SH
  1. Remove the PCV tube from the valve rocker arm cover and the air cleaner outlet duct.
  2. Partial drain the engine coolant. Refer to Cooling System Draining and Filling in Engine Cooling.

  3. Object Number: 475775  Size: SH
  4. Disconnect the following electrical connectors:
  5. • The exhaust gas recirculation (EGR) valve (1)
    • The ignition coil (4)
    • The ignition control module (ICM) (3)
  6. Remove the engine wiring harness clip (2) from the accelerator control cable bracket.

  7. Object Number: 475776  Size: SH
  8. Remove the engine wiring harness from the engine wiring harness bracket at the right rear of the engine.

  9. Object Number: 380009  Size: SH
  10. Remove the accelerator control cable bracket from the generator mounting bracket.
  11. Move the bracket with the cables and the engine wiring harness aside.
  12. Move and secure the engine wiring harness out of the way.
  13. Remove the EVAP canister purge solenoid valve. Refer to Evaporative Emission Canister Purge Solenoid Valve Replacement in Engine Controls.

  14. Object Number: 395682  Size: SH
  15. Remove both heater hoses from the engine. Refer to LINK in Heating Ventilation and Air Conditioning.
  16. Remove the heater hose bracket from the rear of the generator.

  17. Object Number: 416718  Size: SH
  18. Remove the ignition control module (ICM) nuts and set the ICM aside. Refer to Ignition Coil and Ignition Coil Module Replacement in Engine Electrical.
  19. Important: When turning the clutch master cylinder do not turn to the unlock position.

  20. Turn the clutch master cylinder for clearance, if equipped.
  21. Remove the right valve rocker arm cover. Refer to Valve Rocker Arm Cover Removal (Right) .
  22. Clean all sealing surfaces. Refer to Valve Rocker Arm and Push Rods Clean and Inspect .

Installation Procedure


    Object Number: 416718  Size: SH
  1. Install the right valve rocker arm cover and bolts. Refer to Valve Rocker Arm Cover Installation (Right) .
  2. Reposition the clutch master cylinder, if equipped.
  3. Install the ignition control module (ICM) and nuts. Refer to Ignition Coil and Ignition Coil Module Replacement in Engine Electrical.
  4. Install the EVAP canister purge solenoid valve. Refer to Evaporative Emission Canister Purge Solenoid Valve Replacement in Engine Controls.

  5. Object Number: 395682  Size: SH
  6. Install both heater hoses to the engine. Refer to LINK Heating Ventilation and Air Conditioning.
  7. Notice: Use the correct fastener in the correct location. Replacement fasteners must be the correct part number for that application. Fasteners requiring replacement or fasteners requiring the use of thread locking compound or sealant are identified in the service procedure. Do not use paints, lubricants, or corrosion inhibitors on fasteners or fastener joint surfaces unless specified. These coatings affect fastener torque and joint clamping force and may damage the fastener. Use the correct tightening sequence and specifications when installing fasteners in order to avoid damage to parts and systems.

  8. Install the heater hose bracket and bolts to the rear of the generator.
  9. Tighten
    Tighten the heater hose bracket bolts to 25 N·m (18 lb ft).


    Object Number: 380009  Size: SH
  10. Install the accelerator control cable bracket to the generator mounting bracket.
  11. Install the accelerator control cable bracket bolt.
  12. Tighten
    Tighten the accelerator control cable bracket bolt to 25 N·m (18 lb ft).


    Object Number: 475776  Size: SH
  13. Install the engine wiring harness to the engine wiring harness bracket at the right rear of the engine.

  14. Object Number: 475775  Size: SH
  15. Connect the following electrical connectors:
  16. • The exhaust gas recirculation (EGR) valve (1)
    • The ignition coil (4)
    • The ignition control module (ICM) (3)
  17. Install the engine wiring harness clip (2) to the accelerator control cable bracket.

  18. Object Number: 172994  Size: SH
  19. Install the PVC tube to the valve rocker arm cover and the air cleaner outlet duct.
  20. Fill the engine coolant system. Refer to Cooling System Draining and Filling in Engine Cooling.