GM Service Manual Online
For 1990-2009 cars only

Removal Procedure

  1. Remove the shift knob. Refer to Floor Shift Control Knob Replacement .
  2. Remove the shift cable. Refer to Shift Cable Replacement .

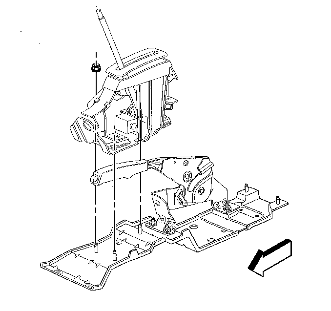
  3. Object Number: 416702  Size: SH
  4. Remove the three nuts securing the shift controller to the floor panel.

Installation Procedure


    Object Number: 416702  Size: SH

    Notice: Use the correct fastener in the correct location. Replacement fasteners must be the correct part number for that application. Fasteners requiring replacement or fasteners requiring the use of thread locking compound or sealant are identified in the service procedure. Do not use paints, lubricants, or corrosion inhibitors on fasteners or fastener joint surfaces unless specified. These coatings affect fastener torque and joint clamping force and may damage the fastener. Use the correct tightening sequence and specifications when installing fasteners in order to avoid damage to parts and systems.

  1. Install the three nuts securing the shift controller to the floor panel.
  2. Tighten
    Tighten the nuts to 25 N·m (18 lb in).

  3. Install the shift cable. Refer to Shift Cable Replacement .
  4. Install the shift knob. Refer to Floor Shift Control Knob Replacement .