GM Service Manual Online
For 1990-2009 cars only
Makes
🢒
Chevrolet
🢒
2000
🢒
Blazer - 4WD - RHD
🢒
Body and Accessories
🢒
Roof
🢒 Sunroof Schematics
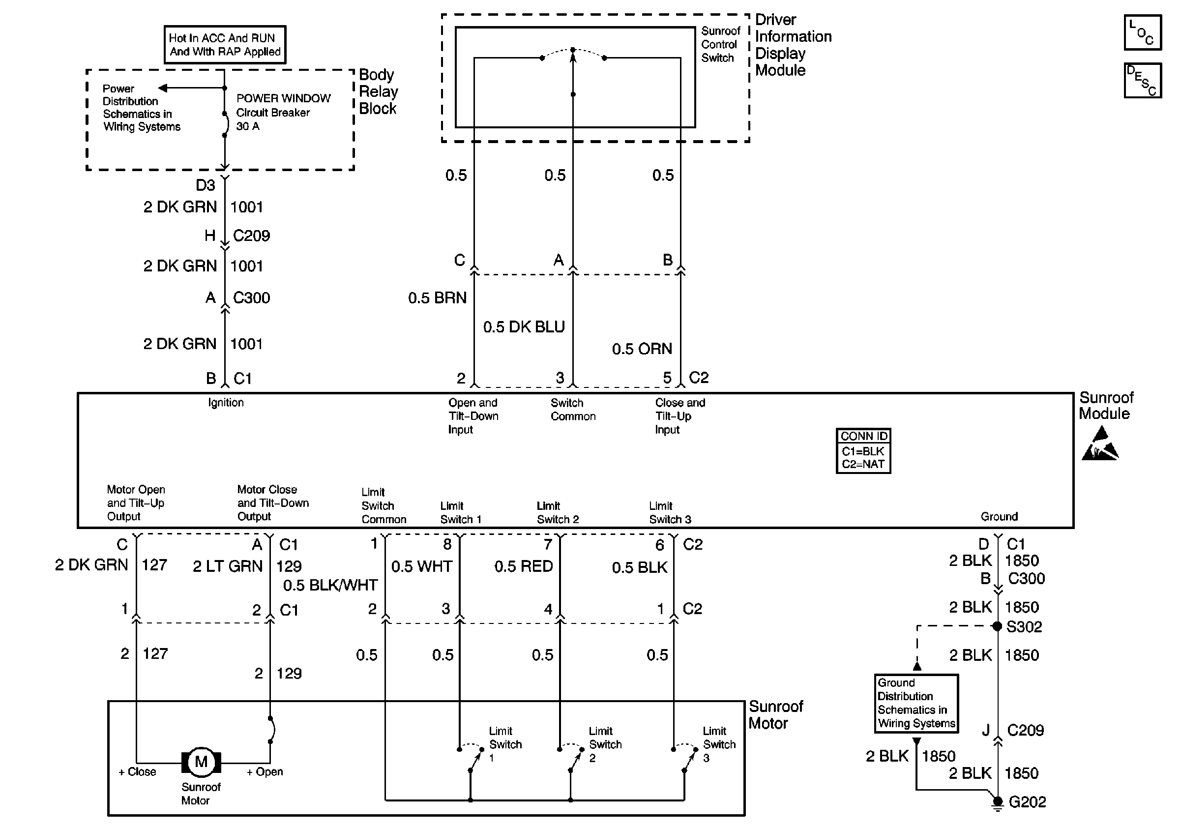
Power Roof Systems Components
Power Sunroof Circuit Description
TURN, HAZ SW, LT TURN, TRL TRN, LT TRN, TRR TRN, RT TRN, and RT TURN Fuses
Power Roof Systems Connector End Views
Handling ESD Sensitive Parts Notice
G200 and G201